Operation CHARM: Car repair manuals for everyone.
Manuals through 2025 now available!

Our trusted friends have launched a new website named LEMON, which has newer manuals. It also contains all the CHARM manuals.

LEMON is the spiritual successor to CHARM, I recommend you try it!

Link: lemon-manuals.la or lemon-manuals.org.ua

(Some people have issue connecting. LEMON is investigating. For now, use Firefox or change your DNS server)

Or, hide this message: temporarily or permanently

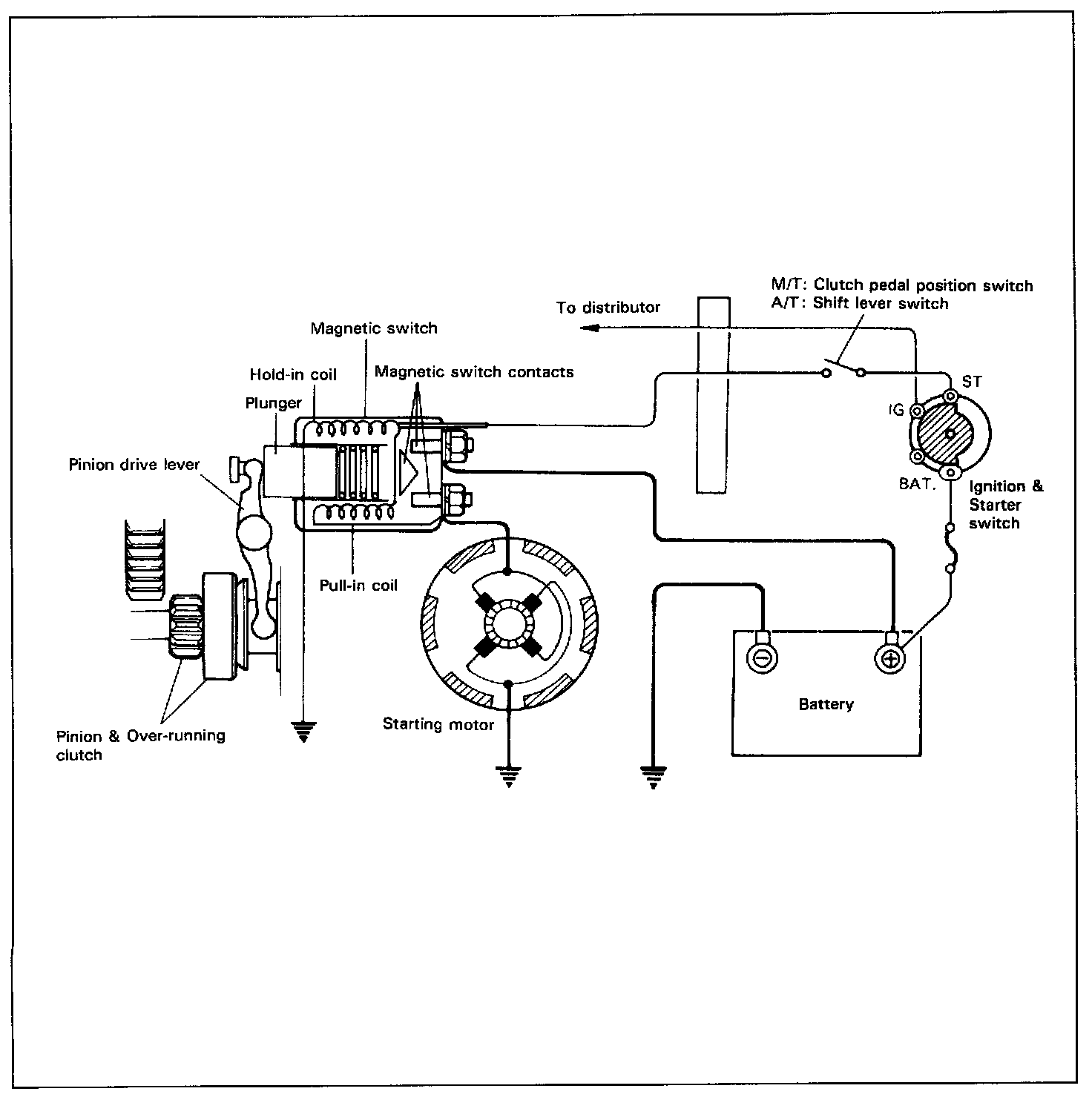
Starting System: Description and Operation

The cranking circuit consists of the battery, starting motor, ignition switch, and related electrical wiring. These components are connected electrically.





- The magnetic switch coils are magnetized when the ignition switch is closed.
- The resulting plunger and pinion drive lever movement causes the pinion to engage the engine flywheel gear and the magnetic switch main contacts to close, and cranking takes place.
- When the engine starts, the pinion over-running clutch protects the armature from excessive speed until the switch is opened, at which time the return spring causes the pinion to disengage.