Operation CHARM: Car repair manuals for everyone.
Manuals through 2025 now available!

Our trusted friends have launched a new website named LEMON, which has newer manuals. It also contains all the CHARM manuals.

LEMON is the spiritual successor to CHARM, I recommend you try it!

Link: lemon-manuals.la or lemon-manuals.org.ua

(Some people have issue connecting. LEMON is investigating. For now, use Firefox or change your DNS server)

Or, hide this message: temporarily or permanently

Unit Disassembly






UNIT DISASSEMBLY

CAUTION:
- Thoroughly clean transmission exterior before overhauling it.
- Keep working table, tools and hands clean while overhauling.
- Use special care to handle aluminum parts so as not to damage them.
- Do not expose removed parts to dust. Keep them clean always.

DISASSEMBLY





1. Extract torque converter.

CAUTION: Remove torque converter as much straight as possible. Leaning It may cause to damage on seal lip.





2. Measure starting torque of differential gear assembly using special tool.
Special Tool
(A): 0992W6050
Specified value
(a): 1.0 - 1.4 Nm (0.1 - 0.14 kg.m, 0.74 - 1.0 ft. lbs.)

NOTE: Record actual starting torque of differential assembly for Installation reference.





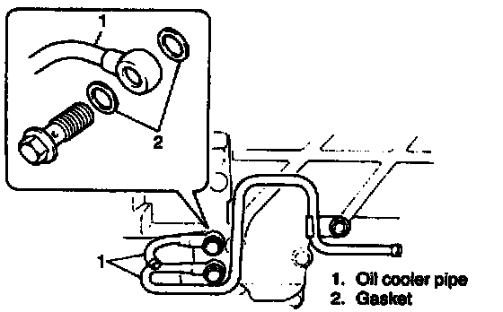
3. Remove oil cooler pipes.

NOTE: Never reuse gaskets after removal.





4. Pull out transmission range switch assembly.
a. Remove manual shift lever.
b. Pry off lock washer.
c. Remove lock nut.
d. Remove lock washer and rubber plate.
e. Remove two bolts.

NOTE: Never reuse lock washer after removal.





5. Remove oil level gauge, oil filler tube, vehicle speed sensor (for A/T), forward clutch cylinder revolution sensor and vehicle speed sensor (for speedometer).





6. Remove transmission housing by removing 15 bolts as shown.

NOTE: Never reuse removed two bolts (1).

7. Pull out differential gear assembly.
8. Clean and wipe off gasket sealer on mating surface between transmission housing and transmission case.
9. Remove three gaskets at transmission case side.

NOTE: Never reuse removed gaskets.





10. Remove six bolts of oil pump body, then remove oil pump body by hand.

NOTE:
- Use care not to cause damage to shaft bushing surface.
- If oil pump body can't be removed by hand, remove It by using gear puller as shown In figure.





11. Remove oil reserve plate by removing two bolts.
12. Remove oilstrainer.





13. Remove manual detent spring by removing two bolts.





14. Remove transmission side cover by removing 12 bolts.

NOTE: Never reuse removed two bolts (1).

15. Release solenoid wiring harness from clamp.
16. Disconnect pressure control, No.1 shift, No.2 shift and lock up control solenoid couplers.





17. Remove valve body assembly by removing eight bolts.

NOTE: Each bolt length Is indicated In figure.

CAUTION: Be careful not to let manual valve tall off when removing valve body assembly.

18. Remove solenoid coupler mounting bolt and remove solenoid coupler and its harness. Then remove A/T fluid temp. sensor and its harness from clamps.





19. Remove two gaskets.

NOTE: Never reuse removed gaskets.





20. Remove snap ring using special tool.
Special Tool
(A): 09900-06108
21. Pull out 2nd & 4th brake cover with O-ring by using plier or the like.
22. Inspect 2nd and 4th brake piston rod stroke.





a. Set dial gauge and magnetic stand (special tools).
Special Tools
(B): 09900-20606
(C): 09900-20701





b. Plug oil hole (1).
c. Measure piston rod stroke while applying and releasing compressed air (400 - 800 kPa, 4 - 8 kg/cm2, 57 - 113 psi) from oil hole (2).
Specified piston rod stroke: 1.98 - 2.42 mm (0.078 - 0.095 inch)

NOTE: If piston rod stroke exceeds above specification, adjust piston rod (For detail, refer to step 23) on UNIT ASSEMBLY.) or inspect band assembly of 2nd and 4th brake for damage, wear or discoloration.
Unit Assembly





23. Pull out reverse clutch assembly.
24. Remove 2nd and 4th brake band assembly.
25. Remove straight pin.
Reference value of straight pin
Length: 45 mm (1.77 inch)
Outside diameter: 8 mm (0.31 inch)





26. Apply valve lifter as illustrated and push in brake inner cover.
Special Tools
(A): 09916-14510
(B): 09916-48210
27. Remove snap ring by using snap ring plier (special tool).
Special Tool
(C): 09900-06108





28. Remove tools and take out 2nd & 4th brake piston assy. and brake inner cover.

NOTE: If 2nd & 4th brake piston assy. doesn't come out, apply compressed air through oil hole (1).

29. Remove spring.





30. Disassemble 2nd & 4th brake piston assy.
a. Remove brake inner cover and O-rings.

NOTE: Never reuse removed O-ring.





b. Remove E-ring, brake piston, spring and rod washer.





31. Loosen six bolts of transmission rear cover.
32. Lightly and uniformly tap two rib sections of transmission rear cover, using plastic hammer.
33. Remove ten bolts and engine mounting LH bracket.

NOTE: Never reuse two bolts (1) after removal.

34. Pull out transmission rear cover with forward clutch subassembly installed.





35. Remove five gaskets.

NOTE: Never reuse removed gaskets.





36. Remove carrier for front/rear planetary ring gear and sun gear assembly with following integral bearing installed.
Integral bearing with race dimension
Outside diameter: 32.3 mm (1.27 inch)
Inside diameter: 19.0 mm (0.75 inch)
Race thickness: 2.7 mm (0.11 inch)
37. Pull out sun gear assembly.





38. Inspect 1st and reverse brake piston stroke.
a. Set special tools (dial gauge and magnetic stand).
Special Tools
(A): 09900-20606
(B): 09900-20701
b. Measure piston stroke whim applying and releasing compressed air (400 - 800 kPa, 4 - 8 kg/cm2, 57 - 113 psi) from oil hole (1).
Specified value: 1.4 - 2.2 mm (0.055 - 0.087 inch)

NOTE: If piston stroke exceeds specification above, inspect or replace flanges and discs.





39. Remove snap ring using flat screwdriver.
40. Remove flange brakes "F", disc, clutch & flanges "D" and plate brakes "P" in the following order.
F -> D -> P -> D -> P -> D -> F -> D -> F





41. Remove retainer ring and brake piston return spring.
42. Remove 1st and reverse brake piston with O-ring installed while applying and releasing compressed air (400 - 800 kPa, 4 - 8 kg/cm2, 57 - 113 psi) through oil hole section (1).

NOTE:
- Never reuse removed O-rings.
- If piston will not pop out, it is recommended to use needle nose pliers for removal.





43. Remove parking lock pawl, pawl bracket and spring by removing two bolts.
44. Pry off torsion spring of parking lock pawl.
45. Remove parking lock pawl by pulling out pawl shaft with torsion spring installed.
46. Pullout counter driven gear assembly towards you.





47. Remove integrated needle roller bearing with race.
Race dimension
Outside diameter: 65.7 mm (2.59 inch)
Inside diameter: 51.0 mm (2.01 inch)
Thickness: 2.8 mm (0.11 inch)
48. Remove transmission lubrication tube.





49. Measure starting torque of counter drive gear subassembly using torque wrench and special tool.
Special Tool
(A): 09927-26010
Specified value
(a): 0.05 - 0.25 Nm (0.005 - 0.025 kg.m, 0.037 - 0.180 ft. lbs.)





50. Clamp special tool in a vise and place transmission housing onto special tool above.
Special Tool
(B): 09927-76040
51. Measure transmission housing rotational torque using pushpull gauge or the like.
Specified value:
0.05 - 0.15 Nm (0.005 - 0.015 kg.m, 0.037 - 0.108 ft. lbs.)
52. Remove snap ring.





53. Press counter drive gear subassembly using special tool.
Special Tool
(C): 09925-86010





54. Remove slotted spring pin using pin punch or the like.

NOTE: Never reuse removed spacer and slotted spring pin.

55. Remove manual valve lever shaft subassembly, lever manual valve and oil seal.

NOTE: Never reuse removed oil seal.