Operation CHARM: Car repair manuals for everyone.
Manuals through 2025 now available!

Our trusted friends have launched a new website named LEMON, which has newer manuals. It also contains all the CHARM manuals.

LEMON is the spiritual successor to CHARM, I recommend you try it!

Link: lemon-manuals.la or lemon-manuals.org.ua

(Some people have issue connecting. LEMON is investigating. For now, use Firefox or change your DNS server)

Or, hide this message: temporarily or permanently

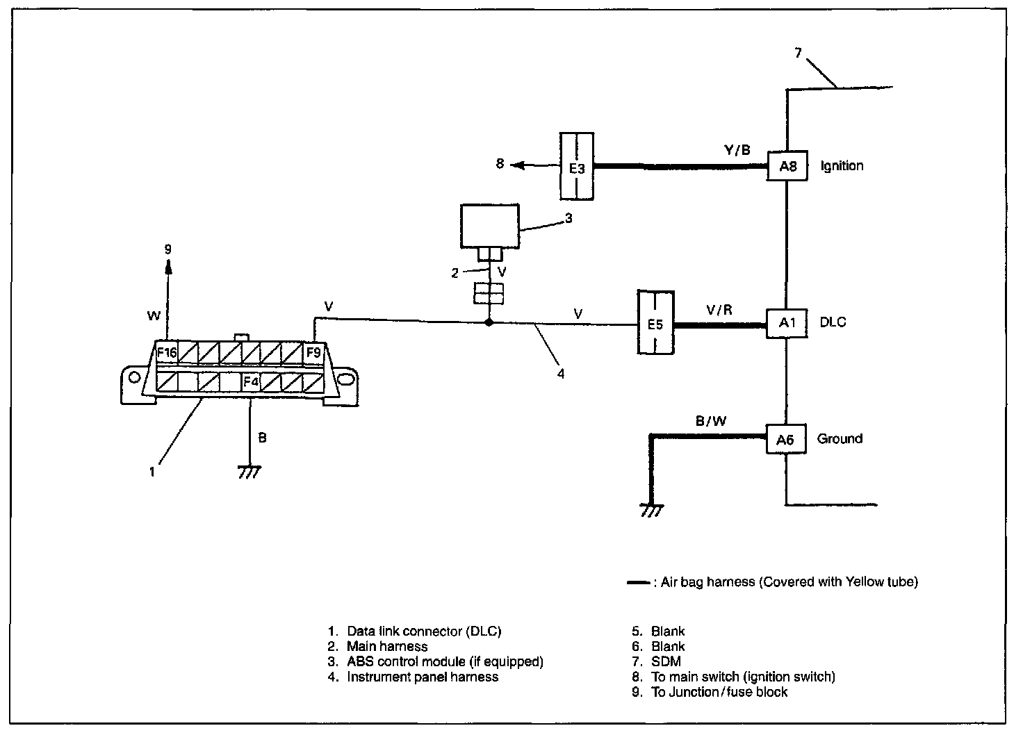
Chart D - SDM Cannot Communicate Through Serial Data Circuit

CHART D - SDM CANNOT COMMUNICATE THROUGH THE SERIAL DATA CIRCUIT




Wiring Diagram

CAUTION:
- When measurements are requested in this chart use specified digital multimeter with correct terminal adapter from special tool (Connector test adapter kit).
- When a check for proper connection is requested refer to "INTERMITTENTS AND POOR CONNECTIONS".
- When an open in air bag wire harness, damaged wire harness, connector or terminal is found, replace wire harness, connectors and terminals as an assembly.

Diagnostic Chart:




CHART TEST DESCRIPTION:
Number(s) below refer to circled number(s) on the diagnostic chart.
1. An improper connection to the data link connector will prevent communications from being established.
2. This test checks for an open in the "Serial Data" circuit.
3. This test checks whether an abnormality is in SDM or in any other part. Once the integrity of the "Serial Data" circuit including proper connections has been confirmed and ABS control module can communicate, the SDM must be malfunctioning.
4. This test check for a short to ground in the "Serial Data" circuit.
5. This test checks for a short to B+ or other power circuit in the "Serial Data" circuit.
6. This test checks whether the malfunction is caused by a short in ABS control module (if equipped). With ABS control module disconnected from "Serial Data" circuit, if SDM and the scan tool can communicate, ABS control module may be malfunctioning. Once the integrity of the "Serial Data" circuit including proper connections has been confirmed and SDM cannot communicate, the SDM must be malfunctioning.