Operation CHARM: Car repair manuals for everyone.
Manuals through 2025 now available!

Our trusted friends have launched a new website named LEMON, which has newer manuals. It also contains all the CHARM manuals.

LEMON is the spiritual successor to CHARM, I recommend you try it!

Link: lemon-manuals.la or lemon-manuals.org.ua

(Some people have issue connecting. LEMON is investigating. For now, use Firefox or change your DNS server)

Or, hide this message: temporarily or permanently

Shift Interlock Cable: Service and Repair

BRAKE (KEY) INTERLOCK CABLE

NOTE: Don't bend interlock cable excessively when removing and installing it, or system will not operate correctly.

REMOVAL
1. Disconnect negative cable at battery and disable air bag system, referring to Air Bags and Seat Belts.





2. Remove steering column hole cover and steering joint cover.
3. Disconnect steering shaft upper joint bolt and steering column mounting bolts and nuts.

CAUTION: Steering column mounting bolts and/or nuts should be loosened with steering shaft joint upper side tightened as this could cause damage to shaft joint bearing.

4. Remove interlock cable clamp screw located at ignition switch and disconnect interlock cable from release shaft with ignition switch turned to "ACC" position.
5. Remove center console.
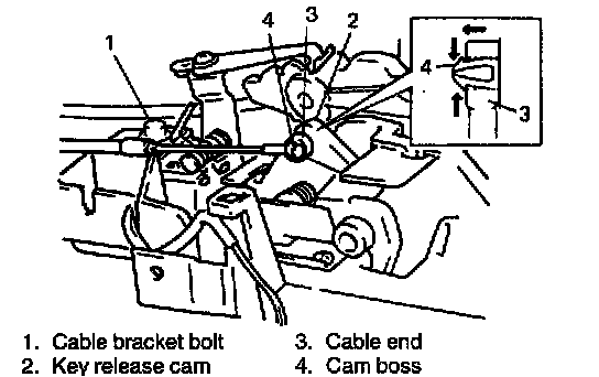
6. Remove cable bracket bolt and detach cable end from key release cam while pressing claws of release cam boss. At this time, be careful not to cause damage to its claws.





7. Remove interlock cable.

INSTALLATION





1. Install interlock cable as shown in figure.





2. With ignition key at "ACC" position, connect cable end to steering lock and tighten cable clamp screw securely.
Tightening Torque
(a): 2 Nm (0.2 kg.m, 1.5 ft. lbs.)
3. With lock plate manually moved toward front side of vehicle, shift selector lever to "N" position.
4. Fix key release cam inserting special tool into holes on cam and solenoid bracket.
Special Tool
(A): 09925 - 78210 (6 mm)
5. Connect cable end to key release cam.





6. With cable bracket pushed in arrow direction by spring force, tighten cable bracket bolt.
Tightening Torque
(b): 6 Nm (0.6 kg.m, 4.5 ft. lbs.)





7. Remove special tool and turn ignition switch to "ACC" position. With selector lever set at "P" position and lock plate of shift lock solenoid manually moved toward front side of vehicle, check that key release cam moves smoothly by operating knob button of selector lever.
8. With selector lever set at "P" position, turn ignition key to "ACC" position and then check for following conditions.
- With knob button released, ignition key can be turned from "ACC" position to "LOCK" position.
- With knob button pressed, ignition key cannot be turned from "ACC" position to "LOCK" position.
9. Install steering column referring to Steering and Suspension.
10. Install steering column hole cover and steering joint cover.
11. Connect negative cable at battery and enable air bag system, referring to Air Bags and Seat Belts.