Operation CHARM: Car repair manuals for everyone.
Manuals through 2025 now available!

Our trusted friends have launched a new website named LEMON, which has newer manuals. It also contains all the CHARM manuals.

LEMON is the spiritual successor to CHARM, I recommend you try it!

Link: lemon-manuals.la or lemon-manuals.org.ua

(Some people have issue connecting. LEMON is investigating. For now, use Firefox or change your DNS server)

Or, hide this message: temporarily or permanently

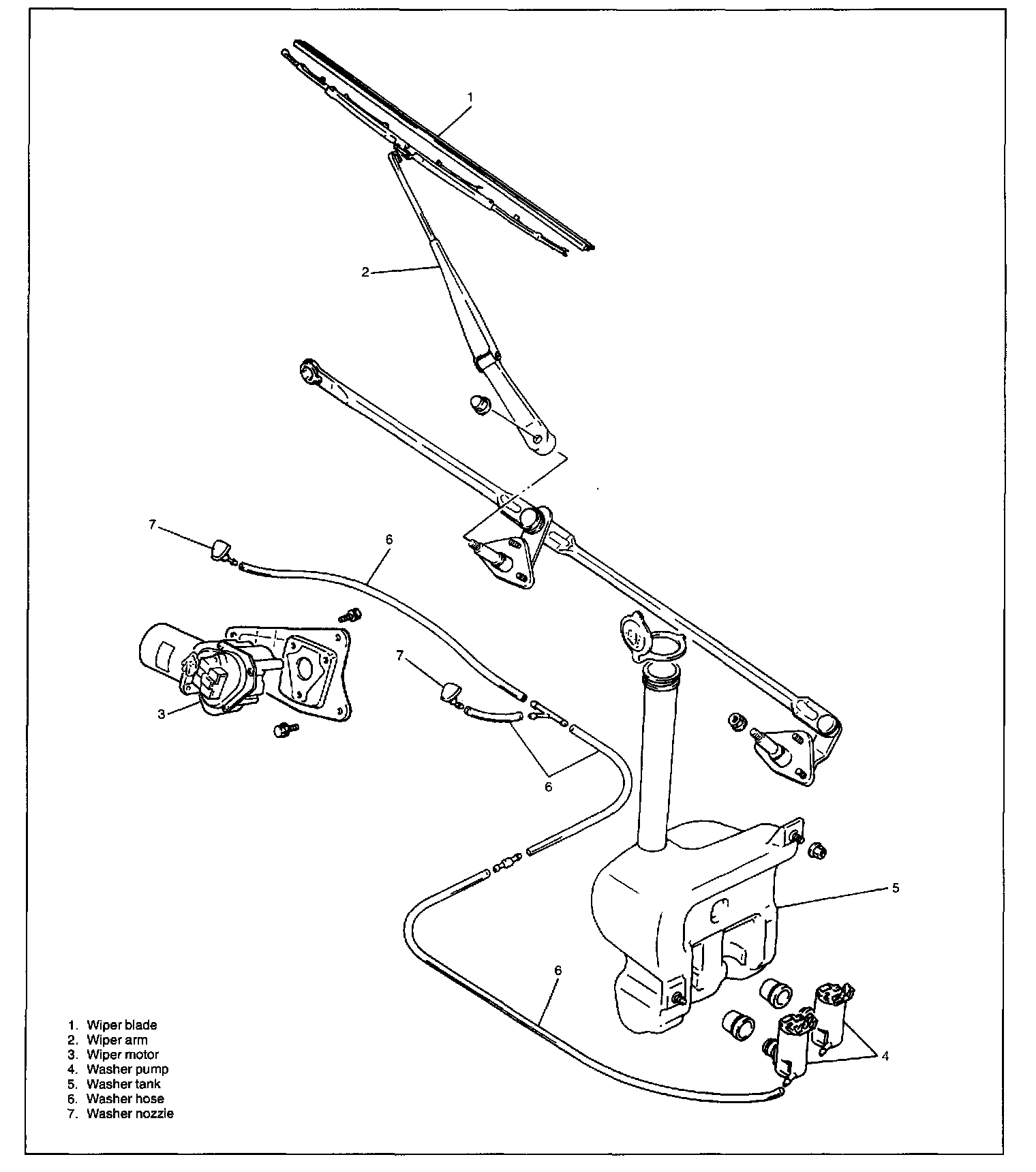
Wiper and Washer Systems: Locations

Windshield Wipers (Front Wiper) And Washer:




The windshield wiper is either 2-speed type or 3-speed type, depending on specifications and the windshield washer is equipped with a separate-type washer pump.

The washer tank is located inside of the front part of the left front fender. It has washer pumps for the front and rear respectively.