Operation CHARM: Car repair manuals for everyone.
Manuals through 2025 now available!

Our trusted friends have launched a new website named LEMON, which has newer manuals. It also contains all the CHARM manuals.

LEMON is the spiritual successor to CHARM, I recommend you try it!

Link: lemon-manuals.la or lemon-manuals.org.ua

(Some people have issue connecting. LEMON is investigating. For now, use Firefox or change your DNS server)

Or, hide this message: temporarily or permanently

Ignition System: Testing and Inspection

Ignition System Check

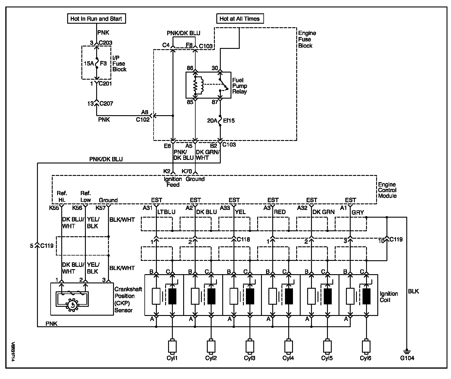
Wiring Diagram:





Circuit Description

WARNING: Use only electrically insulated pliers when handling ignition wires with the engine running to prevent an electrical shock.

The Electronic Ignition (EI) system uses an independent spark distribution. The CKP sensor sends reference pulses to the Engine Control Module (ECM). The ECM then triggers the EI system ignition coil. Once the ECM triggers the EI system ignition coil, then the connected spark plug fires.

Step 1 - 8:




Step 9 - 29:




Troubleshooting