Operation CHARM: Car repair manuals for everyone.
Manuals through 2025 now available!

Our trusted friends have launched a new website named LEMON, which has newer manuals. It also contains all the CHARM manuals.

LEMON is the spiritual successor to CHARM, I recommend you try it!

Link: lemon-manuals.la or lemon-manuals.org.ua

(Some people have issue connecting. LEMON is investigating. For now, use Firefox or change your DNS server)

Or, hide this message: temporarily or permanently

Oxygen Sensor: Description and Operation

A/F Sensor Description

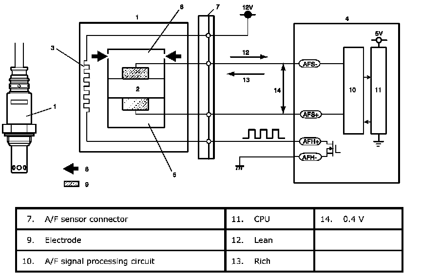
A/F sensor (1), in place of the conventional heated Oxygen sensor -1, is installed in the exhaust manifold (bank 1 and bank 2) and it consists of a zirconia element (2) which causes the output current to vary according to difference in the oxygen concentration, a heater (3) which activates the element.

A/F sensor detects oxygen concentration in exhaust gas (8) (A/F ratio of the air-fuel mixture) linearly, ranging from LEAN to RICH.

Operation
ECM (4) controls the sensor heater (3) and keeps the sensor element temperature at the specified level (about 750 °C) constantly so that the A/F sensor is activated in the specified way for accurate A/F detection. When the sensor element reaches the specified temperature (it is activated), its impedance drops to the specified value (approx. 30 Ohms) by its characteristic. When a certain voltage (about 0.4 V) is applied between sensor elements in this state, circuit current corresponding to the sensor element impedance flows in the sensor circuit. ECM detects this circuit current and judges whether the sensor is in the active state or not. At this time, sensor current is output linearly in the range of +0.01 mA to +some mA on the lean side and -0.01 mA to - some mA on the rich side. The variation in these ranges depends on the difference from the stoichiometry A/F ratio, that is, the amount of oxygen between the atmosphere side (5) and exhaust manifold (6).

According to this sensor output, ECM executes A/F feedback (fuel trim) to achieve the target A/F ratio.