Operation CHARM
: Car repair manuals for everyone.
Home
>>
Suzuki
>>
2008
>>
Grand Vitara 2WD V6-2.7L
>>
Repair and Diagnosis
>>
Transmission and Drivetrain
>>
Automatic Transmission/Transaxle
>>
Description and Operation
>>
Electronic Shift Control Input / Output Table
Manuals through 2025 now available!
Our trusted friends have launched a new website named LEMON, which has newer manuals. It also contains all the CHARM manuals.
LEMON is the spiritual successor to CHARM, I recommend you try it!
Link:
lemon-manuals.la
or
lemon-manuals.org.ua
(Some people have issue connecting. LEMON is investigating. For now, use Firefox or change your DNS server)
Or, hide this message:
temporarily
or
permanently
Electronic Shift Control Input / Output Table
Electronic Shift Control Input / Output Table
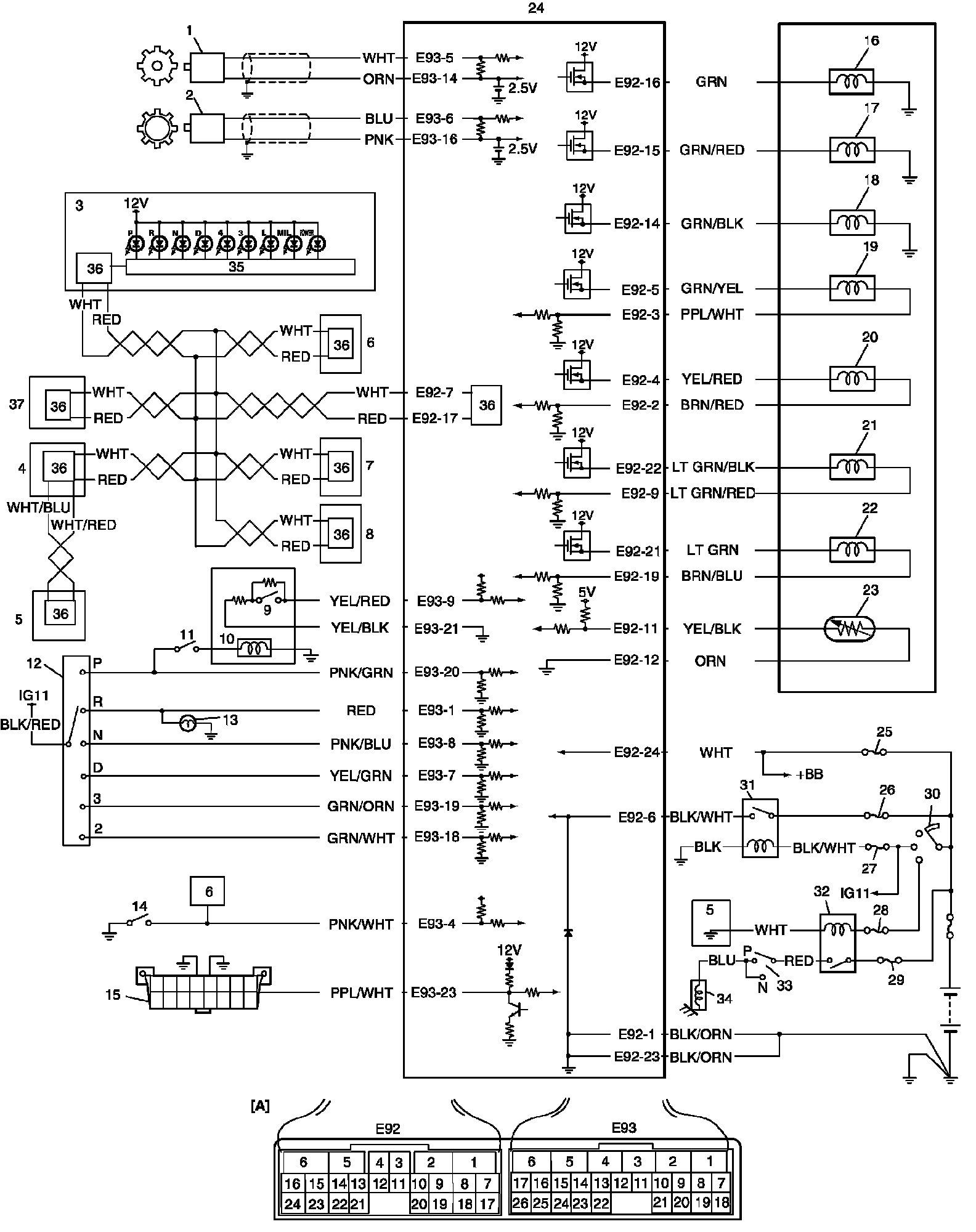
Electronic Shift Control System Wiring Diagram
Operation of Shift Solenoids and TCC Solenoid
^
: ON (Turn power on)
X: OFF (Turn power off)