Operation CHARM: Car repair manuals for everyone.
Manuals through 2025 now available!

Our trusted friends have launched a new website named LEMON, which has newer manuals. It also contains all the CHARM manuals.

LEMON is the spiritual successor to CHARM, I recommend you try it!

Link: lemon-manuals.la or lemon-manuals.org.ua

(Some people have issue connecting. LEMON is investigating. For now, use Firefox or change your DNS server)

Or, hide this message: temporarily or permanently

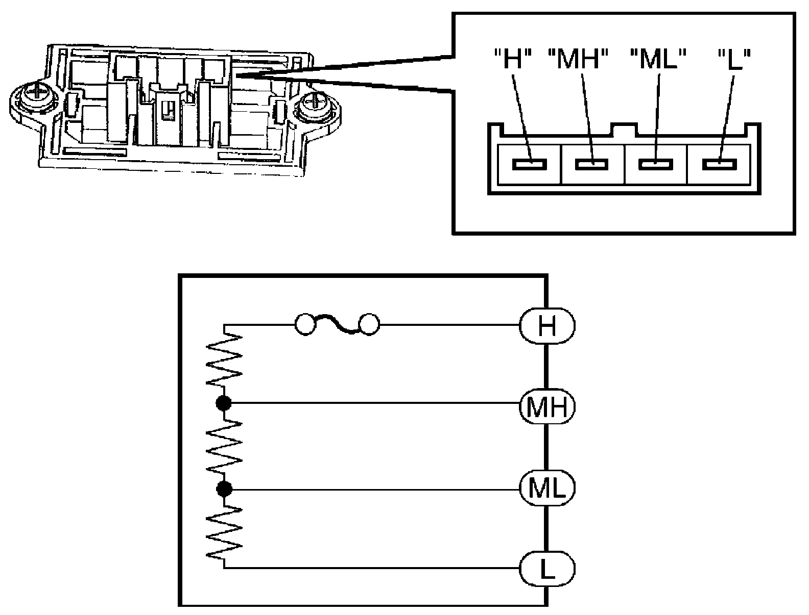
Blower Motor Resistor: Testing and Inspection

Blower Motor Resistor Inspection

Reference: Blower Motor Resistor Removal and Installation Service and Repair

Measure each terminal-to-terminal resistance. If measured resistance is out of specification, replace blower motor resistor.





Blower motor resistor resistance
"H" - "MH": Approx. 0.43 ohms at 20 - 25 °C (68 - 77 °F)

"MH" - "ML": Approx. 0.6 ohms at 20 - 25 °C (68 - 77 °F)

"ML" - "L": Approx. 2.0 ohms at 20 - 25 °C (68 - 77 °F)