Operation CHARM: Car repair manuals for everyone.
Manuals through 2025 now available!

Our trusted friends have launched a new website named LEMON, which has newer manuals. It also contains all the CHARM manuals.

LEMON is the spiritual successor to CHARM, I recommend you try it!

Link: lemon-manuals.la or lemon-manuals.org.ua

(Some people have issue connecting. LEMON is investigating. For now, use Firefox or change your DNS server)

Or, hide this message: temporarily or permanently

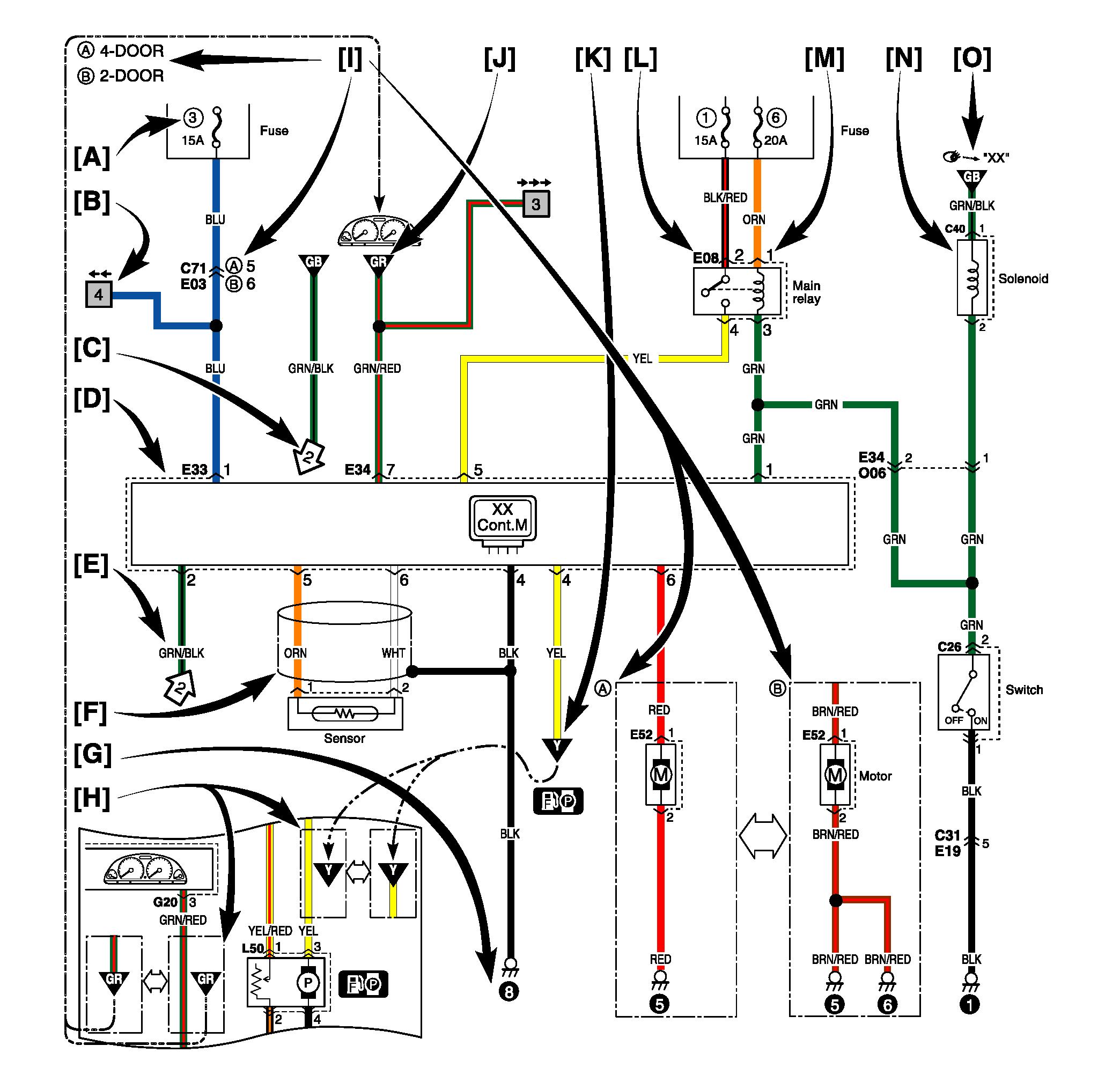
How to Read System Circuit Diagram

HOW TO READ SYSTEM CIRCUIT DIAGRAM

The circuit diagram is designed so the current flows from the top of the diagram (power source) to the bottom of the diagram (ground) as if giving an image of water flow.
[A]: Fuse No.
[B]: Circuit jumping/direction

NOTE:
^ This means "Jump to the page directed with the arrow(s) by their number. (For example:" Two arrows directing left "means" Jump to two pages before".) You will find the same symbol with the arrows directing opposite in the referenced page. The circuit continues between the symbols.

[C]: Circuit jumping point / direction

NOTE:
^ The circuit continues to the same symbol with opposite direction within the page. You will find the other symbol in the direction of the arrow.

[D]: Terminals-in-one-connector mark
[E]: Wire color
[F]: Shield wire
[G]: Ground point
[H]: "From" or "To" (With ID letter (s))
[I]: Specification variation

The white arrow between A and B means "or".
[J]: "From" (With ID letter (s))
[K]: "To" (With ID letter (s))
[L]: Connector code
[M]: Terminal No.
[N]: Symbol mark
[O]: "SEE" mark