Operation CHARM: Car repair manuals for everyone.
Manuals through 2025 now available!

Our trusted friends have launched a new website named LEMON, which has newer manuals. It also contains all the CHARM manuals.

LEMON is the spiritual successor to CHARM, I recommend you try it!

Link: lemon-manuals.la or lemon-manuals.org.ua

(Some people have issue connecting. LEMON is investigating. For now, use Firefox or change your DNS server)

Or, hide this message: temporarily or permanently

Alternator: Testing and Inspection

Generator Inspection

Reference: Generator Dismounting and Remounting
Reference: Generator Components

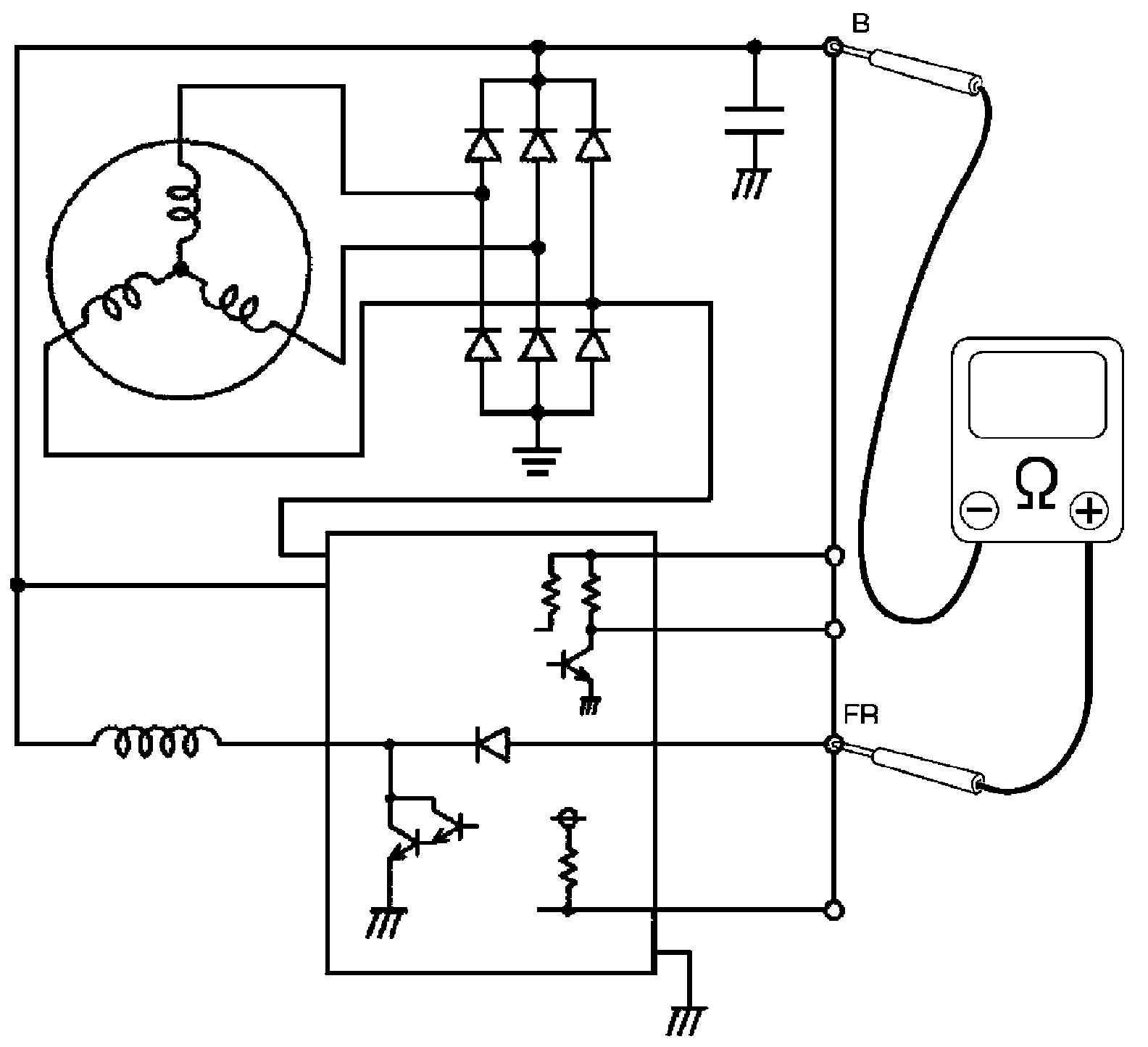
Rotor




^ Using ohmmeter, connect positive terminal to "FR" terminal and connect negative terminal to "B" terminal of generator, check that continuity between "B" terminal and "FR" terminal. If there is no continuity, replace rotor or regulator.




^ Using ohmmeter, check for continuity between slip rings of rotor. If there is no continuity, replace rotor (1).
Resistance between slip rings of rotor
1.7 - 2.0 ohms




^ Using ohmmeter, check that there is no continuity between slip ring and rotor core. If there is continuity. replace rotor (1).
^ Check slip rings for roughness or scoring. If rough or scored, replace rotor.

Stator




^ Using ohmmeter, check all leads for continuity. If there is no continuity, replace stator (1).




^ Using ohmmeter, check that there is no continuity between coil leads (2) and stator core (1). If there is continuity, replace stator.

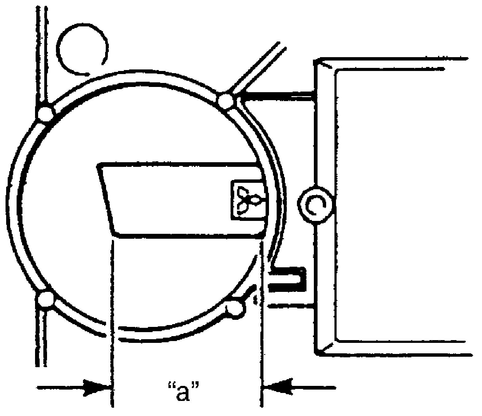
Brush and brush holder




Check each brush for wear by measuring its length. If brush is found worn down to service limit, replace brush.

Brush length "a"
Standard: 16 mm (0.63 in.)

Limit: 5 mm (0.20 in.)

Rectifier
1. Using ohmmeter, check continuity between each of upper and lower rectifier bodies and each diode lead (2).

Check both directions by reversing probes of ohmmeter and there should be only one-way continuity in each case.

If check result is not satisfactory, replace rectifier (1).




2. In the same manner as described in above Step 1), check that there is only one-way continuity between both leads of diode trio.

Condenser




Check condenser capacity.