Operation CHARM: Car repair manuals for everyone.
Manuals through 2025 now available!

Our trusted friends have launched a new website named LEMON, which has newer manuals. It also contains all the CHARM manuals.

LEMON is the spiritual successor to CHARM, I recommend you try it!

Link: lemon-manuals.la or lemon-manuals.org.ua

(Some people have issue connecting. LEMON is investigating. For now, use Firefox or change your DNS server)

Or, hide this message: temporarily or permanently

Procedures

Intake Manifold Cleaning and Inspection

Upper Intake Manifold Cleaning Procedure
1. Remove any remaining gasket and/or gasket material from the following:
^ Throttle body
^ Intake manifold
2. Clean the following intake manifold areas in solvent.
^ Intake manifold gasket sealing areas
^ Intake manifold passages
^ Brake booster hose passage
^ Evaporative emission (EVAP) solenoid passage
^ Positive crankcase ventilation (PCV) vacuum hose passages

WARNING: Refer to [Safety Glasses Caution].

3. Dry the upper intake manifold and throttle body with compressed air.

Inspection Procedure





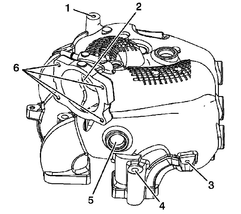
1. Inspect the upper intake manifold for the following conditions:
^ Damage, debris or restrictions to the PCV system hose port (1)
^ Damage, debris or restrictions to the EVAP purge solenoid port (2)
^ Damage to the intake manifold bolt bosses (3)
^ Damage to the EVAP purge solenoid mounting boss (4)
^ Damage, debris or restrictions to the brake vacuum booster hose port (5)
^ Damage or corrosion to the intake manifold expansion plugs (6)
^ Damage to the engine coolant air bleed pipe bracket mounting boss (7)





2. Inspect the upper intake manifold for the following conditions:
^ Damage to the threads and boss for the fuel injector sight shield ball stud (1)
^ Damage, debris or restrictions within the intake manifold passages (2)
^ Damage to the engine coolant air bleed pipe bracket mounting boss (3)
^ Damage to the intake manifold bolt bosses (4)
^ Damage or corrosion to the intake manifold expansion plug (5)
^ Damage to the throttle body bolt holes (6)





3. Inspect the upper intake manifold for the following conditions:
^ Gouges or damage to the upper intake manifold sealing surfaces (1)
^ Damage to the gasket sealing surface (2) for the throttle body





4. Inspect the upper intake manifold sealing surface for warpage.
a. Locate a straight edge across the upper-to-lower intake manifold sealing surface.
b. Insert a feeler gage between the upper intake manifold and the straight edge. An upper intake manifold with warpage in excess of 0.05 mm (0.020 in) must be replaced.
5. Repair or replace the upper intake manifold as necessary.

Lower Intake Manifold Cleaning Procedure
1. Remove any remaining gasket and/or gasket material from the following:
^ Upper-to-lower intake manifold sealing surface
^ Cylinder head-to-lower intake manifold sealing surface
2. Clean the following intake manifold areas in solvent.
^ Intake manifold gasket sealing surfaces
^ Intake manifold passages

WARNING: Refer to [Safety Glasses Caution].

3. Dry the intake manifold with compressed air.

Inspection Procedure





1. Inspect the lower intake manifold for the following conditions:
^ Damage, debris or restrictions to the lower intake manifold ports
^ Damage to the fuel rail mounting bolt holes
^ Damage to the fuel rail





2. Inspect the lower intake manifold for the following conditions:
^ Gouges or damage to the intake manifold sealing surfaces
^ Damage to the lower intake manifold bolt bosses
^ Damage to the fuel injector ports





3. Inspect the lower intake manifold sealing surfaces for warpage.
a. Locate a straight edge across the lower intake manifold sealing surfaces.
b. Insert a feeler gage between the lower intake manifold and the straight edge. A lower intake manifold with warpage in excess of 0.5 mm (0.020 in) must be replaced.
4. Repair or replace the lower intake manifold as necessary.