Operation CHARM: Car repair manuals for everyone.
Manuals through 2025 now available!

Our trusted friends have launched a new website named LEMON, which has newer manuals. It also contains all the CHARM manuals.

LEMON is the spiritual successor to CHARM, I recommend you try it!

Link: lemon-manuals.la or lemon-manuals.org.ua

(Some people have issue connecting. LEMON is investigating. For now, use Firefox or change your DNS server)

Or, hide this message: temporarily or permanently

Engine Replacement

Engine Replacement

Removal Procedure
1. Remove the battery box and carefully set the engine control module (ECM) on top of the engine.
2. Disconnect the ECM connector from the under-hood fuse block.
3. Disconnect ground wire from frame, near battery box.
4. Remove the fuel injector sight shield.
5. Release the clamp from the brake booster vacuum hose connection.
6. Disconnect the brake booster vacuum hose from the intake manifold.
7. Remove the air cleaner assembly.
8. Discharge the fuel system.
9. Disconnect the evaporative emission (EVAP) hose/pipe from the EVAP canister purge solenoid valve.
10. Disconnect the engine fuel hose/pipe from the chassis fuel hose/pipe.
11. Discharge the air conditioning (A/C) system.
12. Remove the A/C compressor hose assembly from the compressor. Cap or plug the hoses and compressor to prevent contamination.
13. Disconnect the transaxle shift control cable from the transaxle.
14. Drain the engine coolant from the cooling system.
15. Tie the radiator, A/C condenser, and fan module assembly to the upper radiator support to keep the assembly with the vehicle when the frame and drivetrain is removed.
16. Disconnect the heater hoses from the engine.
17. Remove the radiator inlet hose.
18. Raise and support the vehicle.
19. Remove the radiator outlet hose.





20. Disconnect the transaxle oil cooler lines from the transaxle and remove the seals.
21. Cap the transaxle oil cooler lines and plug the transaxle oil cooler line fittings to prevent loss of transmission fluid.
22. Remove the catalytic converters and secure the rear half of the exhaust system to the vehicle underbody.
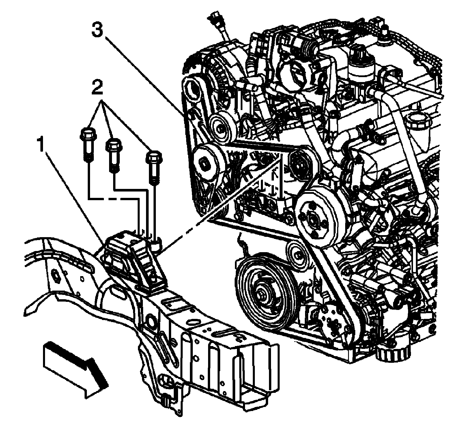
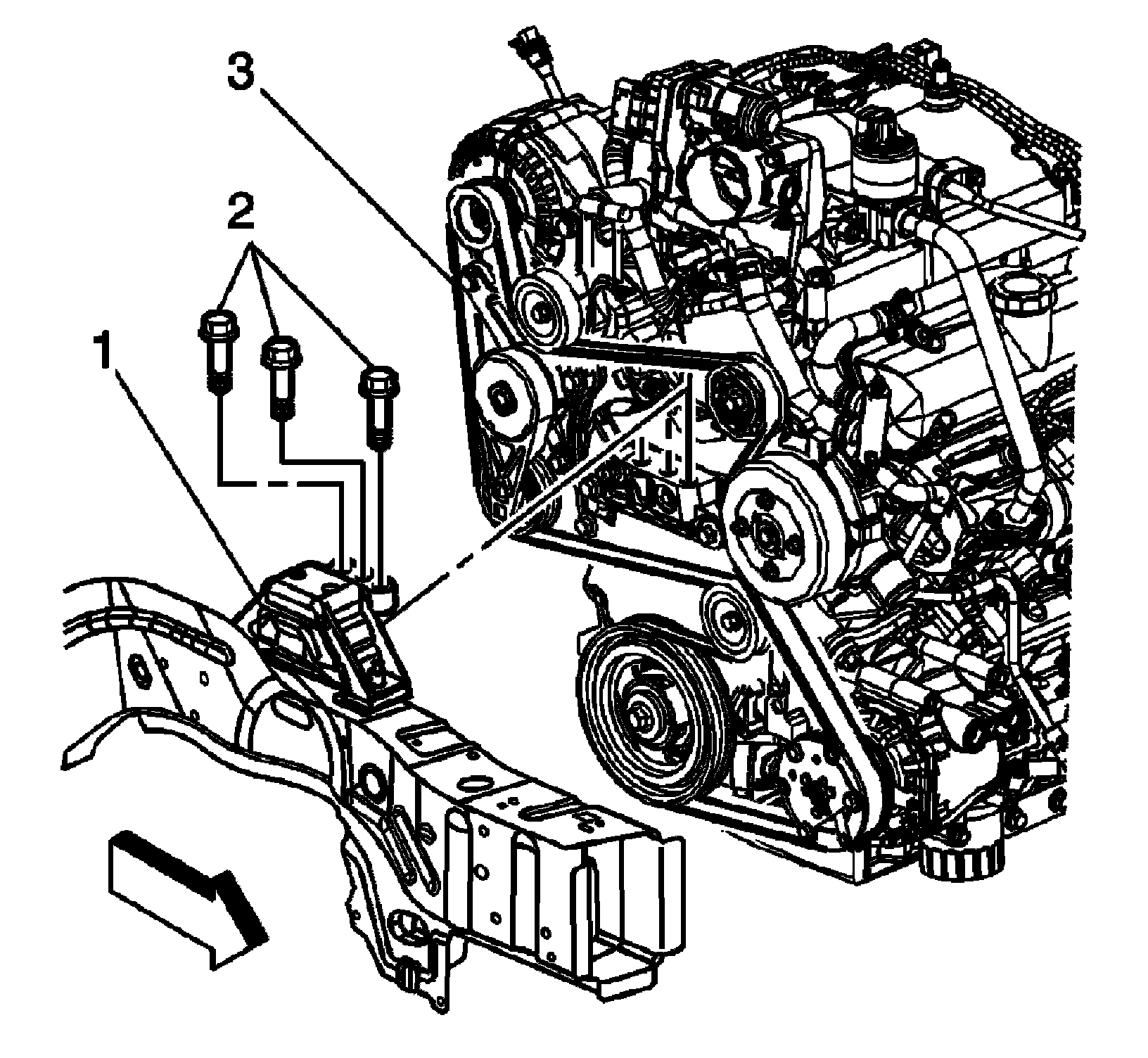
23. Remove the front tires.
24. Remove the right and left engine splash shields.





25. Remove the steering intermediate shaft pinch bolt and discard the bolt.
26. Disconnect the steering intermediate shaft from the steering gear.





27. Remove the right and left outer tie rod ends from the steering knuckles.





28. Remove the right and left stabilizer shaft links from the stabilizer shaft.





29. Remove the right and left lower ball joints from the steering knuckles.
30. On front wheel drive (FWD) models, place a drain pan under the transaxle then separate the right and left front wheel drive shafts from the transaxle.
31. On all wheel drive (AWD) models, remove the rear wheel driveshaft.





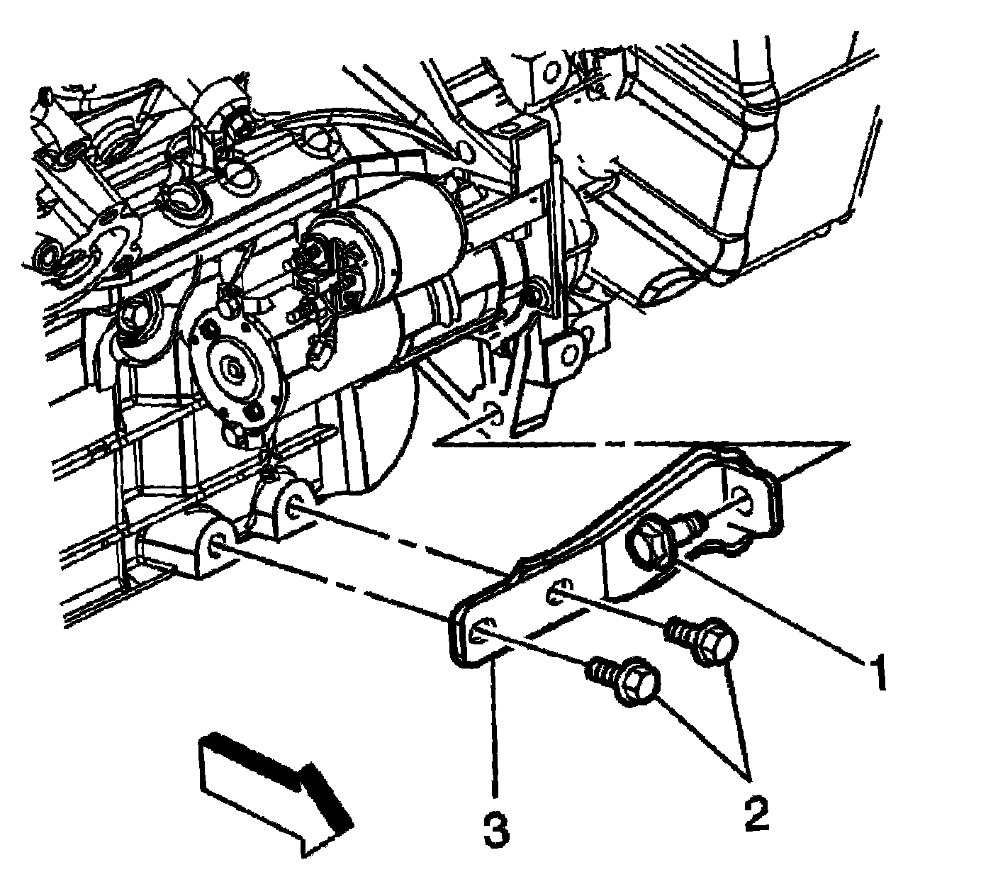
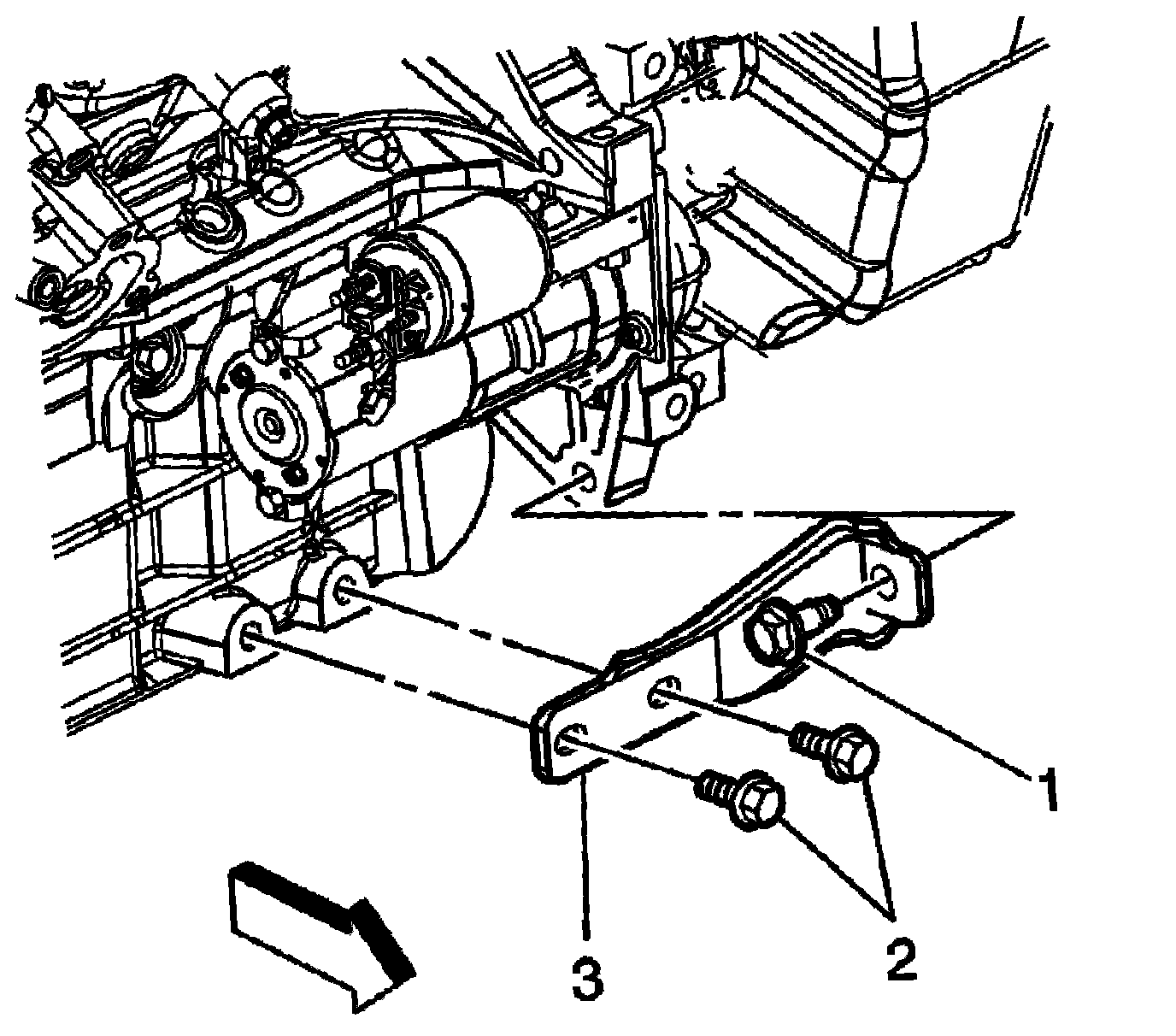
32. On all models, place a block of wood (1) between the frame and the engine oil pan in order to support the engine once the bolts are removed from the right engine mount.





33. Lower the vehicle.
34. Remove the bolts (2) that secure the right engine mount (1) to the engine (3).

NOTE:
Insure the vehicle body is secured to the hoist.

35. Raise the vehicle.
36. Place a universal frame support fixture or jackstands under the frame.
37. Lower the vehicle until the frame contacts the frame support fixture or jackstands.
38. Disconnect the wiring harness retaining clips near the right and left shock towers.
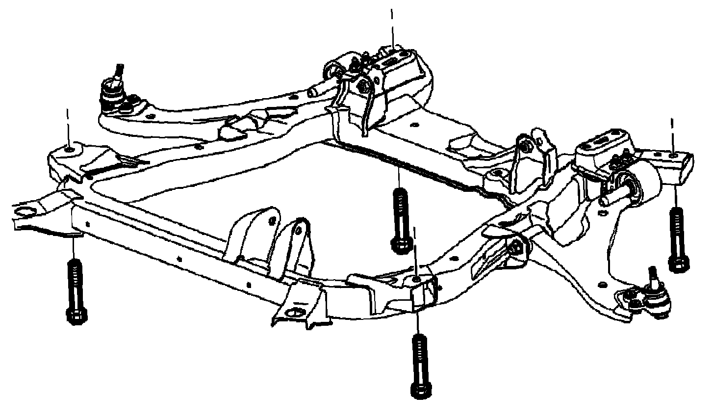
39. Remove the drivetrain and front suspension frame reinforcement.





40. Remove the frame-to-body bolts. Discard the bolts.

NOTE:
Inspect for areas of body to powertrain contact or entanglement of wires and hoses while separating the vehicle body and powertrain.

41. Carefully raise the vehicle body up away from the powertrain.





42. Disconnect the engine electrical wiring harness from the following components:
^ Oxygen sensor (1)
^ EVAP purge solenoid (2)
^ Ignition coils (3, 4, 10)
^ Ground leads (7, 11)
^ Remove wire harness from retainers (5, 6, 8, 9)





43. Disconnect the left and right cylinder head engine electrical wiring harness from the following components:
^ Camshaft position sensors (1)
^ Camshaft position actuators (2)





44. Disconnect the engine electrical wiring harness from the following components:
^ Generator (1)
^ Retainer clips (2, 3, 4, 5, 6, 7, 9)
^ A/C compressor hose (8)
^ Oil pressure switch (10)
^ A/C compressor (8)





45. Disconnect the engine electrical wiring harness from the following components:
^ Battery cable (1)
^ Retainer clips (2, 3)
^ Transmission module (4)





46. If equipped with an engine coolant heater, disconnect the coolant heater cord.
47. Remove the throttle body assembly.





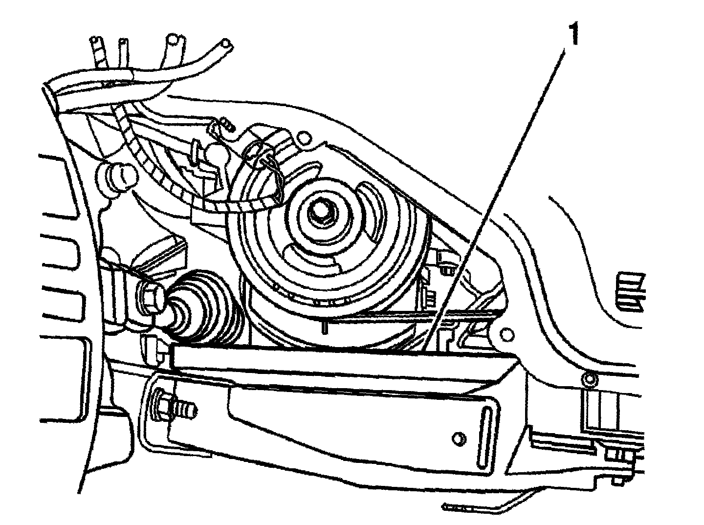
48. Remove the engine-to-transaxle brace bolts (1, 2) and brace (3).
49. Remove the starter motor.





50. Remove the torque converter bolts.
51. Install the engine support adapters to the engine.
52. Support the engine weight with an engine hoist.





53. Remove the automatic transaxle bolts.
54. Separate the automatic transaxle from the engine.
55. Lift the engine away from the frame and the automatic transaxle.
56. Secure the engine to an engine stand.
57. Remove any additional engine components as necessary.

Installation Procedure
1. Remove the engine from the engine stand.





2. Align the engine to the frame and automatic transaxle.

CAUTION:
Refer to [Fastener Notice].


3. Install the automatic transaxle bolts.
Tightening torque
Tighten the bolts to 75 Nm (55 lb ft).
4. Place a block of wood between the frame and the engine oil pan in order to support the engine on the frame once the engine hoist is removed.
5. Remove the engine hoist and lift chain.
6. Remove the engine support adapters from the engine.





7. Install the torque converter bolts.
Tightening torque Tighten the bolts to 60 Nm (44 lb ft).
8. Install the starter motor.





9. Install the engine to transaxle brace (3) and bolts (1, 2).
Tightening torque Tighten the bolts to 50 Nm (37 lb ft).
10. Install the throttle body assembly.





11. If equipped with an engine coolant heater, connect the coolant heater cord.





12. Connect the engine electrical wiring harness to the following components:
^ Transmission module (4)
^ Retainer clips (3, 2)
^ Battery cable (1)
Tightening torque
Tighten the bolt to 25 Nm (18 lb ft).





13. Connect the engine electrical wiring harness to the following components:
^ A/C compressor (8)
^ Oil pressure switch (10)
^ A/C compressor hose (8)
^ Retainer clips (2, 3, 4, 5, 6, 7, 9)
^ Generator (1)
Tightening torque
Tighten the nut to 13 Nm (115 lb in).





14. Connect the left and right cylinder head engine electrical wiring harness to the following components:
^ Camshaft position actuators (2)
^ Camshaft position sensors (1)





15. Connect the engine electrical wiring harness to the following components:
^ Install wire harness to retainers (5, 6, 8, 9)
^ Ground leads (7, 11)
^ Ignition coils (3, 4, 10)
^ EVAP purge solenoid (2)
^ Oxygen sensor (1)
16. Connect the wiring harness retaining clips near the right and left shock towers.





17. Install NEW frame-to-body bolts.
Tightening torque
Tighten the bolts to 155 Nm (114 lb ft).
18. Install the drivetrain and front suspension frame reinforcement.
19. Raise the vehicle up away from the frame support fixture or jackstands and remove the support fixture or jackstands from under the vehicle.
20. Lower the vehicle.





21. Install the bolts (2) that secure the right engine mount (1) to the engine (3).
Tightening torque
Tighten the bolts to 50 Nm (37 lb ft).
22. Raise the vehicle.





23. Remove the block of wood (1) between the frame and the engine oil pan used to support the engine while the bolts were removed from the right engine mount.
24. On all wheel drive (AWD) models, install the rear wheel driveshaft.
25. On front wheel drive models, install the right and left front wheel drive shafts into the transaxle.





26. On all models, install the right and left lower ball joints to the steering knuckles.





27. Install the right and left stabilizer shaft links to the stabilizer shaft.





28. Install the right and left tie rod ends to the steering knuckles.





29. Connect the steering intermediate shaft to the steering gear.
30. Install a NEW pinch bolt to the steering intermediate shaft.
Tightening torque
Tighten the bolt to 34 Nm (25 lb ft).
31. Install the right and left engine splash shields.
32. Install the front tires.
33. Install the catalytic converters.





34. Install new seals and connect the transaxle oil cooler lines to the transaxle.
35. Install the radiator outlet hose.
36. Lower the vehicle.
37. Install the radiator inlet hose.
38. Connect the heater hoses to the engine.
39. Untie the radiator, AC condenser, and fan module assembly from the upper radiator support.
40. Connect the transaxle shift control cable to the transaxle.
41. Install the AC compressor hose assembly to the compressor.





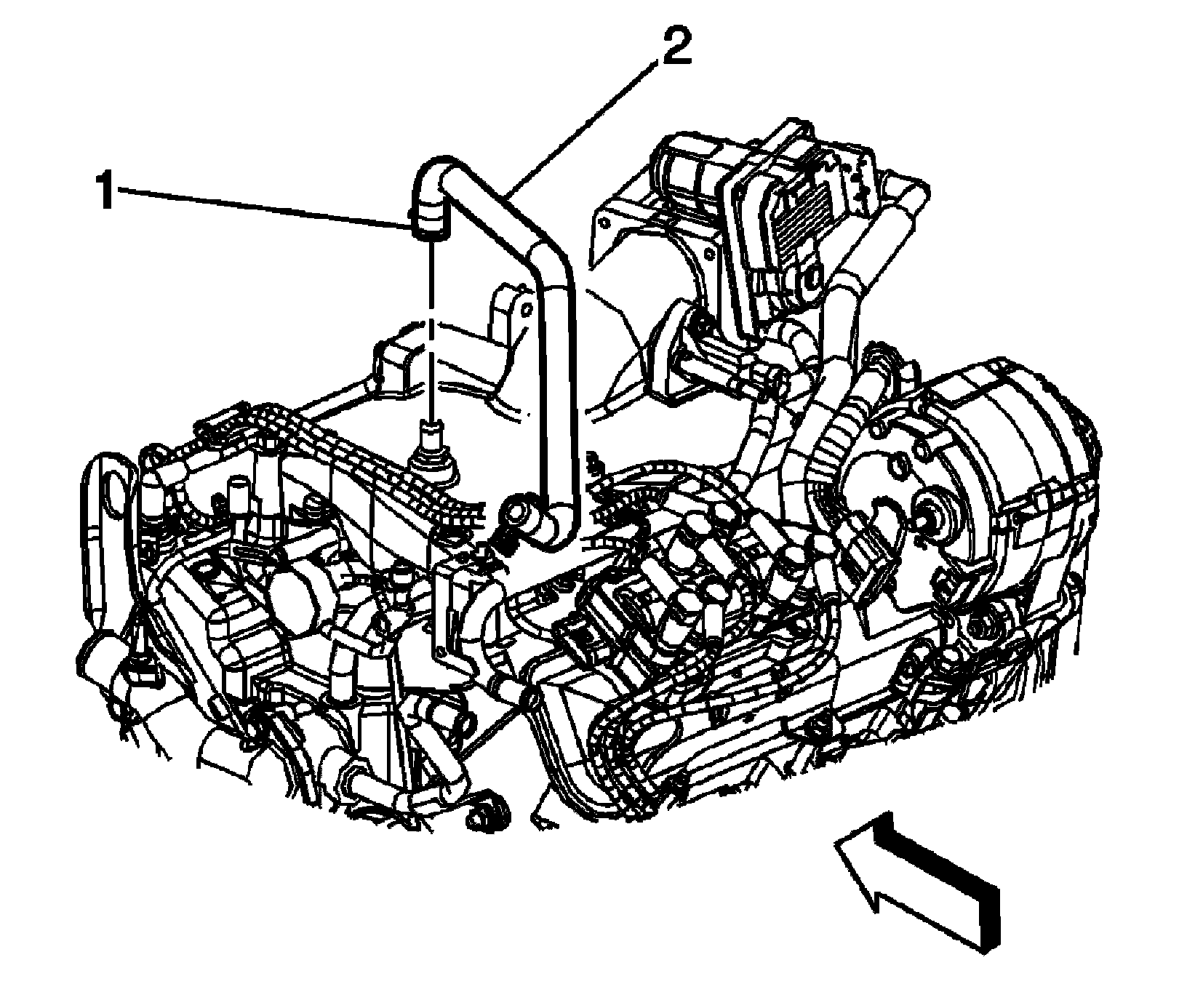
42. Connect the engine fuel hose/pipe (3) to the chassis fuel hose/pipe (2).
43. Connect the EVAP hose/pipe to the EVAP canister purge solenoid valve.
44. Install the air cleaner assembly.





45. Connect the brake booster vacuum hose (2) to the intake manifold.
46. Position the clamp (1) on the brake booster vacuum hose connection.
47. Connect ground wire from frame, near battery box.
48. Connect the ECM connector to the under-hood fuse block.
49. Install the fuel injector sight shield.
50. Install the battery box, battery and ECM.
51. Fill the engine with engine oil.
52. Fill the engine with coolant.
53. Check the transaxle fluid level.
54. Charge the AC system.
55. Prime the fuel system.
a. Cycle the ignition ON for 5 seconds then OFF for 10 seconds. Repeat cycling twice.
b. Crank the engine until it starts. The maximum starter motor cranking time is 20 seconds.
c. If the engine does not start, repeat the steps.