Operation CHARM: Car repair manuals for everyone.
Manuals through 2025 now available!

Our trusted friends have launched a new website named LEMON, which has newer manuals. It also contains all the CHARM manuals.

LEMON is the spiritual successor to CHARM, I recommend you try it!

Link: lemon-manuals.la or lemon-manuals.org.ua

(Some people have issue connecting. LEMON is investigating. For now, use Firefox or change your DNS server)

Or, hide this message: temporarily or permanently

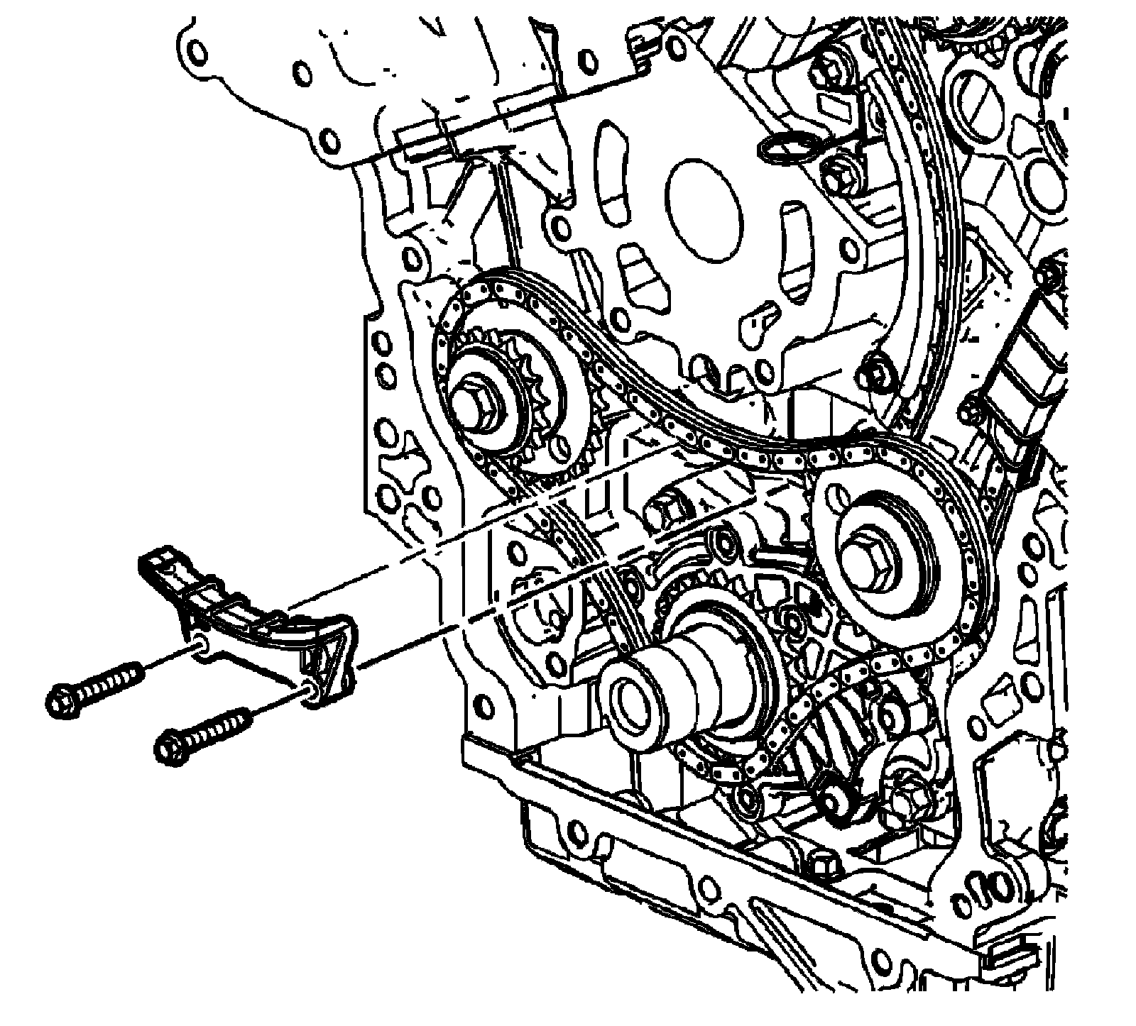
Primary Camshaft Drive Chain Guide Replacement Upper

Primary Camshaft Drive Chain Guide Replacement Upper

Removal Procedure





1. Remove the spark plugs in order to ease crankshaft/engine rotation.
2. Remove the engine front cover.
3. Remove the primary camshaft drive chain tensioner.
4. Remove the primary upper camshaft drive chain guide.

Installation Procedure





1. Install the primary upper camshaft drive chain guide.
2. Install the primary camshaft drive chain tensioner.
3. Install the engine front cover.
4. Install the spark plugs.