Operation CHARM: Car repair manuals for everyone.
Manuals through 2025 now available!

Our trusted friends have launched a new website named LEMON, which has newer manuals. It also contains all the CHARM manuals.

LEMON is the spiritual successor to CHARM, I recommend you try it!

Link: lemon-manuals.la or lemon-manuals.org.ua

(Some people have issue connecting. LEMON is investigating. For now, use Firefox or change your DNS server)

Or, hide this message: temporarily or permanently

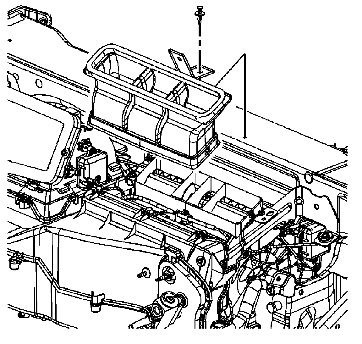
Windshield Defroster Duct Replacement

Windshield Defroster Duct Replacement




Removal Procedure
1. Remove the instrument panel upper trim panel. Refer to [Instrument Panel Upper Trim Panel Replacement].
2. Remove the windshield defrost duct from the HVAC module.




Installation Procedure
1. Inspect the windshield defrost duct seals. If damaged, replace using Kent Industries adhesive back foam tape P/N 46485 or equivalent.
2. Install the windshield defrost duct to the HVAC module.
3. Install the instrument panel upper trim panel. Refer to [Instrument Panel Upper Trim Panel Replacement].