Operation CHARM: Car repair manuals for everyone.
Manuals through 2025 now available!

Our trusted friends have launched a new website named LEMON, which has newer manuals. It also contains all the CHARM manuals.

LEMON is the spiritual successor to CHARM, I recommend you try it!

Link: lemon-manuals.la or lemon-manuals.org.ua

(Some people have issue connecting. LEMON is investigating. For now, use Firefox or change your DNS server)

Or, hide this message: temporarily or permanently

Condenser HVAC: Service and Repair

Condenser Replacement

Special Tool
J 39400-A Halogen Leak Detector

Removal Procedure
1. Recover the refrigerant. Refer to [Refrigerant Recovery and Recharging].




2. Remove the front fascia. Refer to [Front Bumper Fascia Replacement].




3. Remove the battery box air duct.




4. Remove the condenser radiator fan module (CRFM) closeout panel.
5. Remove the liquid line nut from the condenser.
6. Remove the liquid line from the condenser.




7. Install a protective cap to the liquid line to prevent contamination and desiccant saturation.
8. Remove the compressor hose nut from the condenser.
9. Remove the compressor hose from the condenser.




10. Install a protective cap to the compressor hose to prevent contamination and desiccant saturation.
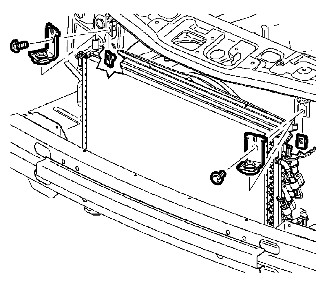
11. Remove the CRFM bracket bolts from the radiator support.




12. Remove the CRFM brackets from the vehicle.
13. Remove the bolts retaining the top of the condenser to the radiator.
14. Remove the condenser from the vehicle.




Installation Procedure
1. Add the specified amount of PAG oil to the condenser. Refer to [Refrigerant System Capacities].
2. Inspect the radiator to condenser seals for the proper position.
3. Install the condenser to the lower retention clips on the radiator.

CAUTION: Refer to [Fastener Notice].




4. Install the bolts to retain the top of the condenser to the radiator.

Tightening torque
Tighten the bolts to 9 N.m (80 lb.in).

5. Install the CRFM brackets to the vehicle.




6. Install the CRFM bracket bolts to the radiator support.

Tightening torque
Tighten the bolts to 20 N.m (15 lb.ft).

7. Remove the protective cap from the compressor hose.
8. Install a new sealing washer to the compressor hose. Refer to [Sealing Washer Replacement].
9. Install the compressor hose to the condenser.




10. Install compressor hose nut to the condenser.

Tightening torque
Tighten the bolts to 20 N.m (15 lb.ft).

11. Install a new seal washer to the liquid line. Refer to [Sealing Washer Replacement].
12. Install the liquid line to the condenser.




13. Install the liquid line nut to the condenser.

Tightening torque
Tighten the bolts to 20 N.m (15 lb.ft).




14. Install the CRFM closeout panel.
15. Install the battery box air duct.
16. Install the front fascia. Refer to [Front Bumper Fascia Replacement].
17. Evacuate and charge the A/C system. Refer to [Refrigerant Recovery and Recharging].
18. Test the affected A/C joints leaks using J 39400-A.