Operation CHARM: Car repair manuals for everyone.
Manuals through 2025 now available!

Our trusted friends have launched a new website named LEMON, which has newer manuals. It also contains all the CHARM manuals.

LEMON is the spiritual successor to CHARM, I recommend you try it!

Link: lemon-manuals.la or lemon-manuals.org.ua

(Some people have issue connecting. LEMON is investigating. For now, use Firefox or change your DNS server)

Or, hide this message: temporarily or permanently

HVAC Module Assembly Replacement

HVAC Module Assembly Replacement

Special Tool
J 39400-A Halogen Leak Detector

1. Disable the Supplemental Inflatable Restraints (SIR) system. Refer to [SIR Disabling and Enabling].
2. Recover the refrigerant. Refer to [Refrigerant Recovery and Recharging].




3. Drain the engine coolant. Refer to [Draining and Filling Cooling System (LY7 GE 47716 Fill)] [Draining and Filling Cooling System (LY7 Static Fill)].
4. Remove the evaporator outlet hose and liquid line nut from the thermal expansion valve (TXV).
5. Remove the evaporator outlet hose from the TXV.
6. Remove and discard the sealing washer from the evaporator outlet hose. Refer to [Sealing Washer Replacement].
7. Remove the evaporator outlet hose and liquid line from the TXV.
8. Remove and discard the sealing washer from the liquid line. Refer to [Sealing Washer Replacement].




9. Install a protective caps to the evaporator outlet hose and the liquid line to prevent contamination and desiccant saturation.
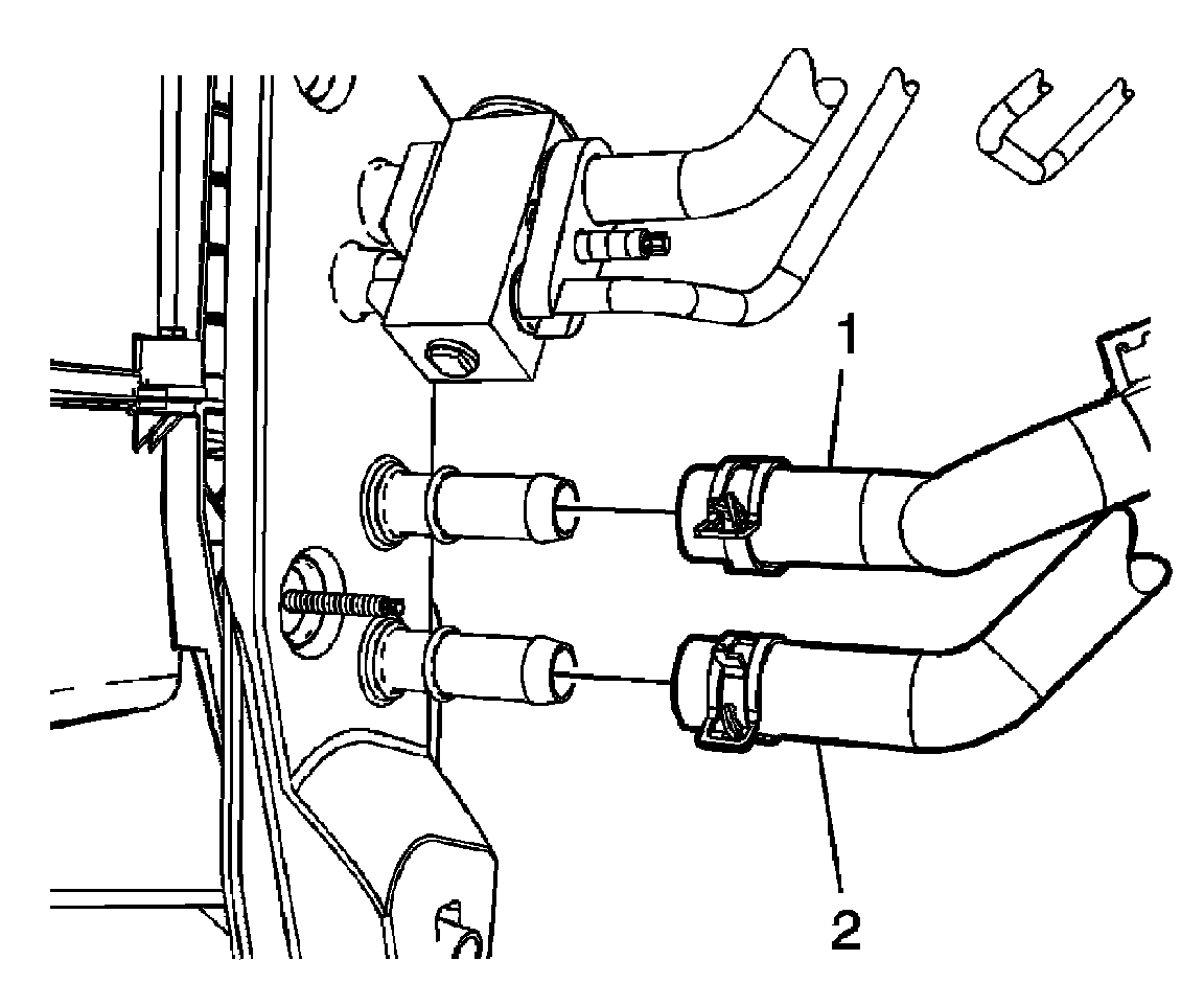
10. Reposition the heater outlet hose clamp at the heater core.
11. Remove the heater outlet hose from the heater core.
12. Reposition the heater inlet hose clamp at the heater core.
13. Remove the heater inlet hose at the heater core.




14. Plug the heater core and the evaporator core with clean towels to prevent spillage when the HVAC module is removed.
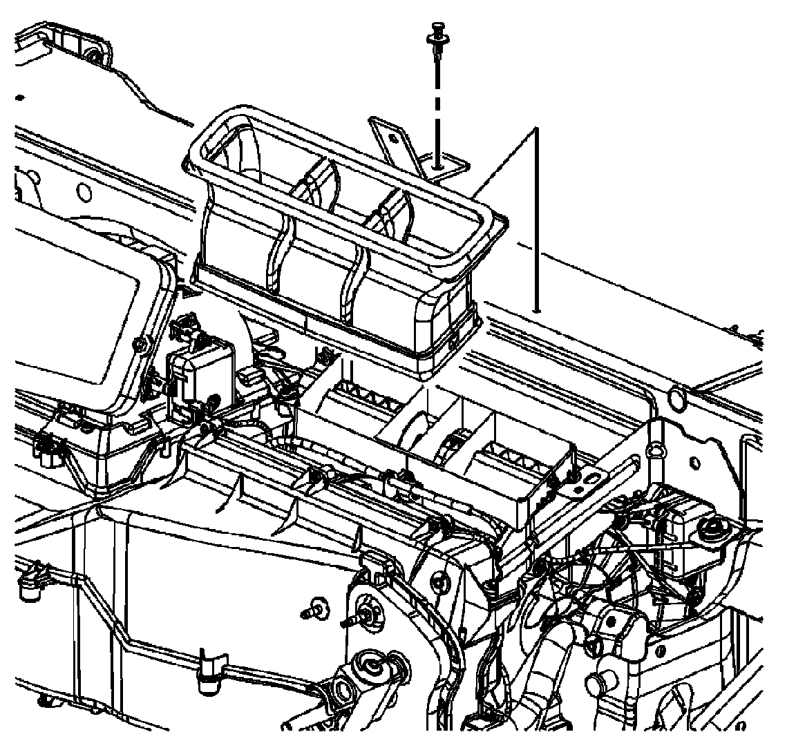
15. Remove the HVAC module seal nuts from the front of dash.
16. Remove the instrument panel (I/P) retainer. Refer to [Instrument Panel Retainer Replacement].




17. Remove the shift control bracket. Refer to [Shift Control Replacement] for the AF33-5 transaxle.




18. Remove the center floor air outlet duct by sliding the duct forward then up at the rear.
19. Remove the center I/P air outlet duct retainers from the instrument panel tie bar.
20. Remove the center I/P air outlet duct from the instrument panel tie bar.
21. Remove the instrument panel tie bar. Refer to [Instrument Panel Tie Bar Replacement].
22. Disconnect the blower motor electrical connector from the I/P wire harness.
23. Disconnect the blower motor control module electrical connector from the I/P wire harness.




24. Disconnect the HVAC module electrical connector from the I/P wire harness.
25. Remove the defroster duct retainer from the instrument panel tie bar.
26. Remove the defroster duct from the HVAC module.




27. Disconnect the I/P wire harness clips from the HVAC module.
28. Remove the HVAC module from the vehicle.




Installation Procedure

NOTE: Make sure the HVAC module seals are flush and even as they meet their mating surfaces. This will reduce the chance of leaks and ensure proper fit.

1. Inspect the front of dash seal for proper alignment.
2. Inspect the seal mating surfaces to ensure there are no obstructions.
3. Position the HVAC module in the vehicle.
4. Install, but do not tighten, the seal nuts to the front of dash.




5. Install the instrument panel tie bar. Refer to [Instrument Panel Tie Bar Replacement].

CAUTION: Refer to [Fastener Notice].

NOTE: New front of dash seal nuts must be used to prevent leaks.




6. Tighten the HVAC module seal nuts to the front of dash. Draw the HVAC module to the front of dash evenly by alternating between the seal nuts.

Tightening torque
Tighten the nuts to 8 N.m (71 lb.in).

7. Install the defroster duct to the HVAC module.
8. Install the defroster duct retainer to the instrument panel tie bar.
9. Connect the I/P wire harness clips to the HVAC module.
10. Connect the blower motor electrical connector to the I/P wire harness.
11. Connect the blower motor control module electrical connector to the I/P wire harness.




12. Connect the HVAC module electrical connector to the I/P wire harness.
13. Install the center I/P duct to the instrument panel tie bar.




14. Install the center I/P duct retainers to the instrument panel tie bar.
15. Install the center floor air outlet by sliding forward onto the front floor air outlet then down and rearward over the rear floor air outlet.
16. Install the shift control bracket. Refer to [Shift Control Replacement] for the AF33-5 transaxle.




17. Install the I/P retainer. Refer to [Instrument Panel Retainer Replacement].
18. Install the heater inlet hose to the heater core.
19. Install the heater inlet hose clamp to the heater core.
20. Install the heater outlet hose to heater core outlet.




21. Install the heater outlet hose clamp to the heater core.
22. Ensure the mating surfaces are clean and free of debris, and install new seal washers to the evaporator outlet hose and the liquid line. Refer to [Sealing Washer Replacement].
23. Install the evaporator outlet hose and the liquid line to the TXV.
24. Install the evaporator outlet hose and liquid line nut to the TXV.

Tightening torque
Tighten the nut to 20 N.m (15 lb.ft).

25. Enable the Supplemental Inflatable Restraints (SIR) system. Refer to [SIR Disabling and Enabling].
26. Fill the coolant. Refer to [Draining and Filling Cooling System (LY7 GE 47716 Fill)] [Draining and Filling Cooling System (LY7 Static Fill)].
27. Evacuate and charge the A/C system. Refer to [Refrigerant Recovery and Recharging].
28. Test the affected A/C joints for leaks using J 39400-A.