Operation CHARM: Car repair manuals for everyone.
Manuals through 2025 now available!

Our trusted friends have launched a new website named LEMON, which has newer manuals. It also contains all the CHARM manuals.

LEMON is the spiritual successor to CHARM, I recommend you try it!

Link: lemon-manuals.la or lemon-manuals.org.ua

(Some people have issue connecting. LEMON is investigating. For now, use Firefox or change your DNS server)

Or, hide this message: temporarily or permanently

Crankshaft Position Sensor: Service and Repair

Crankshaft Position Sensor Replacement




Removal Procedure
1. Raise and support the vehicle. Refer to [Lifting and Jacking the Vehicle].
2. If equipped with all wheel drive (AWD), remove the transfer case. Refer to [Transfer Case Assembly Replacement].




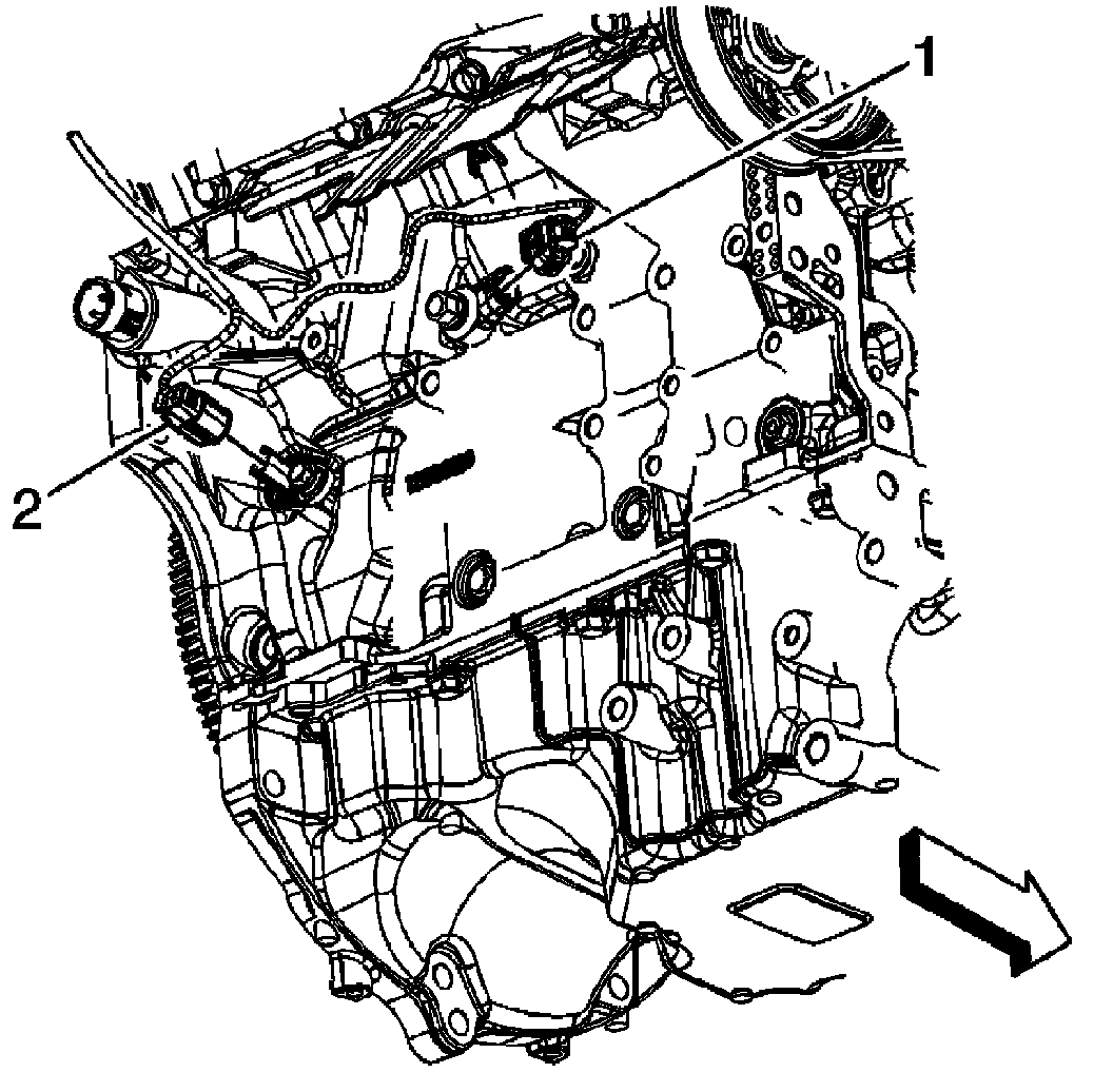
3. Disconnect the engine wiring harness electrical connector (2) from the crankshaft position (CKP) sensor.
4. Remove the crankshaft sensor bolt.
5. Remove the crankshaft sensor.




Installation Procedure

1. Install the crankshaft position sensor.

CAUTION: Refer to [Fastener Notice].




2. Install the crankshaft position sensor bolt.

Tightening torque
Tighten the bolt to 10 N.m (89 lb.in).

3. Connect the engine wiring harness electrical connector to the CKP sensor.
4. If equipped with all AWD, install the transfer case. Refer to [Transfer Case Assembly Replacement].
5. Lower the vehicle.