Knock Sensor Replacement - Bank 1
Knock Sensor Replacement - Bank 1Removal Procedure
1. Raise and support the vehicle. Refer to [Lifting and Jacking the Vehicle].
2. Remove the rear exhaust manifold heat shield bolts and shield.
3. Remove the right catalytic converter. Refer to [Catalytic Converter Replacement - Right Side].
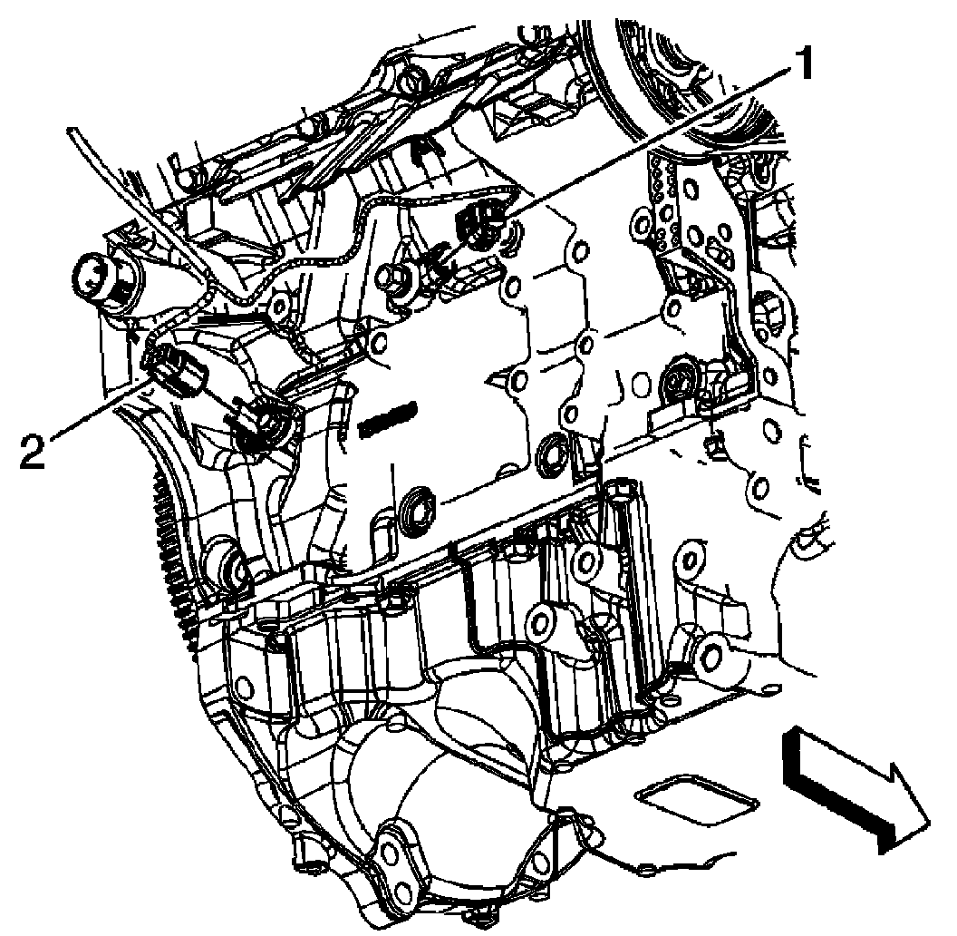
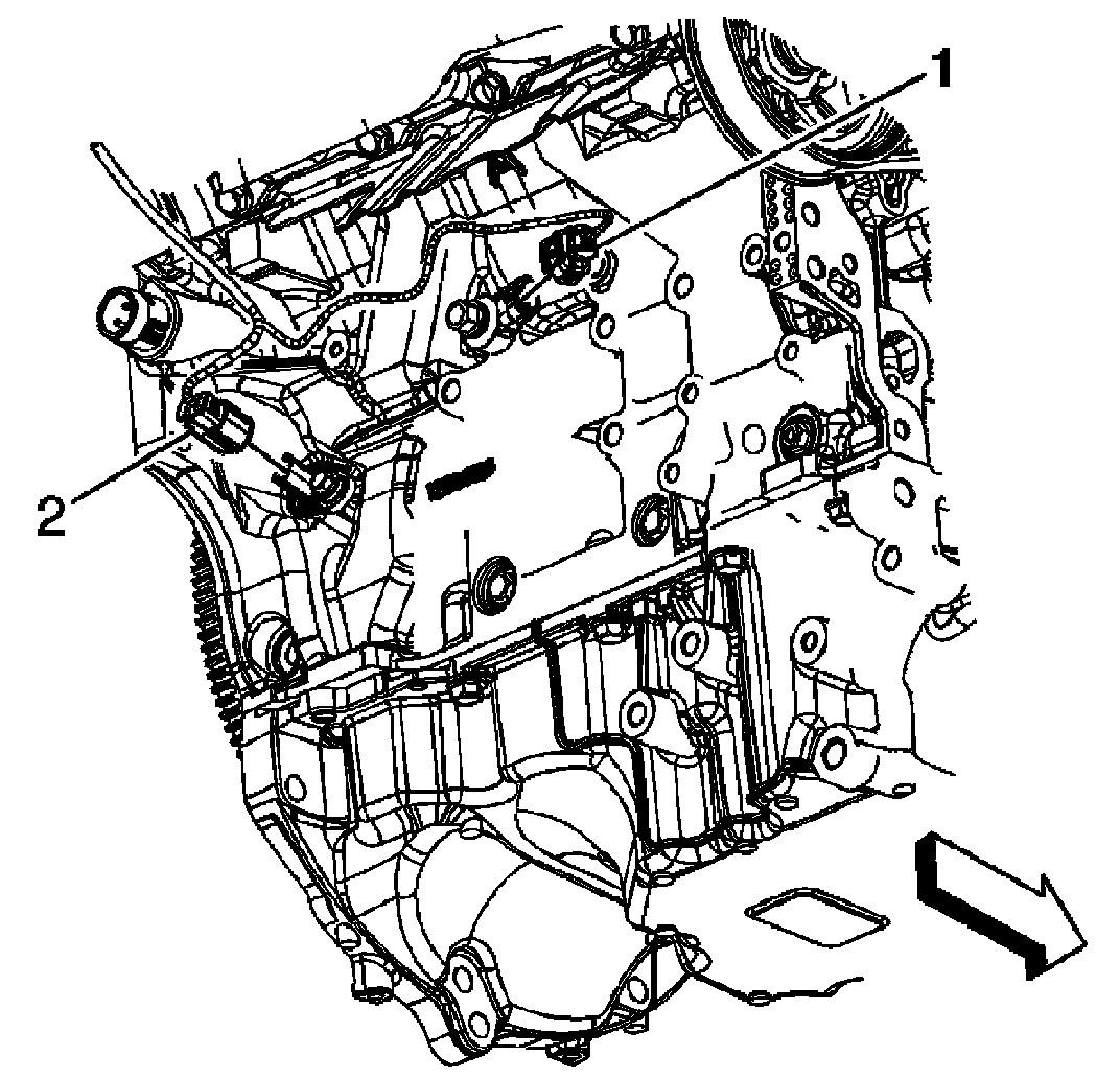
4. Disconnect the engine wiring harness electrical connector (2) from the bank 1 knock sensor.
5. Loosen the knock sensor bolt and remove the knock sensor.
Installation Procedure
CAUTION: Refer to [Fastener Notice].
1. Position the knock sensor and tighten the knock sensor bolt.
Tightening torque
Tighten the bolt to 23 N.m (17 lb.ft).
2. Connect the engine wiring harness electrical connector (2) to the bank 1 knock sensor.
3. Position the rear exhaust manifold heat shield to the engine and install the bolts.
Tightening torque
Tighten the bolts to 50 N.m (37 lb.ft).
4. Install the right catalytic converter. Refer to [Catalytic Converter Replacement - Right Side].
5. Lower the vehicle.