Operation CHARM: Car repair manuals for everyone.
Manuals through 2025 now available!

Our trusted friends have launched a new website named LEMON, which has newer manuals. It also contains all the CHARM manuals.

LEMON is the spiritual successor to CHARM, I recommend you try it!

Link: lemon-manuals.la or lemon-manuals.org.ua

(Some people have issue connecting. LEMON is investigating. For now, use Firefox or change your DNS server)

Or, hide this message: temporarily or permanently

Battery Negative Cable Disconnection and Connection

Battery Negative Cable Disconnection and Connection

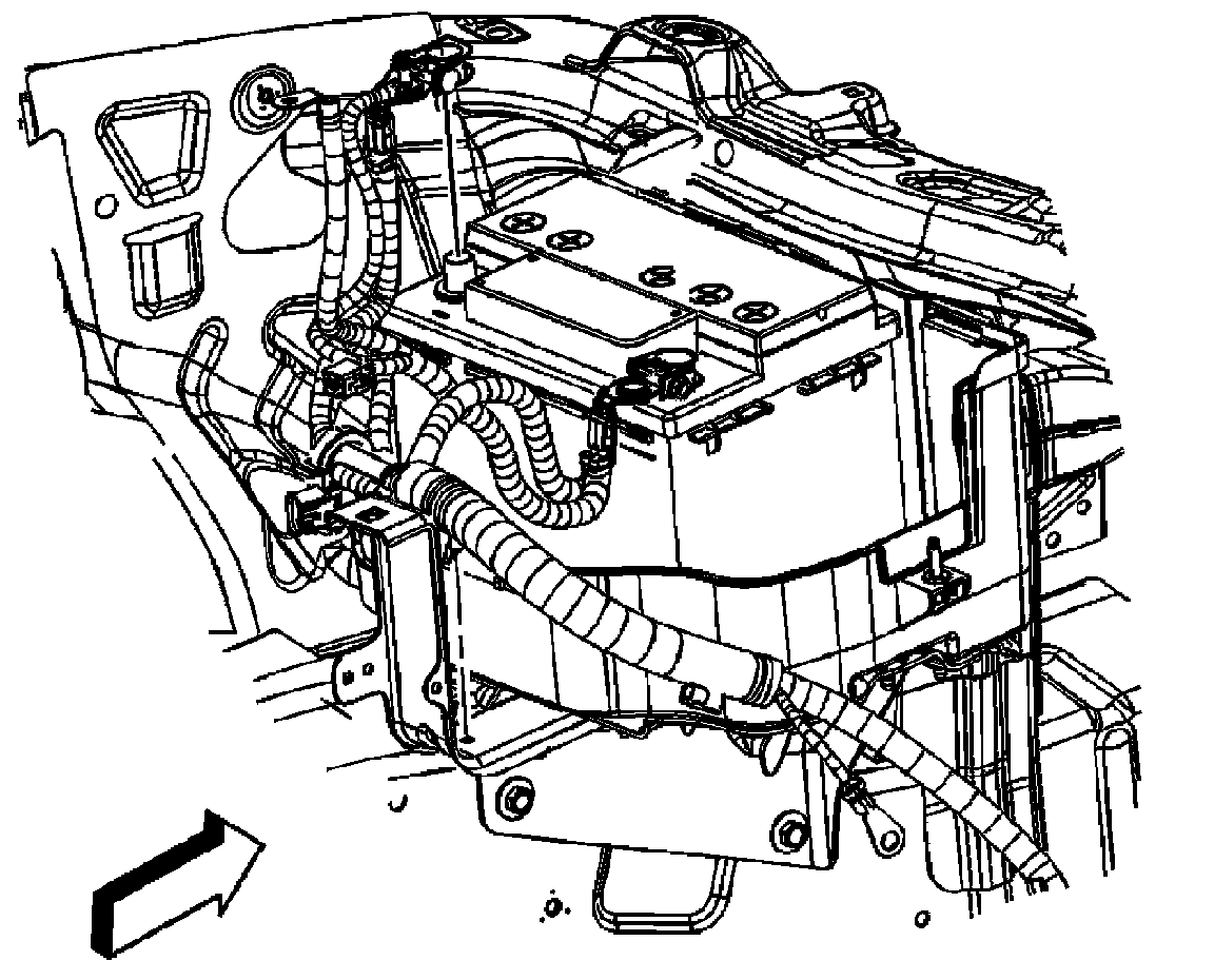
Removal Procedure






WARNING: Refer to [Battery Disconnect Caution].

1. Record all of the customers radio station presets.
2. Turn OFF all the lamps and accessories.
3. Make sure the ignition switch is in the OFF position.




4. Grasp the engine control module (ECM) and slide the retainer rearward until the retainer disengages from the 4 clips on the battery cover. Reposition the ECM out of the way.
5. Release the side snap retainers (1).
6. Remove the battery box cover (3) from the retaining tabs (2).




7. Remove the battery box cover (3).
8. Loosen the battery negative cable terminal bolt.
9. Remove the battery negative cable from the battery.




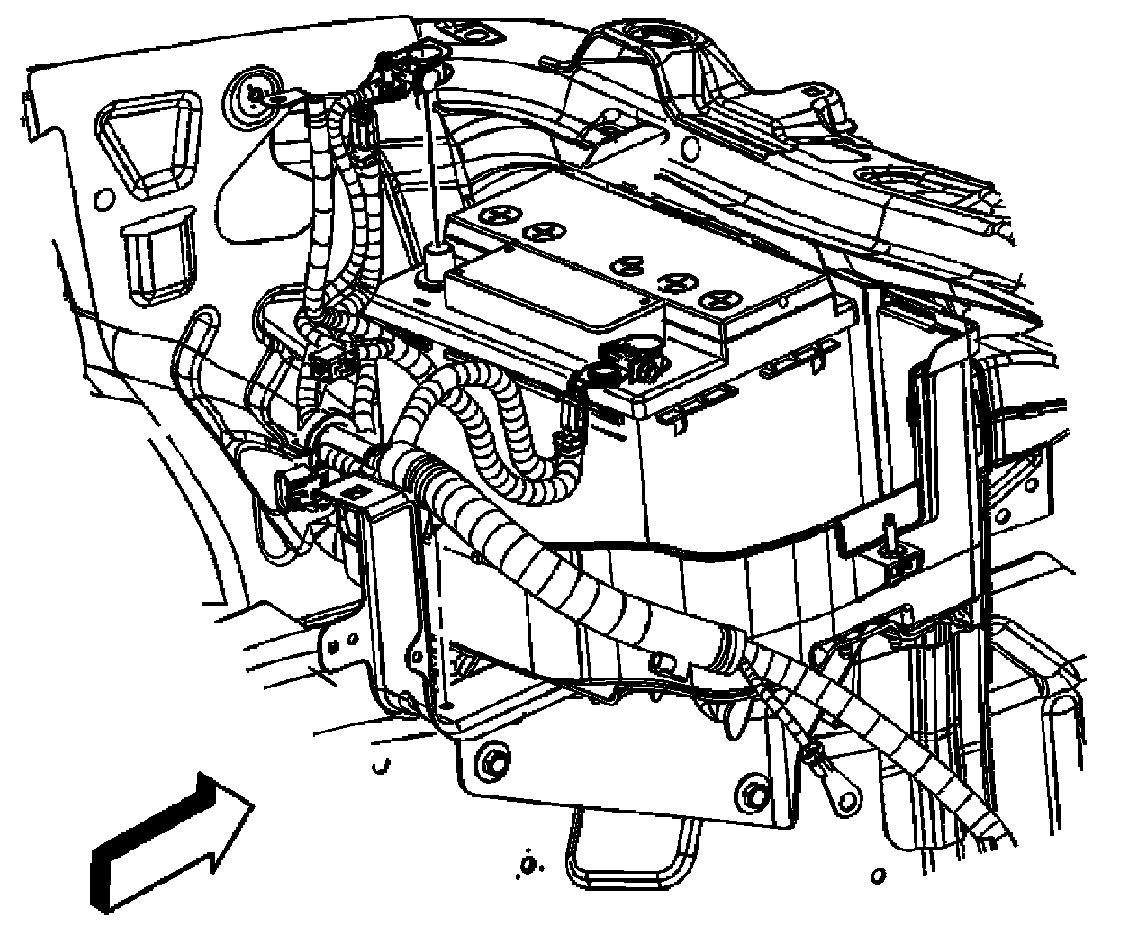
Installation Procedure

CAUTION: Refer to [Fastener Notice].

NOTE: Clean any existing corrosion from the battery terminal bolt flange and the battery cable end.




1. Install the battery negative cable to the battery.

Tightening torque
Tighten the battery negative cable terminal bolt to 17 N.m (13 lb.ft).

2. Insert the battery box cover (3) into the retaining (2).




3. Lock the side snap retainers (1).
4. Grasp the ECM retainer and slide the retainer forward until the retainer locks against the 4 clips on the battery cover.
5. Program all of the customer's radio station presets and set the radio clock to the current time.