Operation CHARM: Car repair manuals for everyone.
Manuals through 2025 now available!

Our trusted friends have launched a new website named LEMON, which has newer manuals. It also contains all the CHARM manuals.

LEMON is the spiritual successor to CHARM, I recommend you try it!

Link: lemon-manuals.la or lemon-manuals.org.ua

(Some people have issue connecting. LEMON is investigating. For now, use Firefox or change your DNS server)

Or, hide this message: temporarily or permanently

Battery Negative Cable Replacement

Battery Negative Cable Replacement




Removal Procedure

NOTE:
^ Always use replacement cables that are of the same type, diameter and length of the cables that you are replacing.
^ Always route the replacement cable the same way as the original cable.

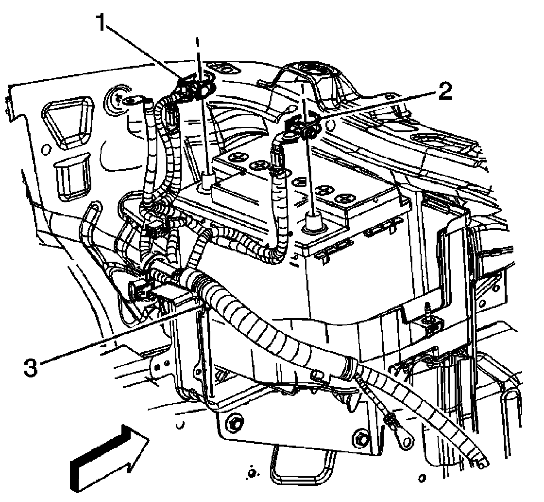
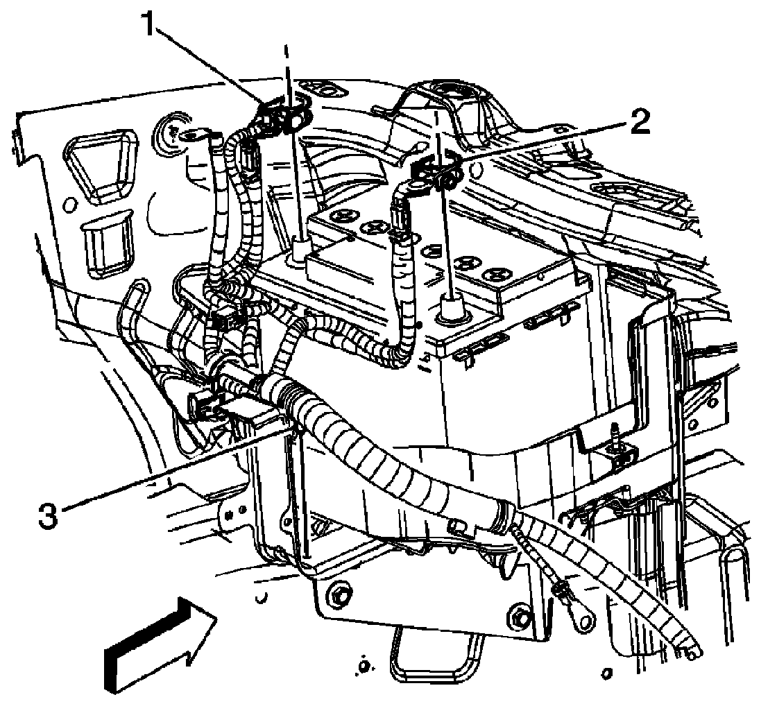
1. Remove the battery box. Refer to [Battery Box Replacement].
2. Disconnect the positive and negative battery cable clip (3) from the battery tray support bracket.




3. Disconnect the positive and negative battery cable clip on the side of the battery tray support bracket.
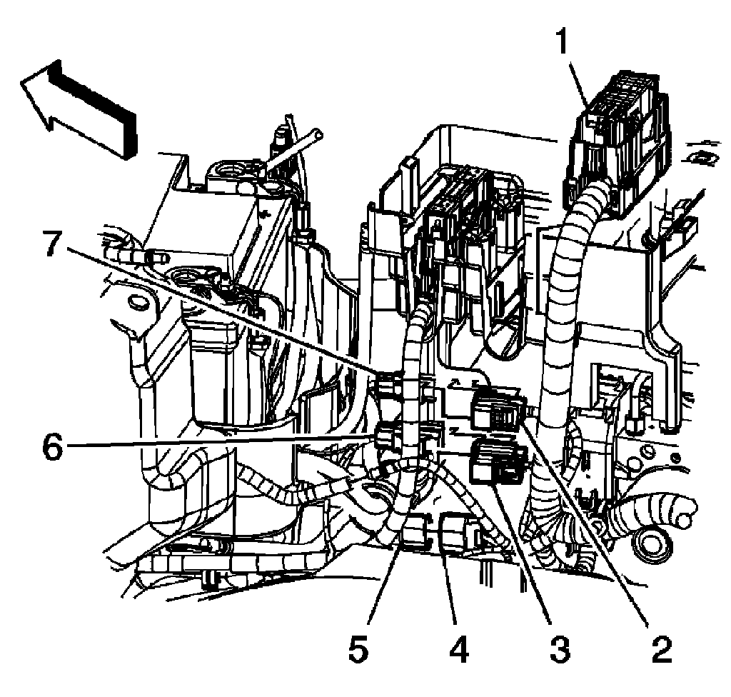
4. Disconnect the negative battery cable electrical connector (7) from the body wiring harness electrical connector (2).




5. Disconnect the body wiring harness electrical connector (4) from the battery current sensor (5).
6. Remove the negative battery cable ground terminal nut from the wheelhouse stud.




7. Remove the negative battery cable ground terminal from the wheelhouse stud.
8. Remove the negative battery cable ground terminal nut (2) from the transaxle stud.
9. Remove the negative battery cable ground terminal (1) from the transaxle stud.
10. Cut the tape and remove the negative battery cable from the wiring loom.




Installation Procedure
1. Install the negative battery cable to the wiring loom and re-tape the loom.
2. Install the negative battery cable ground terminal (1) to the transaxle stud.

CAUTION: Refer to [Fastener Notice].




3. Install the negative battery cable ground terminal nut (2) to the transaxle stud.

Tightening torque
Tighten the nut to 45 N.m (33 lb.ft).

4. Install the negative battery cable ground terminal to the wheelhouse stud.




5. Install the negative battery cable ground terminal nut to the wheelhouse stud.

Tightening torque
Tighten the nut to 12 N.m (106 lb.in).

6. Connect the body wiring harness electrical connector (4) to the battery current sensor (5).




7. Connect the negative battery cable electrical connector (7) to the body wiring harness electrical connector (2).
8. Connect the positive and negative battery cable clip (3) to the battery tray support bracket.
9. Connect the positive and negative battery cable clip to the side of the battery tray support bracket.
10. Install the battery box. Refer to [Battery Box Replacement].