Operation CHARM: Car repair manuals for everyone.
Manuals through 2025 now available!

Our trusted friends have launched a new website named LEMON, which has newer manuals. It also contains all the CHARM manuals.

LEMON is the spiritual successor to CHARM, I recommend you try it!

Link: lemon-manuals.la or lemon-manuals.org.ua

(Some people have issue connecting. LEMON is investigating. For now, use Firefox or change your DNS server)

Or, hide this message: temporarily or permanently

Positive: Service and Repair

Battery Positive Cable Replacement




Removal Procedure

NOTE:
^ Always use replacement cables that are of the same type, diameter and length of the cables that you are replacing.
^ Always route the replacement cable the same way as the original cable.

1. Remove the battery. Refer to [Battery Replacement].




2. Remove the underhood bussed electrical center (UBEC) cover.
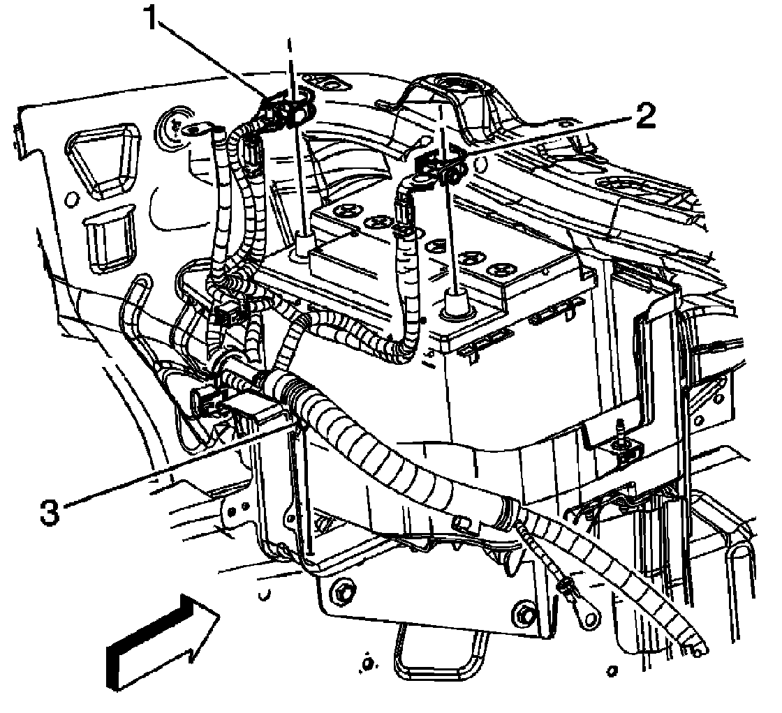
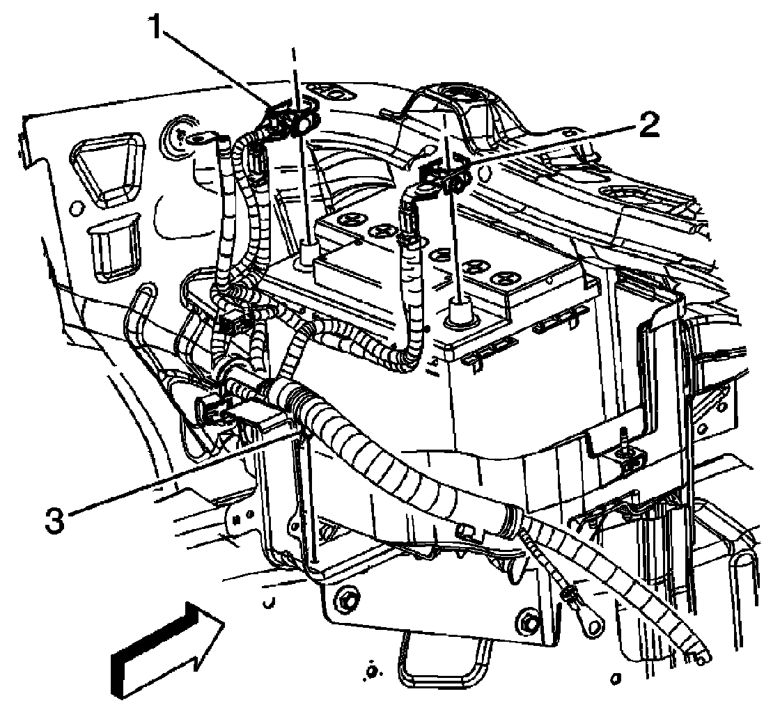
3. Remove the positive battery cable terminal nut (1) from the UBEC stud.




4. Remove the positive battery cable terminal (2) from the UBEC stud.
5. Remove the battery box. Refer to [Battery Box Replacement].
6. Disconnect the positive and negative battery cable clip (3) from the battery tray support bracket.
7. Disconnect the positive and negative battery cable clip on the side of the battery tray support bracket.




8. Raise and support the vehicle. Refer to [Lifting and Jacking the Vehicle].
9. Remove the positive battery cable terminal to starter solenoid nut (6).
10. Remove the positive battery cable from the engine wiring harness clip (3).
11. Remove the positive battery cable (4) lead from the starter solenoid.
12. Cut the tape and remove the positive battery cable from the wire loom.




Installation Procedure
1. Install the positive battery cable to the wire loom and re-tape the loom.
2. Install the positive battery cable (4) lead to the starter solenoid.
3. Install the positive battery cable to the engine wiring harness clip (3).

CAUTION: Refer to [Fastener Notice].

4. Install the positive battery cable terminal to starter solenoid nut (6).

Tightening torque
Tighten the nut to 10 N.m (89 lb.in).




5. Lower the vehicle.
6. Connect the positive and negative battery cable clip (3) to the battery tray support bracket.
7. Connect the positive and negative battery cable clip to the side of the battery tray support bracket.




8. Install the battery box. Refer to [Battery Box Replacement].
9. Install the positive battery cable terminal (2) to the UBEC stud.




10. Install the positive battery cable terminal nut (1) to the UBEC stud.

Tightening torque
Tighten the nut to 15 N.m (11 lb.ft).

11. Install the UBEC cover.
12. Install the battery. Refer to [Battery Replacement].