Operation CHARM: Car repair manuals for everyone.
Manuals through 2025 now available!

Our trusted friends have launched a new website named LEMON, which has newer manuals. It also contains all the CHARM manuals.

LEMON is the spiritual successor to CHARM, I recommend you try it!

Link: lemon-manuals.la or lemon-manuals.org.ua

(Some people have issue connecting. LEMON is investigating. For now, use Firefox or change your DNS server)

Or, hide this message: temporarily or permanently

Battery Box Replacement

Battery Box Replacement

Removal Procedure




1. Remove the battery. Refer to [Battery Negative Cable Disconnection and Connection].




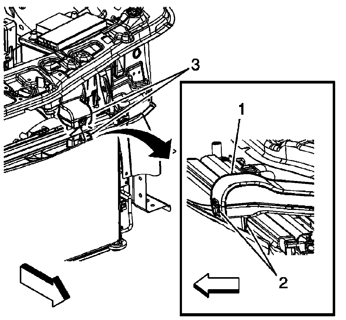
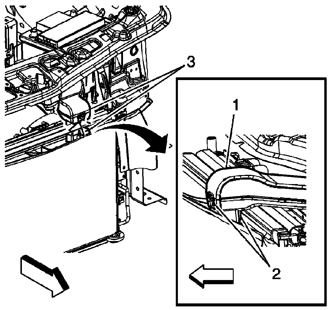
2. Remove the battery vent tube from the battery box.
3. Release the locking clips (2) from the battery vent tube (1).




4. Remove the battery vent tube (1) from the upper radiator air deflector (3).
5. Remove the battery box mounting bolts.
6. Remove the battery box.




Installation Procedure
1. Position the battery box on the battery tray.

CAUTION: Refer to [Fastener Notice].




2. Install the battery box mounting bolts.

Tightening torque
Tighten the bolts to 20 N.m (15 lb.ft).

3. Install the battery vent tube from the battery box.




4. Install the battery. Refer to [Battery Negative Cable Disconnection and Connection].
5. Lock clips (2) from the battery vent tube (1).
6. Install the battery vent tube (1) to the upper radiator air deflector (3).