Operation CHARM: Car repair manuals for everyone.
Manuals through 2025 now available!

Our trusted friends have launched a new website named LEMON, which has newer manuals. It also contains all the CHARM manuals.

LEMON is the spiritual successor to CHARM, I recommend you try it!

Link: lemon-manuals.la or lemon-manuals.org.ua

(Some people have issue connecting. LEMON is investigating. For now, use Firefox or change your DNS server)

Or, hide this message: temporarily or permanently

Removal and Replacement

Battery Replacement




Removal Procedure




1. Remove the powertrain control module (PCM) (2) from the battery box cover (1) and relocate to the side.
2. Release the locking tab (1) on the side of the battery box.
3. Release the alignment tabs (2) on the front of the battery box.




4. Remove the battery box lid (3).




5. Disconnect the positive and negative battery cables. Refer to [Battery Negative Cable Disconnection and Connection].
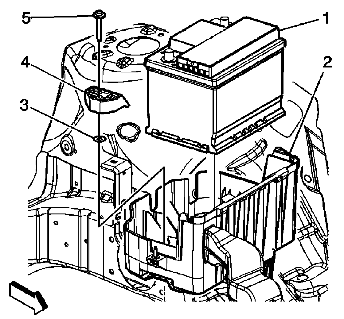
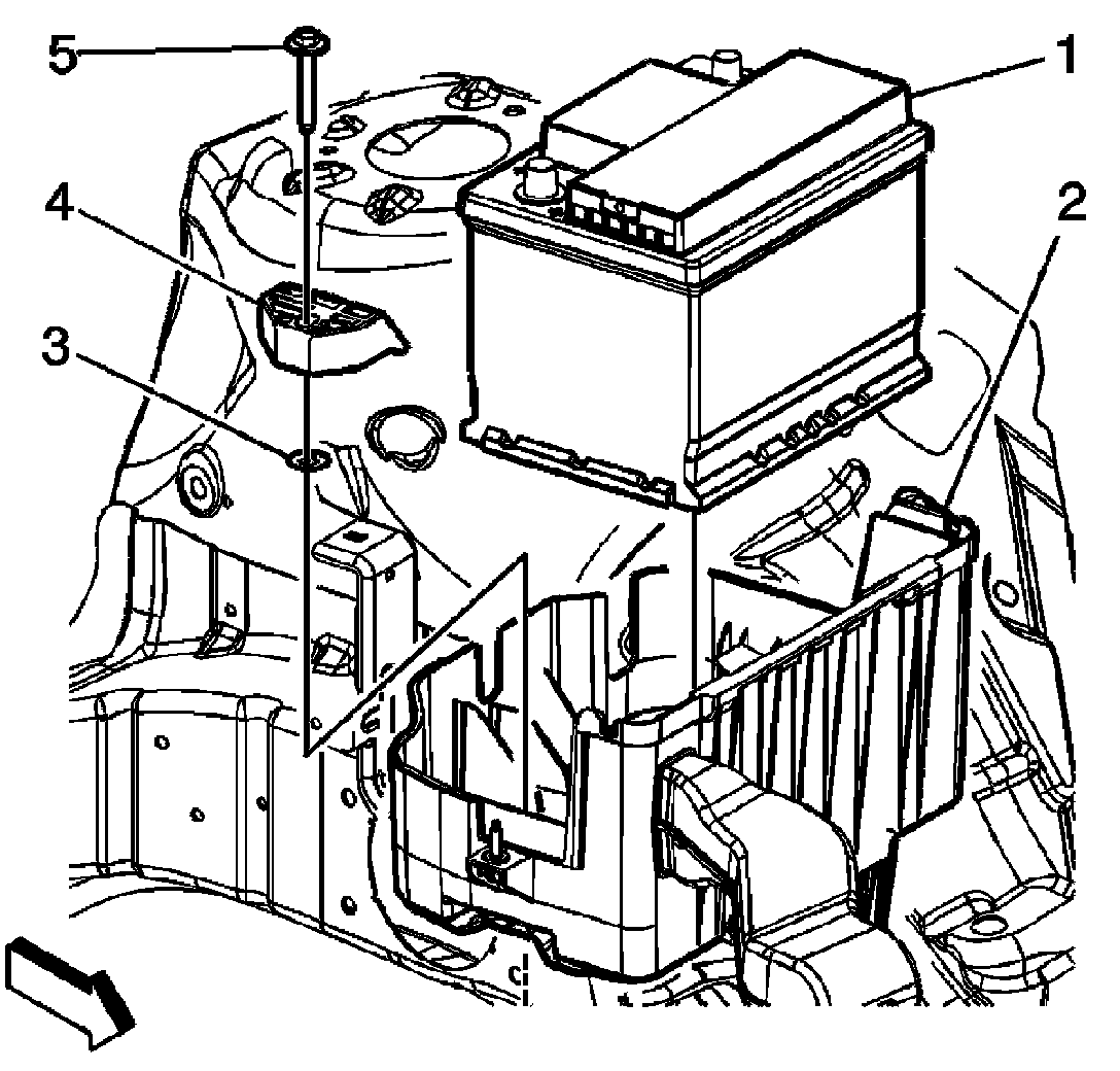
6. Remove the battery hold down bolt (5), battery hold down (4), and washer (3).
7. Remove the battery (1).




Installation Procedure
1. Position the battery (1) in the battery box (2).
2. Install the washer (3) and battery hold down (4).

CAUTION: Refer to [Fastener Notice].




3. Install the hold down bolt (5).

Tightening torque
Tighten the hold down bolt to 15 N.m (11 lb.ft).




4. Install the positive and negative battery cables. Refer to [Battery Negative Cable Disconnection and Connection].
5. Position the battery lid (3) so that the alignment tabs (2) are in position.




6. Lock the locking tabs (1) on the side of the battery box.
7. Install the PCM (2) on the battery box cover (1).