Operation CHARM: Car repair manuals for everyone.
Manuals through 2025 now available!

Our trusted friends have launched a new website named LEMON, which has newer manuals. It also contains all the CHARM manuals.

LEMON is the spiritual successor to CHARM, I recommend you try it!

Link: lemon-manuals.la or lemon-manuals.org.ua

(Some people have issue connecting. LEMON is investigating. For now, use Firefox or change your DNS server)

Or, hide this message: temporarily or permanently

System Diagram

Engine Control System: Wiring Diagram [QR25DE]

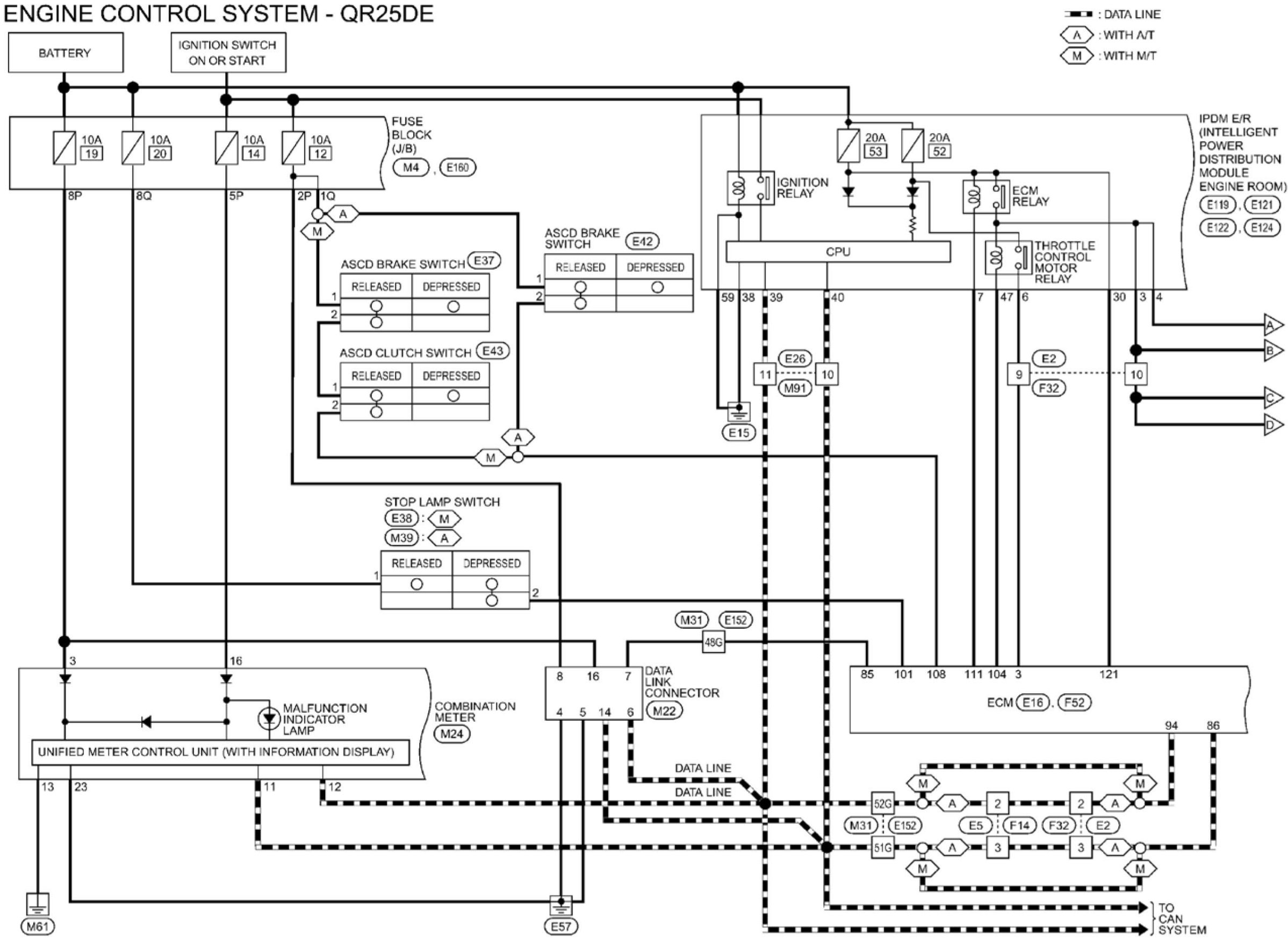
Engine Control System - QR25DE

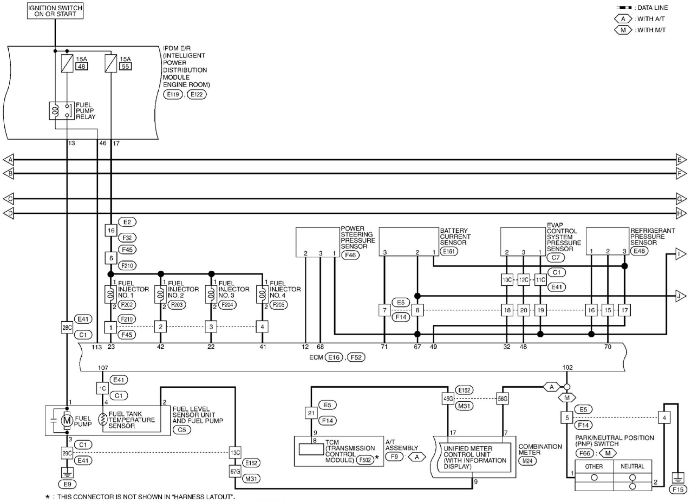
Engine Control System (Part 1):




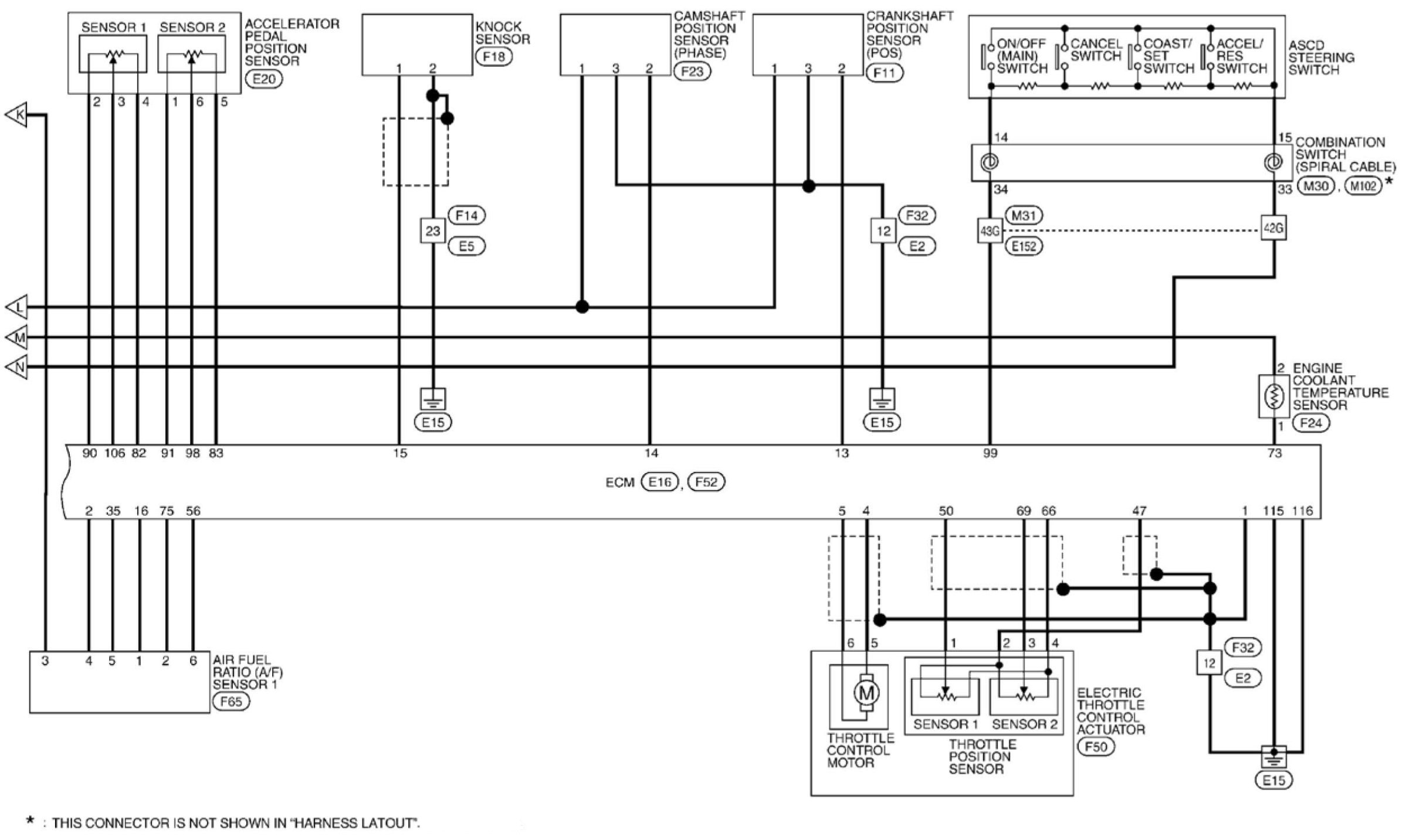
Engine Control System (Part 2):




Engine Control System (Part 3):




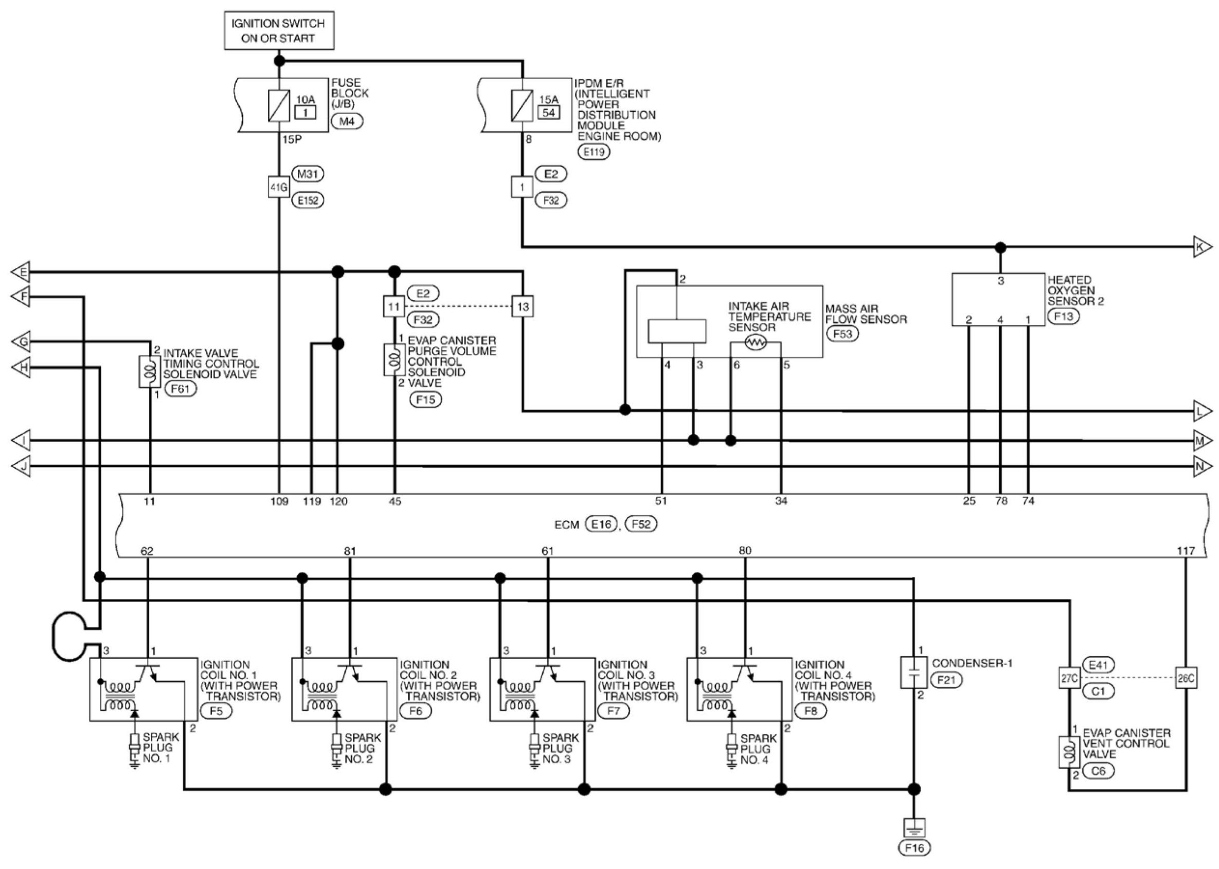
Engine Control System (Part 4):






Engine Control System Connectors - QR25DE

Engine Control System Connectors (Part 1):




Engine Control System Connectors (Part 2):




Engine Control System Connectors (Part 3):




Engine Control System Connectors (Part 4):




Engine Control System Connectors (Part 5):




Engine Control System Connectors (Part 6):




Engine Control System Connectors (Part 7):




Engine Control System Connectors (Part 8):




Engine Control System Connectors (Part 9):




Engine Control System Connectors (Part 10):




Engine Control System Connectors (Part 11):




Engine Control System Connectors (Part 12):




Engine Control System Connectors (Part 13):