Operation CHARM: Car repair manuals for everyone.
Manuals through 2025 now available!

Our trusted friends have launched a new website named LEMON, which has newer manuals. It also contains all the CHARM manuals.

LEMON is the spiritual successor to CHARM, I recommend you try it!

Link: lemon-manuals.la or lemon-manuals.org.ua

(Some people have issue connecting. LEMON is investigating. For now, use Firefox or change your DNS server)

Or, hide this message: temporarily or permanently

Disassembly and Assembly

Engine Unit: Disassembly and Assembly

DISASSEMBLY

NOTE:
Explained here is how to disassemble with engine stand supporting transmission surface. When using different type of engine stand, some steps may be different.

1) Remove the engine and the transmission assembly from the vehicle, and separate the transmission assembly from the engine.
2) Remove clutch cover and clutch disc (M/T models).
3) Remove flywheel (M/T models) or drive plate (A/T models) with power tool.





^ Secure crankshaft with a stopper plate, and remove bolts.
^ Loosen bolts using suitable tool.
Flywheel (M/T models): size T55 (commercial service tool)
Drive plate (A/T models): size E20

CAUTION:
Be careful not to damage or scratch drive plate (A/T models) and contact surface for clutch disc of flywheel (M/T models).


NOTE:
The flywheel, two block construction, allows movement in response to transmission side pressure, or when twisted in its rotational direction. Therefore, some amount of noise is normal.

4) Lift engine, and mount to engine stand.

CAUTION:
Before removing the hanging chains, make sure the engine stand is stable and there is no risk of overturning.


^ A widely used engine stand can be used.





CAUTION:
Use engine stand that has a load capacity [approximately 240kg (529 lb) or more] large enough for supporting the engine weight.


5) Drain engine oil.
6) Drain engine coolant by removing water drain plug from side of the engine.





7) Remove cylinder head.
8) Remove knock sensor.

CAUTION:
Carefully handle knock sensor avoiding shocks.


9) Remove crankshaft position sensor (POS).





CAUTION:
^ Avoid impacts such as a dropping.
^ Do not disassemble.
^ Keep it away from metal particles.
^ Do not place the sensor in a location where it is exposed to magnetism.


10) Remove oil pressure switch using a suitable tool.

CAUTION:
Do not drop or shock oil pressure switch.


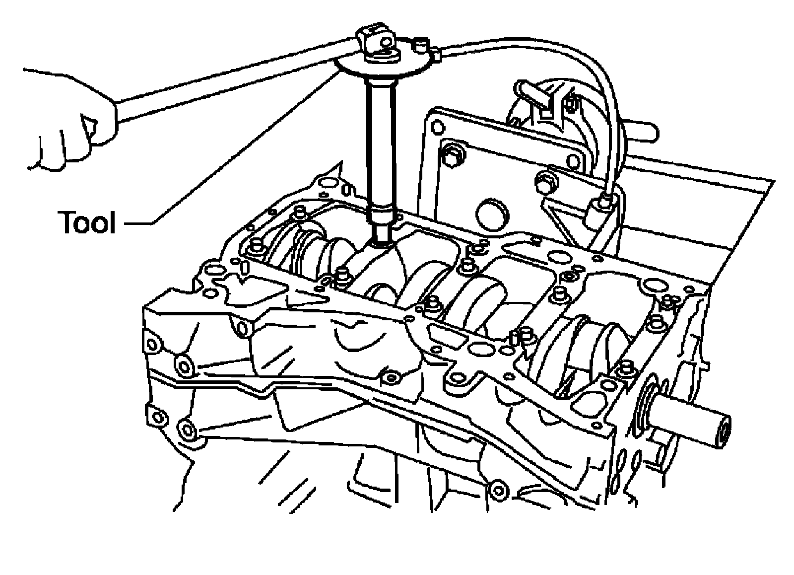
11) Remove pilot converter (A/T models) or pilot bushing (M/T models) using Tool.





Tool number: ST16610001 (3-23907)
12) Remove piston and connecting rod assembly as follows:
^ Before removing piston and connecting rod assembly, check the connecting rod side clearance.

CAUTION:
Be careful no to drop connecting rod bearing, and to scratch the surface.


13) Position crankshaft pin corresponding to connecting rod to be removed onto the bottom dead center.
14) Remove connecting rod bearing cap.
15) Push piston and connecting rod assembly out to the cylinder head side using suitable tool.





CAUTION:
Be careful not to damage the cylinder wall and crankshaft pin, resulting from an interference of the connecting rod big end.


16) Remove connecting rod bearings from connecting rod and connecting rod bearing cap.

CAUTION:
Identify installation position, and store them without mixing them up.


17) Remove piston rings from piston.
^ Before removing piston rings, check the piston ring side clearance.
^ Remove piston rings using piston ring expander or suitable tool.





CAUTION:
^ When removing piston rings, be careful not to damage piston.
^ Be careful not to damage piston rings by expanding them excessively.


18) Remove piston from connecting rod as follows:
a) Remove snap rings using snap ring pliers.





b) Heat piston to 60 degrees to 70 degrees C (140 degrees to 158 degrees F) with an industrial use drier or equivalent.





c) Push out piston pin with stick of outer diameter approximately 19 mm (0.75 in).





19) Remove lower cylinder block bolts.
^ Before loosening lower cylinder block bolts, measure crankshaft end play.
^ Loosen lower cylinder block bolts in reverse order as shown in several different steps.





NOTE:
Use TORX socket (size E14) for bolts No. 1 to 10.

20) Remove lower cylinder block.
^ Use Tool to cut liquid gasket for removal.
Tool number: KV10111100 (J-37228)

CAUTION:
Be careful not to damage the mounting surfaces.


21) Remove crankshaft.

CAUTION:
^ Be careful not damage or deform signal plate mounted on crankshaft.






^ When setting crankshaft on a flat floor surface, use a block of wood to avoid interference between signal plate and the floor surface.
^ Do not remove signal plate unless it is necessary to do so.

NOTE:
When removing or installing signal plate, use TORX socket (size T30).

22) Pull rear oil seal out from rear end of crankshaft.

NOTE:
When replacing rear oil seal without removing lower cylinder block, use a suitable tool to remove the oil seal installed between crankshaft and cylinder block out.

CAUTION:
Be careful not to damage crankshaft and cylinder block.


23) Remove main bearings and thrust bearings from cylinder block and lower cylinder block.

CAUTION:
^ Do not drop main bearing, or scratch the surface.
^ Identify installation positions, and store them without mixing them up.


ASSEMBLY
1) Fully air-blow engine coolant and engine oil passages in cylinder block, cylinder bore and crankcase to remove any foreign material.

WARNING:
Use approved safety glasses to protect your eyes.


2) Apply Silicone RTV Sealant to the drain plugs. Install the drain plugs on the cylinder block.





^ Use Genuine Silicone RTV Sealant, or equivalent.
^ Replace the copper washers with new ones.
3) Install main bearings and thrust bearings as follows:





a) Remove dust, dirt, and engine oil from the bearing mating surfaces of the cylinder block and lower cylinder block.
b) Install the thrust bearings to both sides of the No. 3 main bearing journal on the cylinder block.
^ Install the thrust bearings with the oil groove facing the crankshaft arm (outside).
c) Install the main bearings paying attention to their position and direction.





^ The main bearing with an oil hole and groove goes on the cylinder block. The one without them goes on the lower cylinder block.
^ Only the main bearing (on the cylinder block) for No. 3 journal has different specifications.
^ Before installing the bearings, apply engine oil to the bearing friction surface (inside). Do not apply oil to the back surface, but thoroughly clean it.
^ When installing, align the bearing stopper to the notch.
^ Make sure that the oil holes on the cylinder block and those on the corresponding bearing are aligned.
4) Install the signal plate to the crankshaft.





a) Position the crankshaft and signal plate using a positioning dowel pin, and tighten the signal plate bolts to specification.
Signal plate bolts
Type 1: 18.5 Nm (1.9 kg-m, 14 ft-lb)
Type 2: 22.0 Nm (2.2 kg-m, 16 ft-lb)
b) Remove the dowel pin.

CAUTION:
Be sure to remove dowel pin before installing the crankshaft.


NOTE:
Dowel pins for the crankshaft and signal plate are supplied as a set for each.

5) Install crankshaft to the cylinder block.
^ While turning the crankshaft by hand, check that it turns smoothly.

CAUTION:
Do not install rear oil seal at this time.


6) Apply a continuous bead of liquid gasket using Tool to positions shown and install the lower cylinder block.





Tool number: WS39930000 (-)
^ Use Genuine RTV Silicone Sealant, or equivalent.

CAUTION:
After liquid gasket is applied, the lower cylinder block installation must be finished within 5 minutes.


NOTE:
Cylinder block and lower cylinder block are machined together. Neither of them can be replaced separately.

7) Tighten lower cylinder block bolts in three steps in the order as shown using Tool.





NOTE:
^ Apply new engine oil to threads and seat surfaces of the bolts.

Tool number: KV10112100 (BT-8653-A)

CAUTION:
There are more processes to complete the tightening of lower cylinder bolts. However stop procedure after step 1 and install rear oil seal.

Lower cylinder block bolts
Step 1 (bolts 11 -22): 25.1 Nm (2.6 kg-m, 19 ft-lb)
Step 2 (bolts 1 - 10): 39.2 Nm (4.0 kg-m, 29 ft-lb)
Step 3 (bolts 1 - 10): 60 degrees - 65 degrees (target: 60 degrees)
Apply new engine oil to new rear oil seal and install it using a suitable tool.





CAUTION:
^ Do not touch grease applied onto oil seal lip.
^ Be careful not to damage crankshaft and/or cylinder block.
^ Press fit oil seal straight to avoid causing burrs or tilting.


^ Install new oil seal in the direction shown.








CAUTION:
Check tightening angle using Tool. Do not tighten by visual inspection.






Tool number: KV10112100 (BT-8653-A)
^ Wipe off completely any protruding Silicone RTV Sealant on the exterior of engine.
^ Check crankshaft side clearance.
^ After installing the bolts, make sure that the crankshaft can be rotated smoothly by hand.
8) Install the piston to the connecting rod. Assemble the components in their original positions.
a) Using a snap ring pliers, install the snap ring into the grooves of the piston's rear side.
^ Insert the piston pin snap ring fully into groove.
b) Install the piston to the connecting rod.
^ Using a heat gun, heat the piston [approximately 60° - 70° C (140° - 158° F)] until the piston pin can be pushed in by hand without excessive force. From the front to the rear, insert the piston pin into the piston and the connecting rod.
^ Assemble so that the front mark on the piston crown and the oil holes and the cylinder No. on the connecting rod are positioned as shown.





c) Install the piston pin snap ring into the front of the piston.
^ Check that the connecting rod moves smoothly.
9) Using a piston ring expander, install the piston rings. Assemble the components in their original positions.





CAUTION:
^ When installing piston rings, be careful not to damage piston.
^ Be careful not to damage piston rings by expanding them excessively.


^ Position each ring with the gap as shown, referencing the piston front mark as the starting point.
^ Install the top ring and the second ring with the stamped surface facing upward.
Stamped mark: 2ND (second ring)
10) Install the connecting rod bearings to the connecting rod and the connecting rod cap. Assemble the components in their original positions.





^ When installing the connecting rod bearings, apply engine oil to the bearing friction surface (inside). Do not apply oil to the back surface, but thoroughly clean the back.
^ When installing, align the connecting rod bearing stopper protrusion with the notch of the connecting rod to install.
^ Check the oil holes on the connecting rod and those on the corresponding bearing are aligned.
11) Install the piston and connecting rod assembly to the crankshaft. Assemble the components in their original positions.





^ Rotate the crankshaft so the pin corresponding to the connecting rod to be installed is at the bottom dead center position.
^ Apply engine oil sufficiently to the cylinder bore, piston, and crankshaft pin.
^ Match the cylinder position number with the cylinder No. on the connecting rod for installation.
^ Install the piston with the front mark on the piston crown facing the front of the engine using Tool.
Tool number: EM03470000 (3-8037)

CAUTION:
Be careful not to damage the cylinder wall and crankshaft pin, resulting from an interference of the connecting rod big end.


12) Install the connecting rod bearing caps. Assemble the components in their original positions.





^ Match the stamped cylinder number marks on the connecting rod with those on the cap to install.
13) Tighten the connecting rod bolts using Tool in four steps as follows:





Tool number: KV10112100 (BT-8653-A)
^ Apply engine oil to the threads and seats of the connecting rod bolts.

CAUTION:
Always use either an angle wrench or protractor. Avoid tightening based on visual check alone.


Step 1: 27.4 Nm (2.8 kg-m, 20 ft-lb)
Step 2: 0 Nm (0 kg-m, 0 ft-lb)
Step 3: 19.6 Nm (2.0 kg-m, 14 ft-lb)
Step 4: 85 degrees - 95 degrees (target 90 degrees)
^ Check the connecting rod side clearance.
^ After tightening the bolts, make sure that the crankshaft rotates smoothly.

14) Install flywheel (M/T Models), or drive plate (A/T Models).





^ Install drive plate, reinforcement plate and pilot converter as shown.
^ Using a drift with 33 mm (1.30 in) diameter, push pilot converter into the end of the crankshaft.
^ Press fit pilot bushing into the crankshaft as shown; using a suitable drift of 19 mm (0.75 in)
15) Install the cylinder block heater.
Cylinder block heater: 73.5 Nm (7.5 kg-m, 54 ft-lb)
16) Install the knock sensor.





^ Make sure that there is no foreign material on the cylinder block mating surface and the back surface of the knock sensor.
^ Install the knock sensor with the connector facing lower left by 45 degrees as shown.
^ Do not tighten the knock sensor bolt while holding the connector.
^ Make sure that the knock sensor does not interfere with other components.
Knock sensor bolt: 21.1 Nm (2.2 kg-m, 16 ft-lb)

CAUTION:
If the knock sensor is dropped, replace it with new one.


17) Install the crankshaft position sensor (POS).
Crankshaft position sensor bolt: 7.0 Nm (0.71 kg-m, 62 in-lb)
18) Installation of remaining components is in reverse order of removal.