Operation CHARM: Car repair manuals for everyone.
Manuals through 2025 now available!

Our trusted friends have launched a new website named LEMON, which has newer manuals. It also contains all the CHARM manuals.

LEMON is the spiritual successor to CHARM, I recommend you try it!

Link: lemon-manuals.la or lemon-manuals.org.ua

(Some people have issue connecting. LEMON is investigating. For now, use Firefox or change your DNS server)

Or, hide this message: temporarily or permanently

Overhaul

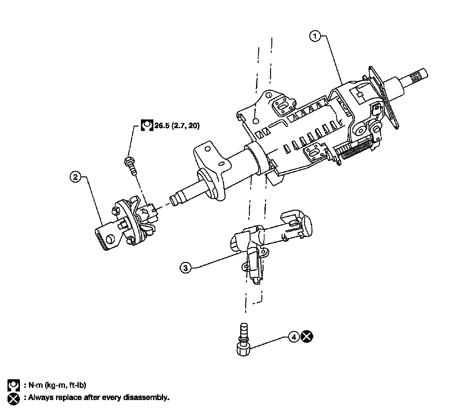
Steering Column: Disassembly and Assembly








DISASSEMBLY
1) Remove the bolt from the upper joint, then remove the upper joint from the steering column assembly.
2) Remove the ignition switch tamper resistant self-shear screws, using a drill.
3) Remove the ignition switch from the steering column.

ASSEMBLY
Assembly is in the reverse order of disassembly.

CAUTION:
Any time the ignition switch has been removed and installed, the keys must be reregistered in the BCM.


NOTE:
Install new tamper resistant self-shear screws.





INSPECTION AFTER ASSEMBLY
When the steering wheel does not turn smoothly, check as follows:
1) Check the steering column for the following:
^ Damage to the column tube or bearings
^ Wear around the seal edges
^ Corrosion or pitting around the seal sliding area Replace the steering column as an assembly, if necessary.

CAUTION:
^ Do not exert any axial load or impact to the steering column.
^ Replace the column if it is depleted of grease, worn, damaged, or if any scratches or coating separation is present on the shaft seal area.


2) If the vehicle has been in a collision, or if noises are heard coming from the steering column, check column length "L1" and "L2" as shown. If out of specification, replace the steering column as an assembly.





Steering column length
L1 :165.1 mm (6.500 in)
L2 :258.0 mm (10.16 in)

3) Check the tilt device for proper operation range.
Range "A":73.8 mm (2.906 in)