Operation CHARM: Car repair manuals for everyone.
Manuals through 2025 now available!

Our trusted friends have launched a new website named LEMON, which has newer manuals. It also contains all the CHARM manuals.

LEMON is the spiritual successor to CHARM, I recommend you try it!

Link: lemon-manuals.la or lemon-manuals.org.ua

(Some people have issue connecting. LEMON is investigating. For now, use Firefox or change your DNS server)

Or, hide this message: temporarily or permanently

Procedures

Operation Procedure for Refrigerant Charge





WARNING:
^ Your eyes should not be exposed to refrigerant (liquid).
Any liquid HFC-134a (R-134a) escaping by accident shows a temperature as low as approximately -6 °C (21.2 °F) below freezing point. Should liquid HFC-134a (R-134a) is exposed to your eyes, it may cause a serious injury. To protect your eyes from such accident, it is necessary to always wear goggles. Should it occur that HFC-134a (R-134a) is exposed to your eyes, consult a doctor immediately.
^ Do not use your hand to rub the affected eye(s). Instead, use fresh cold water to splash it over the affected area to gradually raise temperature of such area above freezing point.
^ Obtain proper treatment as soon as possible from a doctor or eye specialist.

^ Should the liquid refrigerant HFC-134a (R-134a) is exposed to your skin, the affected area should be treated in the same manner as when skin is frostbitten or frozen.
^ Do not handle refrigerant near any place where welding or steam cleaning is performed.
^ Refrigerant should be kept in a cold and dark place. It should never be stored in any place where temperature is high, e.g. where exposed to direct sun light, close to fire or inside vehicle (including trunk room).
^ Avoid breathing fume produced when HFC-134a (R-134a) is burned. Such fume may be hazardous to your health.





Recovery
When discharging refrigerant out of A/C system, always recover it by using refrigerant recovery and recycling equipment because discharging refrigerant HFC-134a (R-134a) into atmosphere would cause adverse effect to environments.

NOTE:
^ After recovering refrigerant from system, the amount of removed compressor oil must be measured for replenishing compressor oil.
^ When handling recovery and recycling equipment, be sure to follow the instruction manual for the equipment.




Replenishing Compressor Oil
It is necessary to replenish specified amount of compressor oil to compressor from compressor suction side hole (1) before evacuating and charging refrigerant.

When charging refrigerant only
When charging refrigerant without replacing any component, replenish the same amount of measured oil when recovering refrigerant (if not measure, replenish 10 cu.cm (10 ml, 0.34 US.oz, 0.35 Imp.oz) oil).

When replacing compressor


CAUTION: Be sure to use specified compressor oil or an equivalent compressor oil.

Compressor oil is sealed in each new compressor by the amount required for A/C system.

Therefore, when using a new compressor, drain the calculated amount of oil from it.

"C" = "A" - "B"

"C": Amount of oil to be drained

"A": Amount of oil in a new compressor

"B": Amount of oil in removed compressor

NOTE: Compressor assembly supplied from factory is filled up with the following amount of oil.




Compressor oil 99000 -99015-00AMATSUSHITADENKI GU10 ()

Oil amount in compressor
70 + 10, -0 cu.cm (70 + 10, -0 ml, 2.37 + 0.34, -0 US.oz, 2.46 + 0.35, -0 lmp.oz)

When replacing other parts
Replenish the following amount of oil to compressor.

Amount of compressor oil to be replenished

Evaporator: 15 cu.cm (15 ml, 0.51 US.oz, 0.53 Imp.oz)

Condenser: 10 cu.cm (10 ml, 0.34 US.oz, 0.35 Imp.oz)

Dryer: 10 cu.cm (10 ml, 0.34 US.oz, 0.35 Imp.oz)

Hoses: 5 cu.cm (5 ml, 0.17 US.oz, 0.18 Imp.oz) each

Pipes: 5 cu.cm (5 ml, 0.17 US.oz, 0.18 Imp.oz) each

Evacuation

CAUTION: Do not evacuate before recovering refrigerant in A/C system.

NOTE: Once air conditioning system circuit is opened (exposed) to atmospheric air, system must be evacuated by using a vacuum pump. The A/C system should be attached with a manifold gauge set, and should be evacuated for approximately 15 minutes.

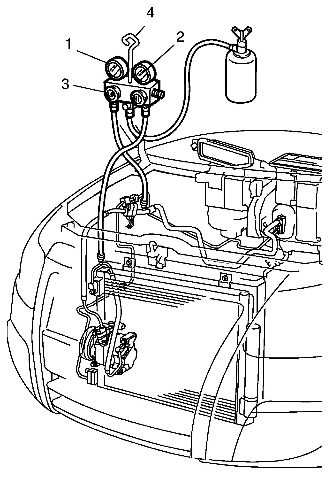
1. Connect high charging hose (1) and low charging hose (2) of manifold gauge set (3) (special tool) respectively as follows:
High charging hose --> High pressure charging valve (4) on discharge hose
Low charging hose --> Low pressure charging valve (5) on suction pipe

Special Tool
(A): 09990-06020

2. Attach center charging hose (6) of manifold gauge set to vacuum pump (7).
3. Operate vacuum pump, and then open discharge side valve (Hi) (8) of manifold gauge set. If there is no blockage in the system, there will be an indication on high pressure gauge (9). When this occurs, open the other side valve (Lo) (10) of the set.
4. Approximately 10 minutes later, low pressure gauge (11) should show a vacuum lower than -100 kPa (-1.0 kgf/sq.cm, -760 mmHg, -14.7 psi) providing no leakage exists.

NOTE:
^ If the system does not show a vacuum below -100 kPa (-1.0 kgf/sq.cm, -760 mmHg, -14.7 psi), close both valves, stop vacuum pump and watch movement of low pressure gauge.
^ Increase in the gauge reading suggests existence of leakage. In this case, repair the system before continuing its evacuation.
^ If the gauge shows a stable reading (suggesting no leakage), continue evacuation.

5. Evacuation should be carried out for a total of at least 15 minutes.
6. Continue evacuation until low pressure gauge indicates a vacuum less than -100 kPa (-1.0 kgf/sq.cm, -760 mmHg, -14.7 psi), and then close both valves.





7. Stop vacuum pump. Disconnect center charging hose from pump inlet. Now, the system is ready for charging refrigerant.

Checking A/C System for Pressure Leaks
After completing the evacuation, close manifold gauge high pressure valve and low pressure valve and wait 10 minutes. Verify that low pressure gauge reading has not changed.

CAUTION: If the gauge reading moves closer to "O", there is a leak somewhere. Inspect the tubing connections and make necessary corrections. And then, evacuate system once again and make sure that there are no leaks.

Charge

CAUTION:
^ Because the sight glass is not used for this A/C system, do not perform an additional charge to the A/C system. To charge the proper amount of refrigerant, recover and evacuate the A/C system first. And then, charge the proper amount of refrigerant into the A/C system.
^ Always charge refrigerant through low pressure side of A/C system after the initial charge is performed from the high pressure side with the engine stopped.
^ Never charge refrigerant through high pressure side of A/C system with engine running.
^ Do not charge refrigerant while compressor is hot.
^ When installing tap valve to refrigerant container to make a hole there through, carefully follow directions given by manufacturer.
^ A pressure gauge should always be used before and during refrigerant charge.
^ The refrigerant container should be emptied of refrigerant when discarding it.
^ The refrigerant container should not be heated up to 40 °C (104 °F) or over.
^ Refrigerant container should not be reversed in direction during refrigerant charge. Reversing in direction causes liquid refrigerant to enter compressor, causing troubles, such as compression of liquid refrigerant and the like.


NOTE: The air conditioning system contains HFC-134a (R-134a).

Described here is a method to charge the air conditioning system with refrigerant from the refrigerant service container.

When charging refrigerant recovered by using the refrigerant and recycling equipment (when recycling refrigerant), follow the procedure described in the equipment manufacturer's instruction manual.

The initial charge of the A/C system is performed through the high pressure side with the engine stopped.
And next, this method must be followed by charging from the low pressure side with the engine running.
1. Check if hoses are routed properly after evacuating the system.
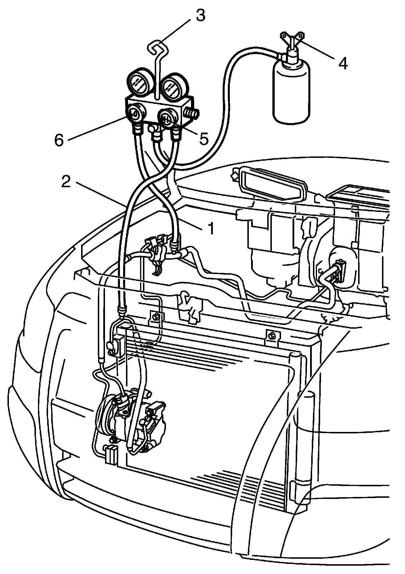
2. Connect low charging hose (1) and high charging hose (2) of the manifold gauge set (3) in position. Then, open refrigerant container valve (4) to purge the charging line.
3. Open the high pressure side valve (5) and charge refrigerant to system.
4. After a while, open the low pressure side valve (6) and close the high pressure side valve.

WARNING: Make sure that high pressure side valve is closed securely.

5. Start engine and keep engine speed at 1500 r/min, and then operate A/C system.




6. Charge A/C system with refrigerant in vapor state. At this time, refrigerant container should be held upright.
7. When refrigerant container (1) is emptied, use the following procedure to replace it with a new refrigerant container.
a. Close low pressure valve.
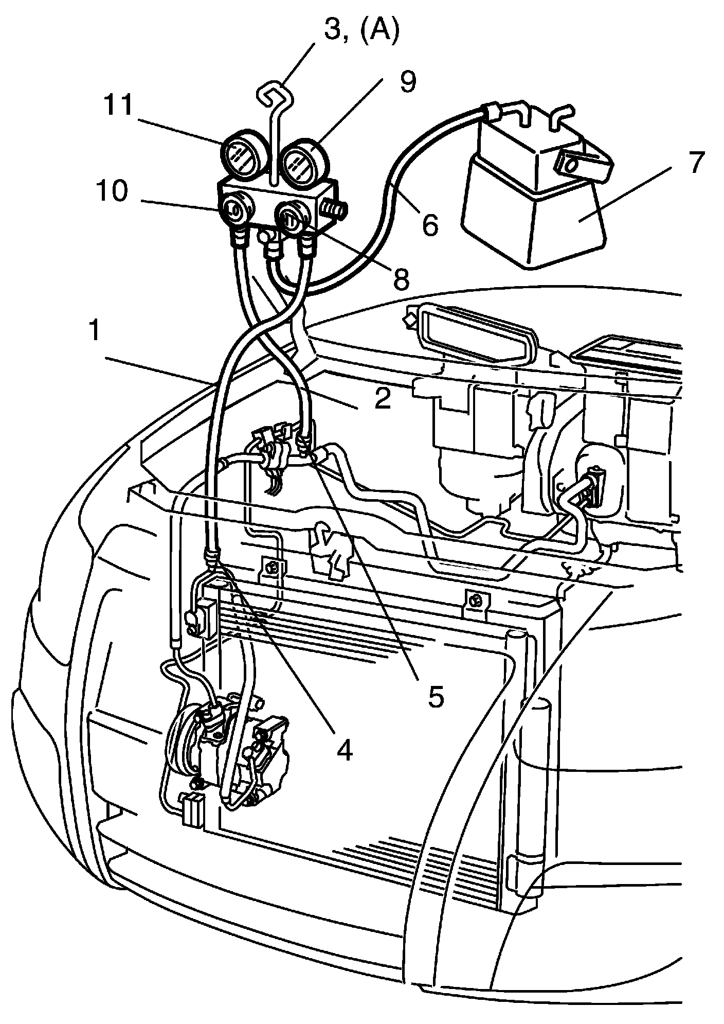
b. Replace empty container with a refrigerant container which has been charged with refrigerant. When using refrigerant container tap valve (2), use the following procedure for replacement.




i. Retract needle (3) and remove refrigerant container tap valve by loosening its plate nut (4).
ii. Install the refrigerant container tap valve to a new refrigerant container.

c. Purge any air existing in center charging hose.
When using refrigerant container tap valve, use the following procedure to purge air.




i. Once fully tighten refrigerant container tap valve (1), and then loosen (open) plate nut (2) slightly.
ii. Open low pressure side valve (3) of manifold gauge set (4) a little.
iii. As soon as refrigerant comes out with a "hiss" through a clearance between refrigerant container and tap valve, tighten plate nut as well as low pressure side valve.
iv. Turn handle of tap valve clockwise so that its needle is screwed into the new container to make a hole for refrigerant flow.

Low Side And High Side Pressure Example:







8. After the system has been charged with specified amount of refrigerant or when low pressure gauge (1) and high pressure gauge (2) have indicated the following specified value, close low pressure side valve (3) on manifold gauge set (4).

Specified amount of refrigerant
430 ± 20 g (15.2 ± 0.7 oz))

Removal of Manifold Gauge Set

WARNING: High pressure side is under high pressure. Therefore, be careful not to get injured especially on your eyes and skin.

For the A/C system charged with the specified amount of refrigerant, remove manifold gauge set as follows:
1. Close low pressure side valve of manifold gauge set. (The high pressure side valve is closed continuously during the process of charging.)
2. Close refrigerant container valve.
3. Stop engine.
4. Using shop rag, remove charging hoses from service valves. This operation must be performed quickly.
5. Put caps on service valves.

Check A/C System for Refrigerant Leaks
Whenever a refrigerant leak is suspected in the system or any service operation has been performed which may result in malfunction of lines and connections, it is advisable to check for leaks.

Common sense should be used during refrigerant leak test, since the need and extent of any such test will, in general, depend upon the nature of a complaint and the type of a service performed on the system.

Liquid leak detector

WARNING:
^ To prevent explosions and fires, make sure that there are no flammables in the vicinity.
^ When the refrigerant exposed to fire, it turns into a poisonous gas (phosgene).
Do not inhale this gas.


There is a number of fittings and places throughout the A/C system where a liquid leak detector solution may be used to pinpoint refrigerant leaks.

By merely applying the solution to the area in question with a swab, such as attached to the cap of a vial, bubbles will form within seconds if there is a leak.

For confined areas, such as sections of the evaporator and condenser, an electronic (refrigerant) leak detector is more practical for determining leaks.





Special Tool
(A): 09990-86012