Operation CHARM: Car repair manuals for everyone.
Manuals through 2025 now available!

Our trusted friends have launched a new website named LEMON, which has newer manuals. It also contains all the CHARM manuals.

LEMON is the spiritual successor to CHARM, I recommend you try it!

Link: lemon-manuals.la or lemon-manuals.org.ua

(Some people have issue connecting. LEMON is investigating. For now, use Firefox or change your DNS server)

Or, hide this message: temporarily or permanently

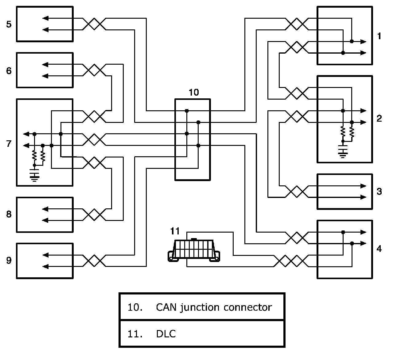
CAN Communication System Description

CAN Communication System Description

ECM (2), ABS / ESP(R) control module (1), TCM (3), BCM (4), 4WD control module (6), combination meter (7), keyless start control module (5), steering angle sensor (ESP(R) model) (8), yaw rate/G sensor (ESP(R) model) (9) and ID controller (Canada model) (10) communicate control data between each control module.
Communication of each control module is established by CAN (Controller Area Network) communication system.





CAN communication system uses the serial communication in which data is transmitted at a high speed. It uses a twisted pair of two communication lines for the high-speed data transmission. As one of its characteristics, multiple control modules can communicate simultaneously. In addition, it has a function to detect a communication error automatically. Each module reads necessary data from the received data and transmits data. ECM communicates control data with each control module as follows.

ECM Transmission Data

ECM Transmission Data:





ECM Reception Data

ECM Reception Data: