Operation CHARM: Car repair manuals for everyone.
Manuals through 2025 now available!

Our trusted friends have launched a new website named LEMON, which has newer manuals. It also contains all the CHARM manuals.

LEMON is the spiritual successor to CHARM, I recommend you try it!

Link: lemon-manuals.la or lemon-manuals.org.ua

(Some people have issue connecting. LEMON is investigating. For now, use Firefox or change your DNS server)

Or, hide this message: temporarily or permanently

No DTC Detection After Performing DTC Check

No DTC Detection After Performing DTC Check

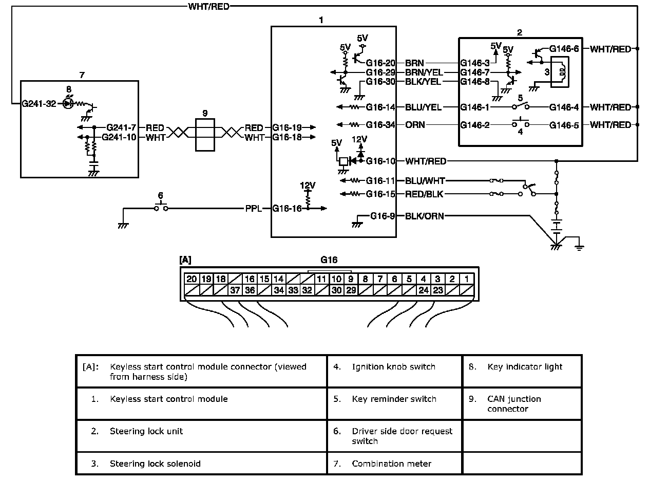
Wiring Diagram

Wiring Diagram:





Description
The keyless start control module detects DTC by using signals from the key reminder and driver side door request switches. The keyless start control module makes the key indicator light in the combination meter flash on and off by using CAN communication.

Troubleshooting

Step 1-5: