Operation CHARM: Car repair manuals for everyone.
Manuals through 2025 now available!

Our trusted friends have launched a new website named LEMON, which has newer manuals. It also contains all the CHARM manuals.

LEMON is the spiritual successor to CHARM, I recommend you try it!

Link: lemon-manuals.la or lemon-manuals.org.ua

(Some people have issue connecting. LEMON is investigating. For now, use Firefox or change your DNS server)

Or, hide this message: temporarily or permanently

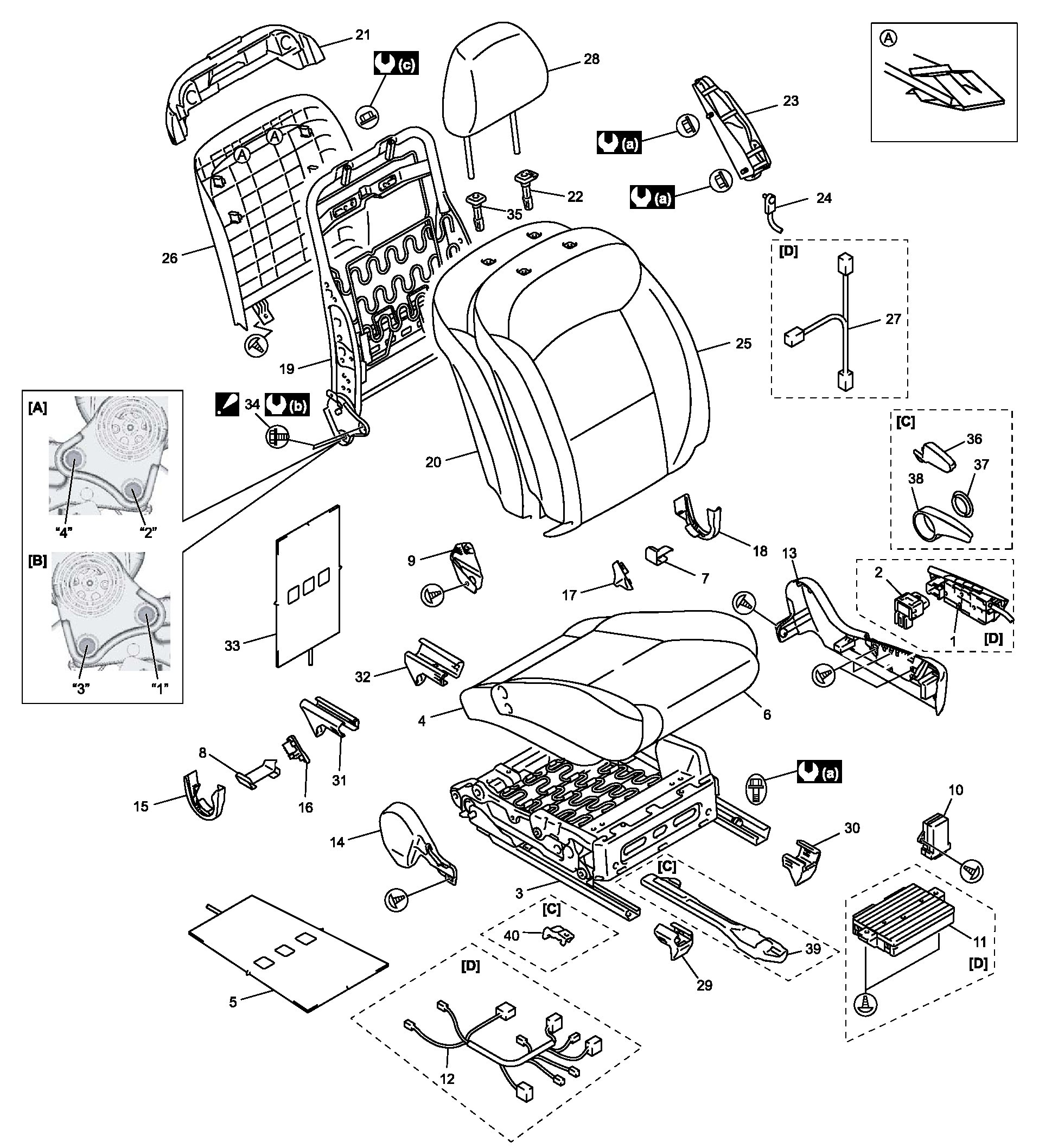
Exploded Views

Front Seat Components

This figure shows example of power seat components and specific components to manual seat. Although figure does not show manual seat components of identical names with power seat counterparts, there are differences in shape and design between them. When replacing any seat component, be sure to select correct one referring to parts catalog.

Driver Seat


Driver Seat:









Passenger Seat


Passenger Seat: