Windows
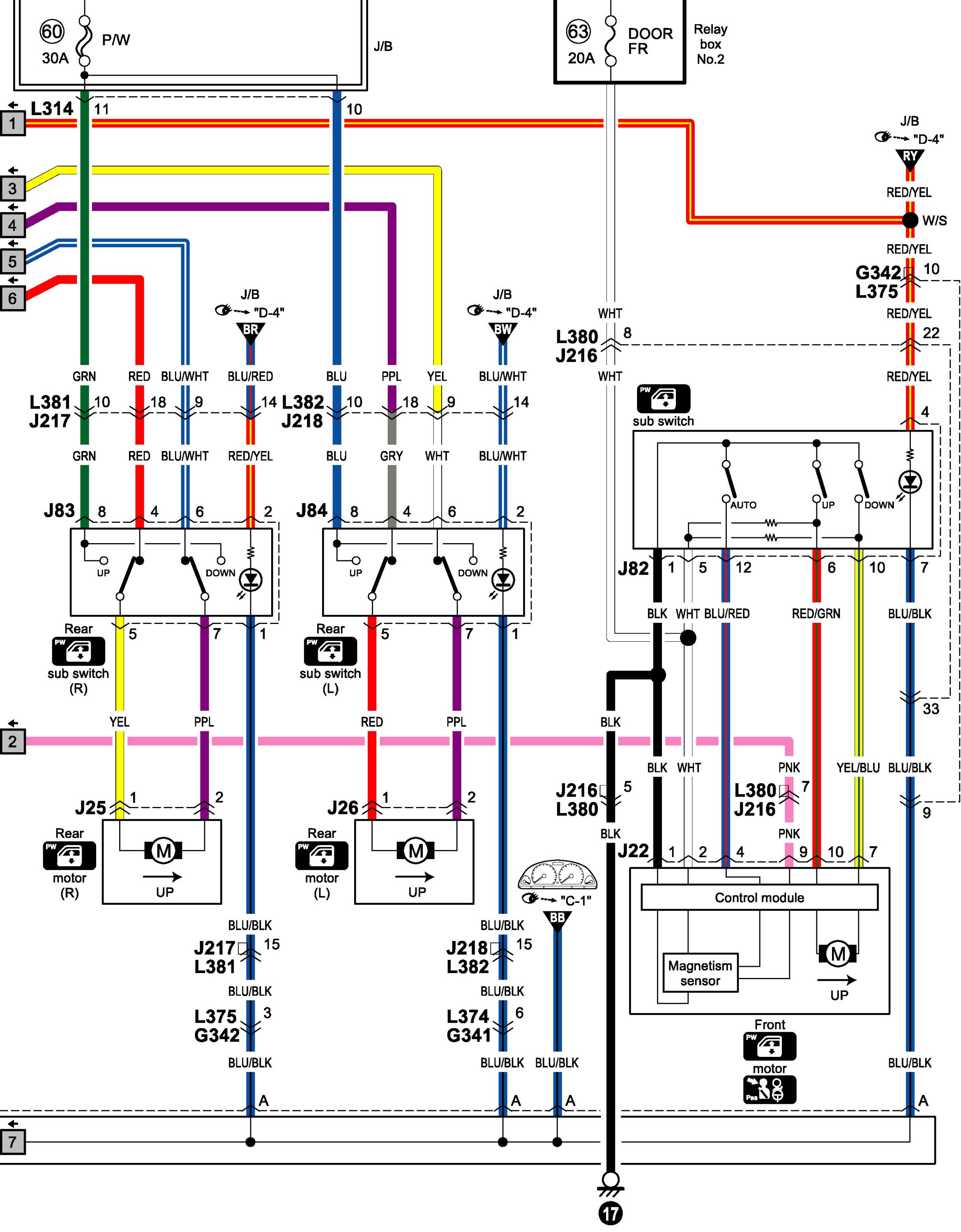
Power Window Circuit DiagramPower Window Circuit Diagram 1:
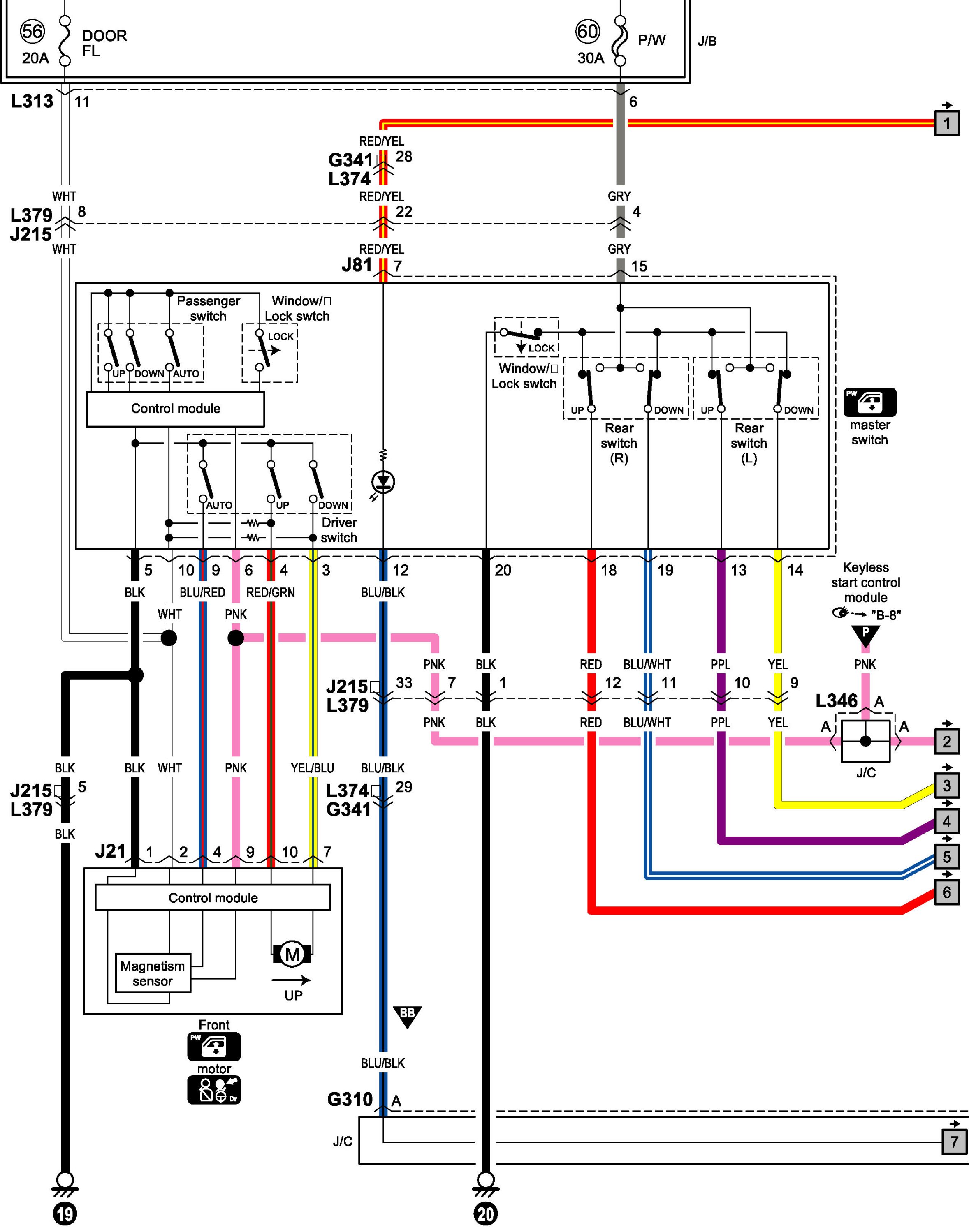
Power Window Circuit Diagram 2:
Connector/Component Locations: The locations of connectors and components referred to within these diagrams can be found via the connector number at Vehicle Connector Locations. Connector Locations
Ground Locations: The locations of grounds referred to within these diagrams can be found via the ground number at Vehicle Ground Locations. Ground Locations