Operation CHARM: Car repair manuals for everyone.
Manuals through 2025 now available!

Our trusted friends have launched a new website named LEMON, which has newer manuals. It also contains all the CHARM manuals.

LEMON is the spiritual successor to CHARM, I recommend you try it!

Link: lemon-manuals.la or lemon-manuals.org.ua

(Some people have issue connecting. LEMON is investigating. For now, use Firefox or change your DNS server)

Or, hide this message: temporarily or permanently

Blower Motor Resistor: Testing and Inspection

Blower Motor Controller Inspection

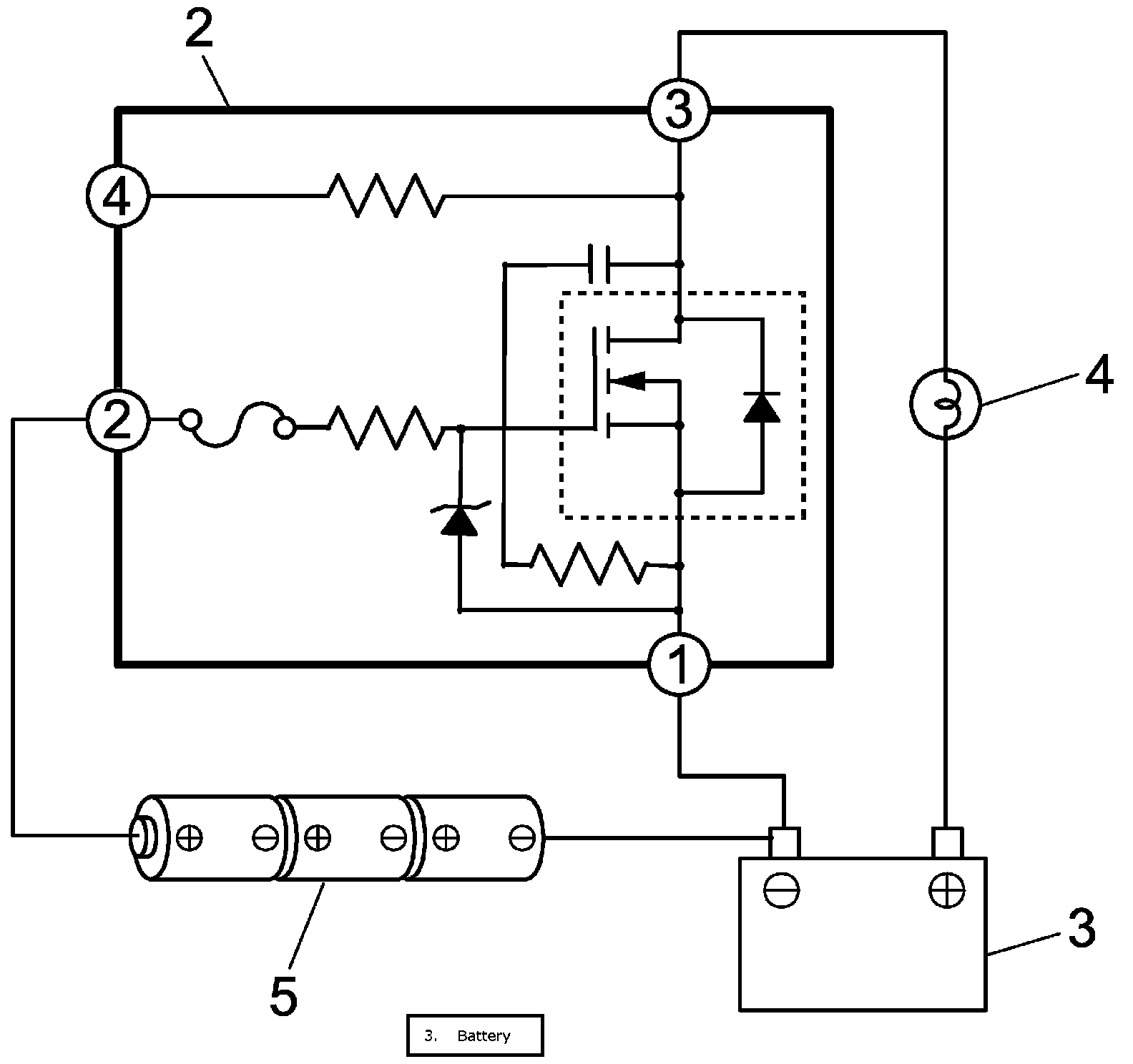
1. Remove blower motor controller (2) from HVAC unit (1).
2. Connect bulb (12 V/5 W) (4) between battery positive terminal and terminal "3", and connect battery negative terminal to terminal "1".
3. Check for bulb turns on, when connecting dry cell (5) between terminal "2" and battery negative terminal as follows.
If check result is not satisfactory, replace blower motor controller.

NOTE: Make sure that the total voltage of dry cell is more than 4.5 V.