Fuel Level Sensor Removal and Installation
Fuel Level Sensor Removal and InstallationCAUTION: Do not touch resister plate (1) and cause deformation of arm (2). It may cause fuel level sensor to fail.
Removal
1. Remove fuel pump assembly from fuel tank.
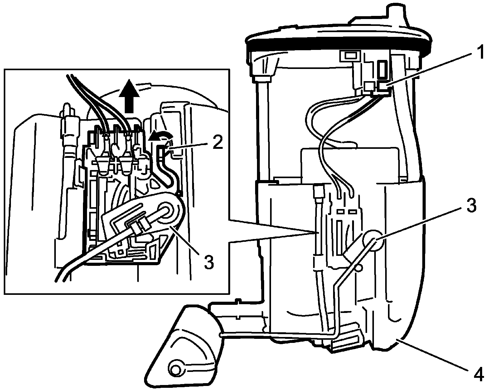
2. Disconnect fuel level sensor connector (1).
3. Release lock (2), remove fuel level sensor (3) from fuel pump (4) by sliding it in arrow direction as shown in figure.
Installation
Reverse removal procedure for installation.