Operation CHARM: Car repair manuals for everyone.
Manuals through 2025 now available!

Our trusted friends have launched a new website named LEMON, which has newer manuals. It also contains all the CHARM manuals.

LEMON is the spiritual successor to CHARM, I recommend you try it!

Link: lemon-manuals.la or lemon-manuals.org.ua

(Some people have issue connecting. LEMON is investigating. For now, use Firefox or change your DNS server)

Or, hide this message: temporarily or permanently

Starting Motor Inspection

Starting Motor Inspection

Starting Motor Operation Check

CAUTION:
- When connecting cables to battery for the operation check, give enough care not to make an accidental short.
- Each test must be performed within 3 to 5 seconds to avoid burning of coil.


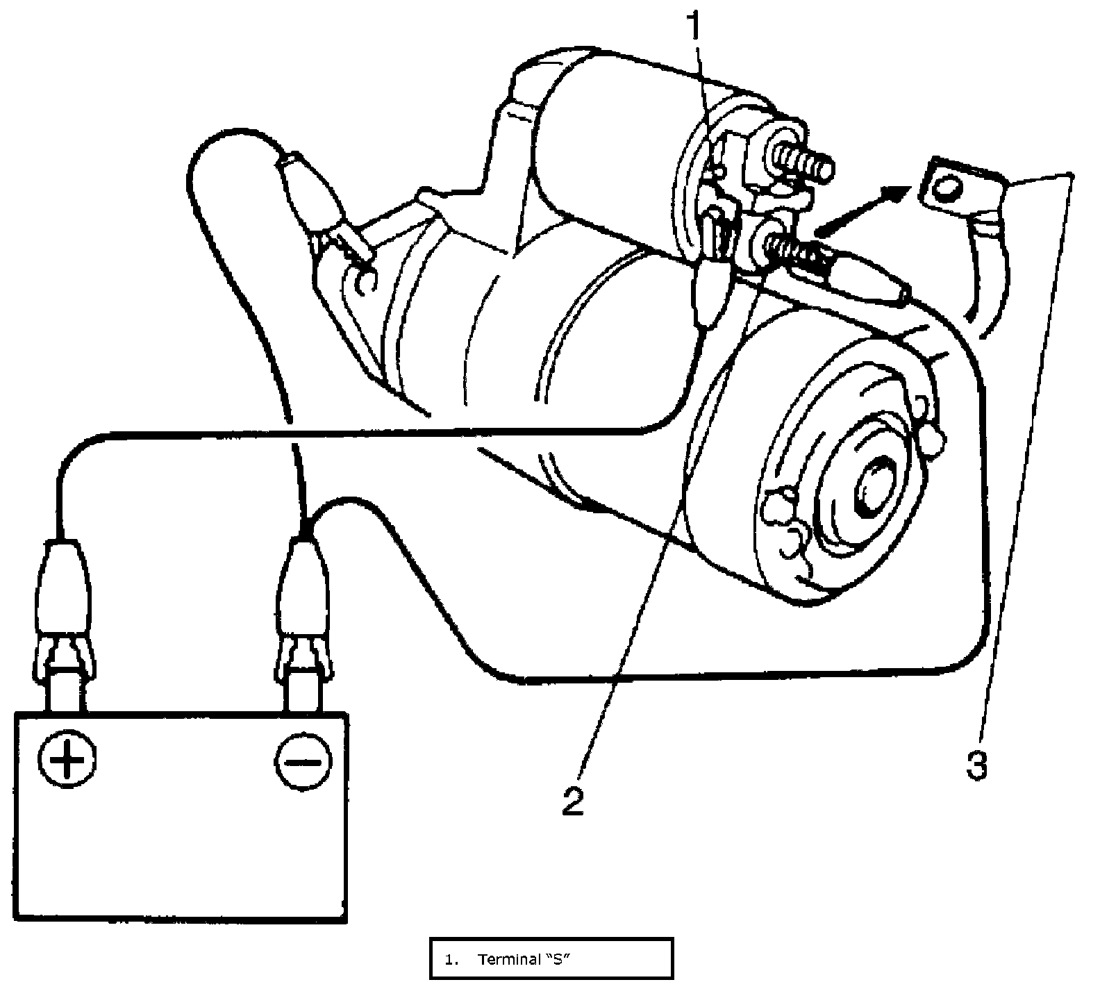
1. Perform pull-in test as follows.
a. Disconnect lead wire (3) from terminal "M" (2).
b. Connect battery to magnetic switch as shown in figure.
c. Check that plunger and pinion move outward.
If plunger and pinion do not move, replace magnetic switch.






2. Perform hold-in test as follows.
a. From the state of step 1) with plunger and pinion in "out" position, disconnect negative (-) lead from terminal "M".
b. Check that plunger and pinion remain in "out" position.
If plunger and pinion return inward, replace magnetic switch.






3. Perform plunger and pinion return test as follows.
a. From the state of step 2) with plunger and pinion in "out" position, disconnect negative (-) lead from starting motor body.
b. Check that plunger and pinion return inward.
If plunger and pinion do not return, replace magnetic switch.






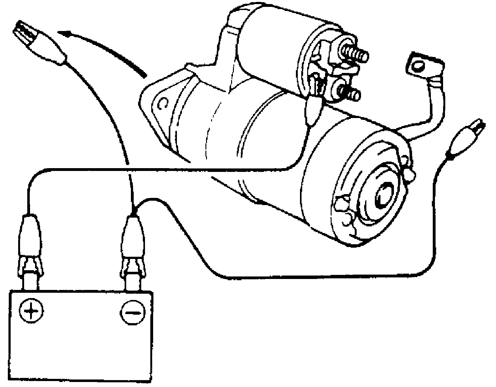
4. Perform no-load performance test as follows.

CAUTION:
- Use thick cable such as jumper cable, as large current may flow.
- Fix starting motor with vice or the like.


a. Connect battery and ammeter to starting motor as shown in figure.
b. Check that starting motor rotates smoothly and steadily with pinion moving out.
c. Check that ammeter indicates specified current.
If check result is not satisfactory, repair or replace starting motor.

Specified current (No-load performance test)
90 A MAX. at 11 V






Plunger
Check plunger for wear. Replace magnetic switch if necessary.






Magnetic Switch
Check that plunger quickly returns to its original position when plunger is pushed in with a finger and released. If it does not, replace magnetic switch.






Pull-in coil open circuit test
Check for continuity between magnetic switch "S" terminal (1) and "M" terminal (2). If there is no continuity, replace magnetic clutch






Hold-in coil open circuit test
Check for continuity between magnetic switch "S" terminal (1) and coil case. If there is no continuity, replace magnetic clutch.






End Housing Bushing
Check end housing bushing for wear or damage. Replace bushing if necessary.






Brush
- Check brushes for wear.
Measure length of each brush, and if length is less than the limit, replace brush assembly.

Brush length
Standard: 12.3 mm (0.484 in.)
Limit: 5.5 mm (0.22 in.)






- After installing brushes into their holders, check that movement of brushes is smooth.

Spring
Check brush springs for wear, damage or other abnormal conditions. Replace brush assembly if necessary.

Brush spring tension
Standard: 15 - 20 N.m (1.5 kgf - 2.0 kgf, 3.4 - 4.5 lbf)
Limit: 2.8 N (0.29 kgf, 0.63 lbf)

Brush Holder
- Check brush holder for brush movement problems, distortion, and dirt on sliding surface. Clean or correct brush holder if necessary.
- Check for continuity between insulated brush (positive (+) side) and grounded brush (negative (-) side).
It there is continuity, replace brush holder.






Armature
- Check commutator for dirt or burn. Correct commutator with sandpaper or lathe if necessary.






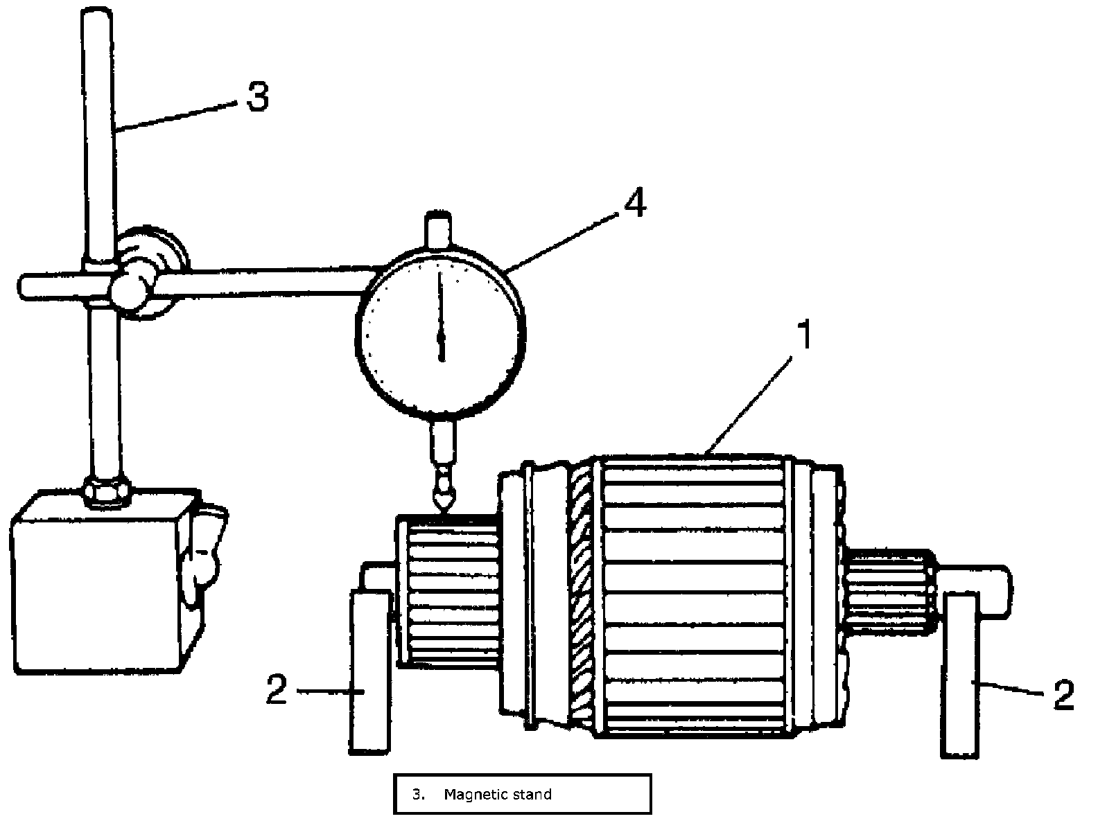
- Check commutator for uneven wear with armature (1) supported on V-blocks (2) by using dial gauge (4). If dial gauge (4) deflection exceeds the limit, repair commutator or replace armature.

Commutator out of round
Standard: 0.05 mm (0.002 in.) or less
Limit: 0.4 mm (0.02 in.)






- Check commutator for wear and measure diameter of commutator. If diameter of commutator is lower than the limit, replace armature.

Commutator outside diameter
Standard: 29.4 mm (1.16 in.)
Limit: 28.8 mm (1.13 in.)






- Check commutator (1) for insulator (2) depth. Correct insulator depth if it is lower than the limit.

Commutator insulator depth "a"
Standard: 0.5 mm (0.020 in.)
Limit: 0.2 mm (0.008 in.)






- Check insulation between commutator and armature core. If there is continuity, replace armature.






- Check for continuity between segments. If there is no continuity at any test point, replace armature.






Gears
Check internal gear and planetary gears for wear, damage and other abnormal conditions. Replace gear set if necessary.






Pinion and Overrunning Clutch
- Check pinion for wear, damage and other abnormal conditions.
- Check that clutch locks when turned in normal rotation direction and rotates freely when turned in opposite direction. Replace pinion and overrunning clutch if necessary.






- Check spline teeth for wear and damage. Replace pinion and overrunning clutch if necessary.
- Check pinion for smooth movement.






Armature Housing Bushing
Check bushing for wear and damage. Replace bushing if necessary.