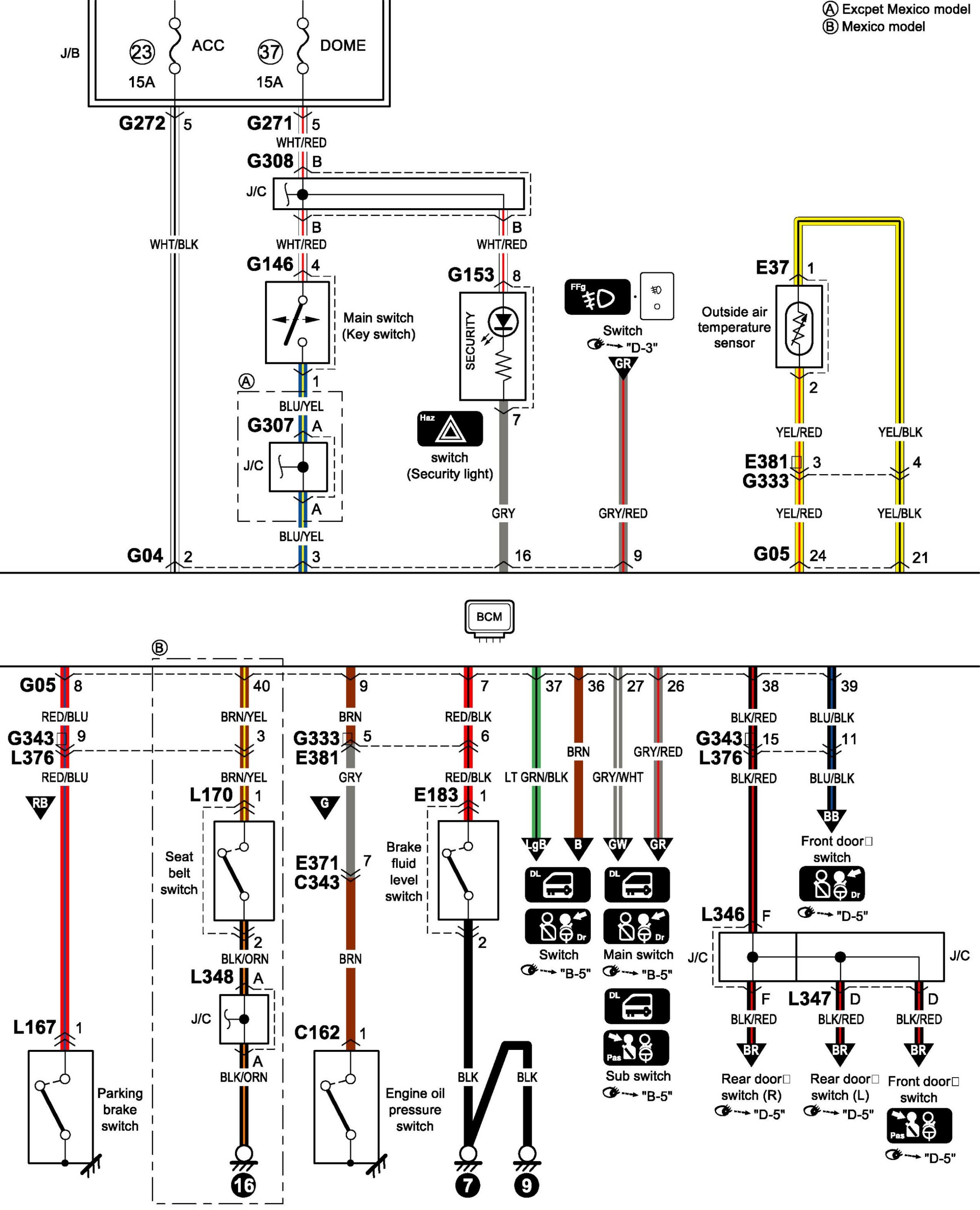
Body Control System Circuit Diagram
Body Control System Circuit DiagramBody Control System Circuit Diagram 1:
Body Control System Circuit Diagram 2:
Body Control System Circuit Diagram 3:
Body Control System Circuit Diagram 4:
Body Control System Circuit Diagram 5:
Connector/Component Locations: The locations of connectors and components referred to within these diagrams can be found via the connector number at Vehicle Connector Locations. Connector Locations
Ground Locations: The locations of grounds referred to within these diagrams can be found via the ground number at Vehicle Ground Locations. Ground Locations