Operation CHARM: Car repair manuals for everyone.
Manuals through 2025 now available!

Our trusted friends have launched a new website named LEMON, which has newer manuals. It also contains all the CHARM manuals.

LEMON is the spiritual successor to CHARM, I recommend you try it!

Link: lemon-manuals.la or lemon-manuals.org.ua

(Some people have issue connecting. LEMON is investigating. For now, use Firefox or change your DNS server)

Or, hide this message: temporarily or permanently

ECM Power and Ground Circuit Check

ECM Power and Ground Circuit Check

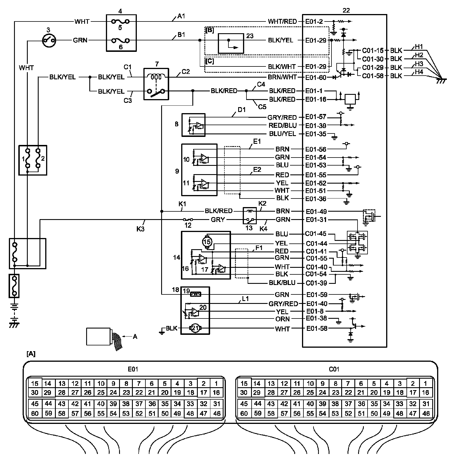
Wiring Diagram

Wiring Diagram:











Circuit Description
When the ignition switch is turned to ON position, the main relay turns ON (the contact point closes) and the main power is supplied to ECM. And then ECM supplies 5 V power to each sensor (A/C refrigerant pressure sensor, EVAP leak check pressure sensor, APP sensor and TP sensor).

Troubleshooting

NOTE:
- Before troubleshooting, perform following items.
- Be sure to read Precautions for ECM Circuit Inspection. Precautions For ECM Circuit Inspection
- When measuring circuit voltage and/or pulse signal at ECM connector, connect special tool to ECM and ECM connectors.
- Be sure to confirm related fuses of ECM power circuit for not blown out.
If fuse is blown out, replace fuse(s) and check circuits connected to blown fuse(s) for short circuit to ground.
- Confirm that battery voltage is 12 V or more.

1. Check ECM power supply circuit as follows.
a Turn OFF ignition switch and disconnect ECM connectors from ECM.
b Check each terminal of ECM connectors for proper connection.
c Measure voltage between each terminal of ECM connector and body ground in the following table.
If each measured voltage is out of specified voltage, repair or replace related part.






d Turn OFF ignition switch and connect ECM connectors.
e Measure voltage between each terminal of ECM connector and body ground in the following table.
If each measured voltage is out of specified voltage, repair or replace related part.






2. Check throttle actuator power supply circuit as follows.






3. Check ECM ground circuit as follows.
If each measured voltage is within specified voltage, go to next step.
If each measured voltage is out of specified voltage, repair ECM ground circuits.






4. Check each sensor power supply circuit as follows.
If measured voltage is within specified voltage, ECM power and ground circuits is in good condition.
If each measured voltage is out of specified voltage, repair or replace related part.