Precaution of Troubleshooting For CAN
Precaution of Troubleshooting for CANCAN schematic and routing diagram
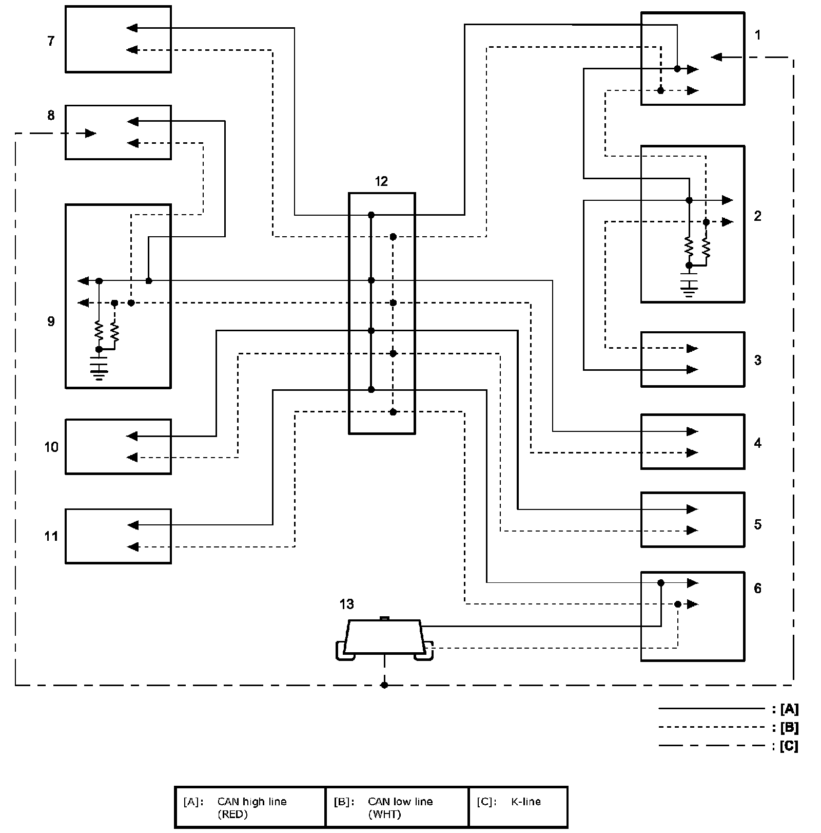
CAN schematic and routing diagram:
Outline of troubleshooting
When there is a trouble with CAN, perform Troubleshooting for Communication Error with Scan Tool Using CAN Troubleshooting For Communication Error With Scan Tool Using CAN and/or Troubleshooting for CAN-DTC. Related Tests, Information and Procedures Not using this procedure or performing troubleshooting in any other way may skip some check points resulting in misdiagnosis or take a longer time than necessary.
1. Checking connector related to CAN
2. Checking CAN line
3. Checking each control module/sensor using "DTC check" or "Bus Check"
4. Checking power and ground connection of each control module/sensor
CAN-DTC
Even when DTC related to CAN (= CAN-DTC) as described below is detected, it is not possible to point out the specific trouble point by CAN-DTC itself. Be sure to troubleshoot according to Troubleshooting for CAN-DTC. Related Tests, Information and Procedures
Communication with scan tool
- K line or CAN line is used for communication between each control module and scan tool.
Refer to CAN schematic and routing diagram to determine which line is used for communication between each control module and scan tool.
- ECM, TCM, BCM and SDM use CAN line for communication with scan tool. Even if CAN has a trouble other than between DLC and BCM, communication may also fail between scan tool and these control modules. In such case, perform troubleshooting according to Troubleshooting for Communication Error with Scan Tool Using CAN. Troubleshooting For Communication Error With Scan Tool Using CAN
- ESP�/ABS control module, 4WD control module use K-line for communication with scan tool. Even if CAN has a trouble, it is possible to communicate between scan tool and these control modules.
Bus check with SUZUKI scan tool
SUZUKI scan tool (SUZUKI-SDT) efficiently diagnoses a CAN bus malfunction by "Communication Bus Check" and "Communication Malfunction DTC" under "Bus check".
"Communication Bus Check" can display all control modules/sensors name communicated by CAN.