Operation CHARM: Car repair manuals for everyone.
Manuals through 2025 now available!

Our trusted friends have launched a new website named LEMON, which has newer manuals. It also contains all the CHARM manuals.

LEMON is the spiritual successor to CHARM, I recommend you try it!

Link: lemon-manuals.la or lemon-manuals.org.ua

(Some people have issue connecting. LEMON is investigating. For now, use Firefox or change your DNS server)

Or, hide this message: temporarily or permanently

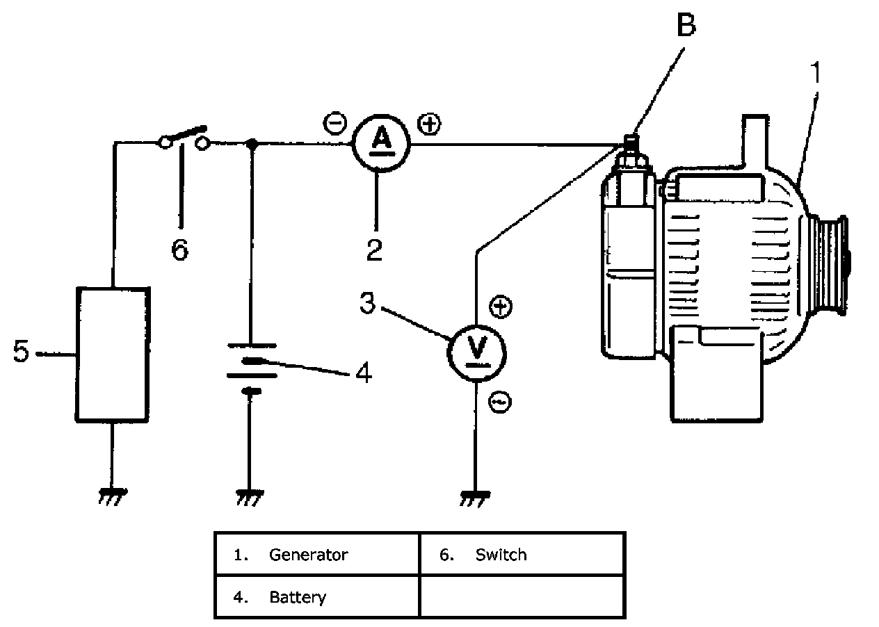
Alternator: Testing and Inspection

Generator Test

Slow engine cranking or low specific gravity of battery electrolyte may result from an undercharged battery due to failure in the generator even if the charging indicator light is operating normally. Before beginning generator test in this case, perform the following procedures.
- Make sure that undercharged condition has not been caused by accessories being left on for extended period of time.
- Check drive belt for proper tension.
- If battery defect is suspected, refer to Battery Description.
- Inspect wiring for defects. Check all connections for tightness and cleanliness, including battery cable connections at battery, starting motor leads and ignition ground cable.

No-Load Check

NOTE: Use fully charged battery.

1. Check for DTC. Reading Diagnostic Trouble Codes
If there is any DTC, perform trouble shooting for applicable DTC and then clear DTC.
Trouble shooting: DTC Table EVAP System
DTC clearance: Clearing Diagnostic Trouble Codes
2. Turn off all electrical loads (5).
3. Connect voltmeter (3) and ammeter (2) as shown in figure.
4. Start engine and warm it up to normal operating temperature.







5. Run engine around 2,000 rpm and read meters.
- If voltage is higher than standard value, check ground circuit of brushes.
If brushes are not grounded, replace IC regulator.
- If voltage is lower than standard value, inspect rotor, stator, rectifier, bushes and regulator.

Specification for generator test (No-load check)
Current: 10A
Regulated voltage: 14.2 - 14.8 V (at 20 °C, 68 °F)







Load Check

NOTE: Use fully charged battery.

1. Connect ammeter in the same way as "No-load check".
2. Run at engine around 2,000 rpm and turn on the following electrical accessories.
- Head light (High beam)
- Rear end door window defogger
- Blower motor (High speed)

3. Read ammeter.
If meter reading is less than 20 A, repair or replace generator.