Operation CHARM: Car repair manuals for everyone.
Manuals through 2025 now available!

Our trusted friends have launched a new website named LEMON, which has newer manuals. It also contains all the CHARM manuals.

LEMON is the spiritual successor to CHARM, I recommend you try it!

Link: lemon-manuals.la or lemon-manuals.org.ua

(Some people have issue connecting. LEMON is investigating. For now, use Firefox or change your DNS server)

Or, hide this message: temporarily or permanently

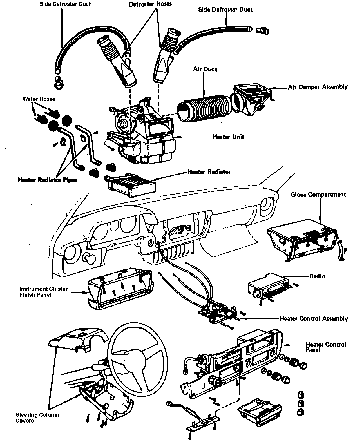
Heater Core: Service and Repair

Fig. 7 Exploded View Of Heater Control Panel, Instrument Panel And Heater Assembly, Less Automatic Air Conditioning.:





1. Disconnect battery ground cable.
2. Drain coolant from radiator.
3. Remove glove compartment, defroster hoses, air damper assembly, air duct and side ducts.
4. Remove heater control assembly, if necessary, Fig. 7.
5. Disconnect water hoses from heater and remove heater unit.
6. Reverse procedure to install.