Operation CHARM: Car repair manuals for everyone.
Manuals through 2025 now available!

Our trusted friends have launched a new website named LEMON, which has newer manuals. It also contains all the CHARM manuals.

LEMON is the spiritual successor to CHARM, I recommend you try it!

Link: lemon-manuals.la or lemon-manuals.org.ua

(Some people have issue connecting. LEMON is investigating. For now, use Firefox or change your DNS server)

Or, hide this message: temporarily or permanently

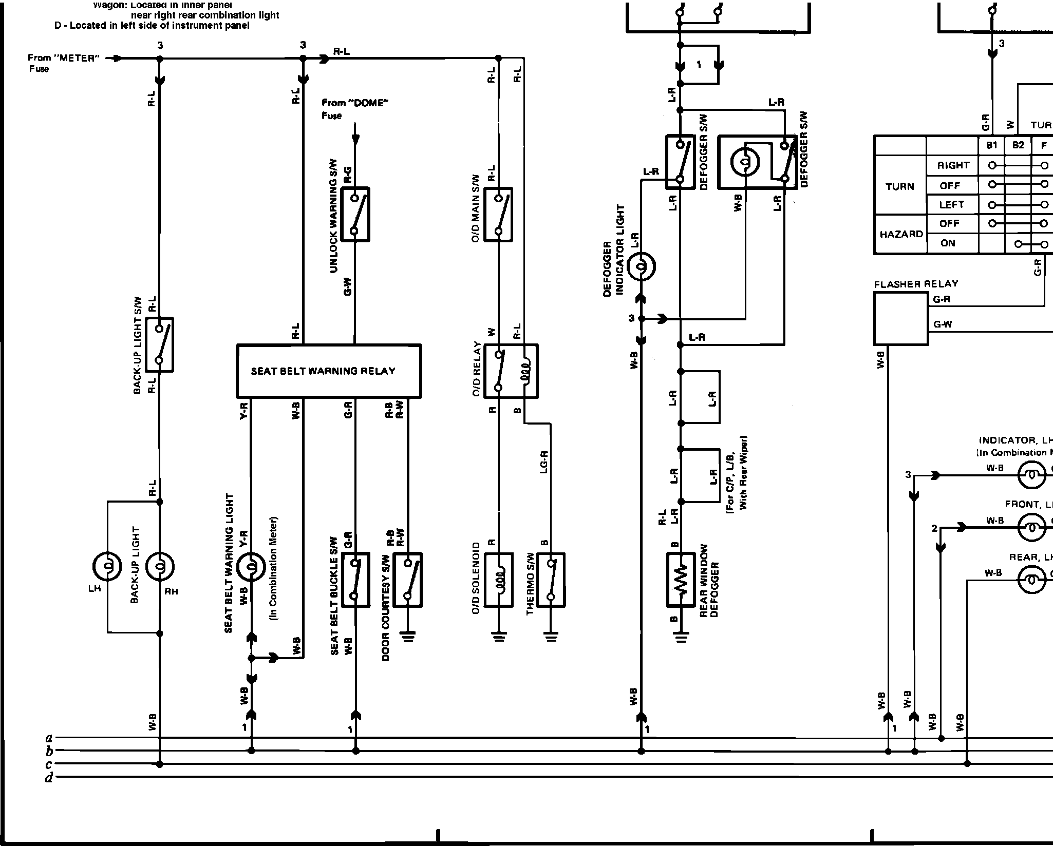
Transmission Control Systems: Diagrams

a�*��*&+'+P=+jJ+"S+Fig. 19b Back-Up Light, Seat Belt, Overdrive, Rear Defogger, Turn Signal, Hazard, Horn, Stop Light, Rear Wiper & Washer, Windshield Wiper & Washer, and Taillight & Illumination Wiring Diagram: