Operation CHARM: Car repair manuals for everyone.
Manuals through 2025 now available!

Our trusted friends have launched a new website named LEMON, which has newer manuals. It also contains all the CHARM manuals.

LEMON is the spiritual successor to CHARM, I recommend you try it!

Link: lemon-manuals.la or lemon-manuals.org.ua

(Some people have issue connecting. LEMON is investigating. For now, use Firefox or change your DNS server)

Or, hide this message: temporarily or permanently

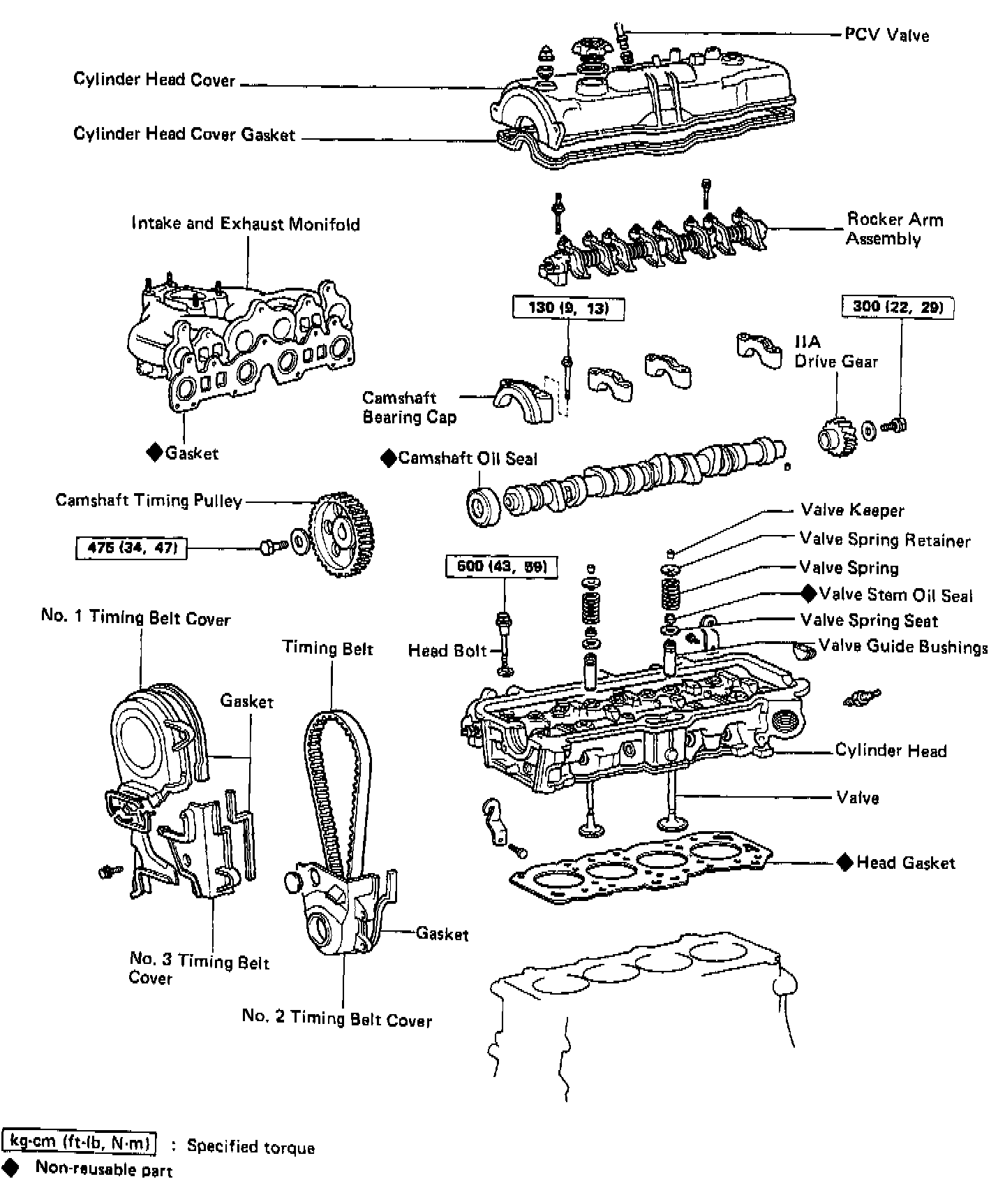
Torque Specifications

Torque Chart 4A-C:





Upper Engine Torque Values:





Lower Engine Torque Values:





Rocker Arm Assembly Removal Sequence:





Cylinder Head Bolt Removal Sequence:





Rocker Arm Assembly Tightening Sequence:





Cylinder Head Bolt Tightening Sequence:





Flywheel Torque Sequence - Tighten To Specified Torque In 2 Or 3 Passes: