Operation CHARM: Car repair manuals for everyone.
Manuals through 2025 now available!

Our trusted friends have launched a new website named LEMON, which has newer manuals. It also contains all the CHARM manuals.

LEMON is the spiritual successor to CHARM, I recommend you try it!

Link: lemon-manuals.la or lemon-manuals.org.ua

(Some people have issue connecting. LEMON is investigating. For now, use Firefox or change your DNS server)

Or, hide this message: temporarily or permanently

Heater Core: Service and Repair

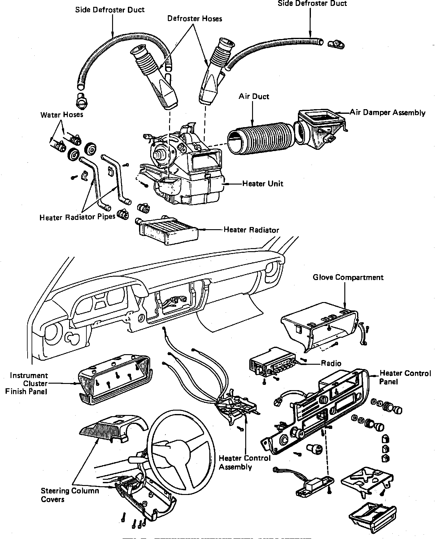
Fig. 6 Removing Heater Core.:





1. Disconnect battery ground cable and drain cooling system.
2. Remove glove compartment, two defroster hoses, air damper assembly, air duct and two side defroster ducts, Fig. 6.
3. Remove control assembly as previously described.
4. Disconnect heater hoses at heater core.
5. Remove three retaining bolts and the heater unit.
6. Remove heater core from heater unit.
7. Reverse procedure to install.