Operation CHARM: Car repair manuals for everyone.
Manuals through 2025 now available!

Our trusted friends have launched a new website named LEMON, which has newer manuals. It also contains all the CHARM manuals.

LEMON is the spiritual successor to CHARM, I recommend you try it!

Link: lemon-manuals.la or lemon-manuals.org.ua

(Some people have issue connecting. LEMON is investigating. For now, use Firefox or change your DNS server)

Or, hide this message: temporarily or permanently

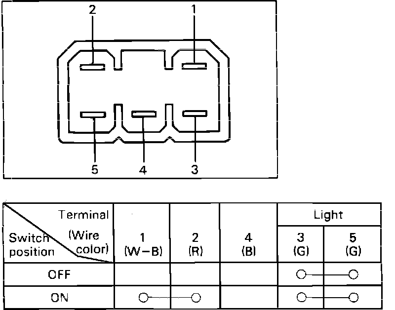
Main Switch Circuit (Cruise Control Switch)

Main Switch Check:






1. Check power source line between terminal 2 and ground.
2. Check ground connection between terminal 4 and ground.
3. Check continuity between terminals as shown on image chart.
4. If not as specified, replace switch.