Operation CHARM: Car repair manuals for everyone.
Manuals through 2025 now available!

Our trusted friends have launched a new website named LEMON, which has newer manuals. It also contains all the CHARM manuals.

LEMON is the spiritual successor to CHARM, I recommend you try it!

Link: lemon-manuals.la or lemon-manuals.org.ua

(Some people have issue connecting. LEMON is investigating. For now, use Firefox or change your DNS server)

Or, hide this message: temporarily or permanently

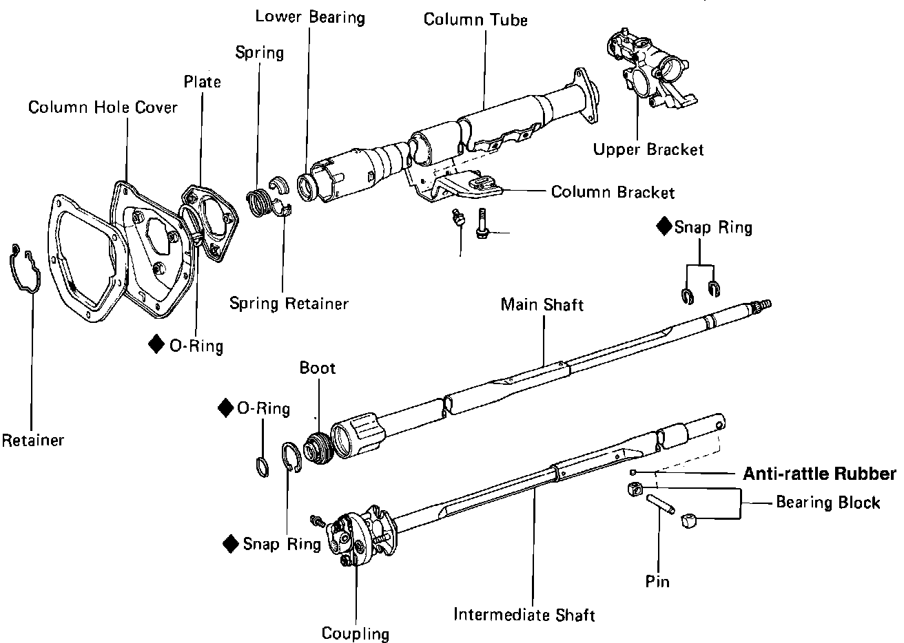
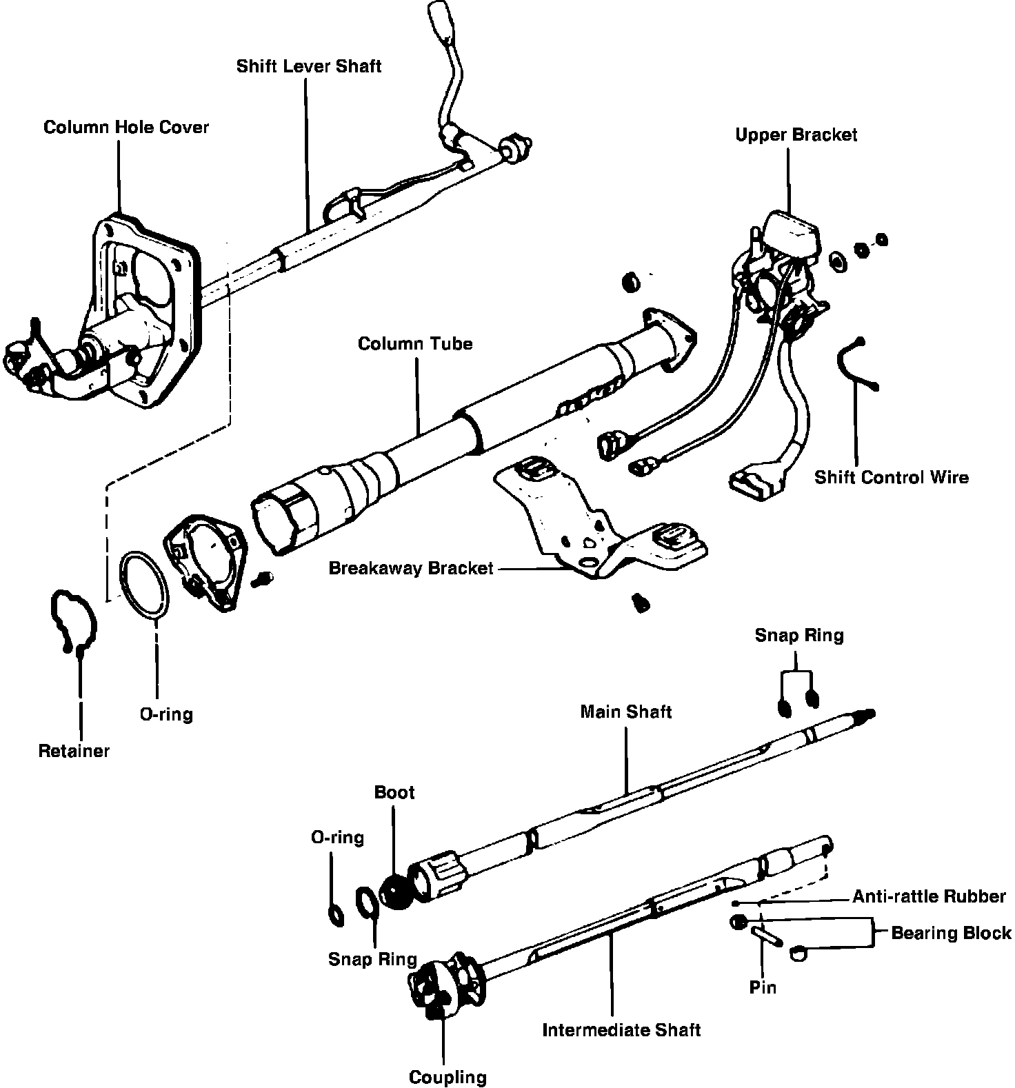
Steering Column

Fig. 11 Exploded view of steering column. 1984-88 Pickup 2WD less tilt steering & column shift:



Fig. 12 Exploded view of steering column. 1984-88 Pickup 2WD with column shift:



Fig. 13 Exploded view of steering column. 1984-88 Pickup & 1985-88 4Runner 4WD less tilt steering & column shift:



Fig. 14 Exploded view of steering column. 1984-88 Pickup & 1985-88 4Runner 4WD with tilt steering: