Operation CHARM: Car repair manuals for everyone.
Manuals through 2025 now available!

Our trusted friends have launched a new website named LEMON, which has newer manuals. It also contains all the CHARM manuals.

LEMON is the spiritual successor to CHARM, I recommend you try it!

Link: lemon-manuals.la or lemon-manuals.org.ua

(Some people have issue connecting. LEMON is investigating. For now, use Firefox or change your DNS server)

Or, hide this message: temporarily or permanently

Brake Rotor/Disc: Service and Repair

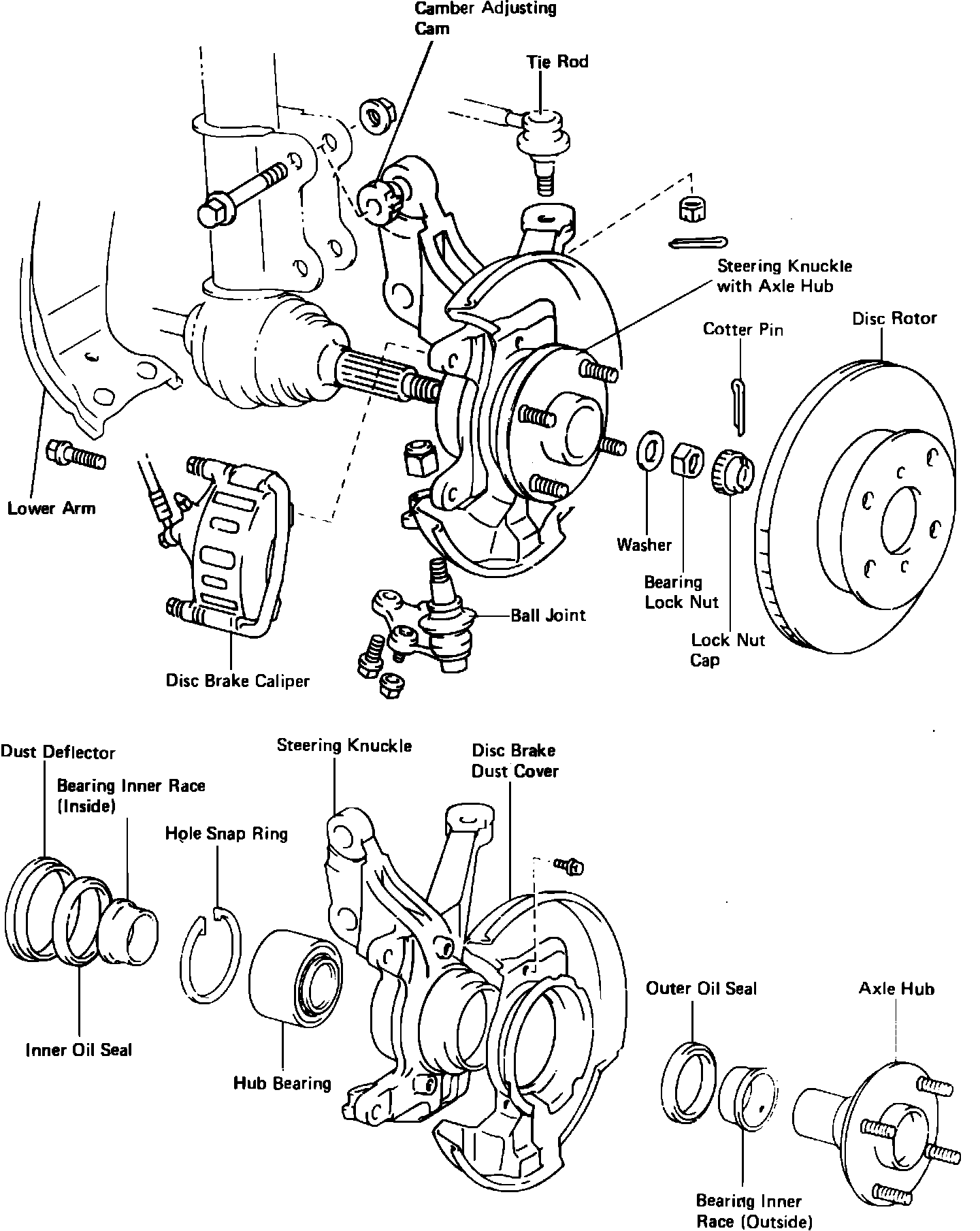
Fig. 27 Exploded view of axle hub & steering knuckle (typical). Front wheel drive models:





FRONT WHEEL DRIVE MODELS
1. Raise and support front of vehicle, then remove tire and wheel assembly.
2. Remove cotter pin and bearing locknut cap.
3. With brake pedal depressed, remove bearing locknut, Fig. 27.
4. Remove brake caliper from steering knuckle and suspend out of way.
5. Remove disc rotor, then ensure that bearing play in axial direction does not exceed .002 inch.
6. Remove cotter pin and nut, then, using suitable puller, disconnect tie rod end from steering knuckle.
7. Scribe alignment marks on strut lower bracket and camber adjusting cam (if equipped).
8. Remove steering knuckle-to-strut lower bracket attaching nuts and bolts.
9. Disconnect steering knuckle from lower suspension arm.
10. Using plastic hammer, tap axle shaft to loosen it while removing steering knuckle and axle hub. On some applications, it may be necessary to use puller to remove hub from axle shaft. Cover driveshaft boot with cloth to prevent damage.
11. If necessary, remove ball joint from steering knuckle.
12. Using suitable tool, remove dust deflector (if equipped) and inner oil seal from steering knuckle.
13. Using suitable pliers, remove axle hub snap ring.
14. Remove three bolts securing disc brake dust cover to steering knuckle.
15. Using suitable puller, remove hub from steering knuckle.
16. Remove inside bearing inner race from bearing.
17. Using suitable puller, remove outside inner race from axle hub.
18. Using suitable screwdriver, remove oil seal from steering knuckle.
19. Place an outside bearing inner race on bearing and, using suitable tool and hammer, drive out bearing. Always replace the bearing as an assembly.
20. Using suitable tool, press new bearing into steering knuckle.
21. Rotate and insert the side lip of a new outer oil seal into tool 09608-32010 or equivalent, then, using tool 09710-14012 or equivalent, drive oil seal into steering knuckle.
22. Apply suitable grease to oil seal lip.
23. Install disc brake dust cover.
24. Apply suitable grease to oil seal and bearing, then, using suitable tool, press hub into steering knuckle.
25. Install hub snap ring in steering knuckle.
26. Using suitable tool, drive a new oil seal and dust deflector (if equipped) into steering knuckle surface, then apply suitable grease to oil seal lip and axle shaft.
27. If removed, install ball joint.
28. Reverse procedure to install, noting the following:
a. On Camry models, torque two strut-to-steering knuckle attaching nuts and bolts to 152 ft. lbs. on 1984-86 models or 166 ft. lbs. on 1987-88 models, steering knuckle-to-lower suspension arm attaching bolts to 83 ft. lbs. on 1984-86 models or 94 ft. lbs. on 1987-88 models, tie rod end attaching nut to 36 ft. lbs. and the bearing locknut to 137 ft. lbs.
b. On Tercel models, torque two strut-to-steering knuckle attaching nuts and bolts to 105 ft. lbs. on 1984-86 models and 1987-88 Wagon models or 166 ft. lbs. on 1987-88 Sedan models, steering knuckle-to-lower suspension arm attaching bolts to 59 ft. lbs., tie rod end attaching nut to 36 ft. lbs. and the bearing locknut to 137 ft. lbs.
c. On Corolla models, torque two strut-to-steering knuckle attaching nuts and bolts to 105 ft. lbs. on gasoline engine models or 152 ft. lbs. on diesel engine models, steering knuckle-to-lower suspension arm attaching bolts to 47 ft. lbs., tie rod end attaching nut to 36 ft. lbs. and the bearing locknut to 137 ft. lbs.
d. On 1986-88 Celica models, torque two strut-to-steering knuckle attaching nuts and bolts to 188 ft. lbs., steering knuckle-to-lower suspension arm attaching bolts to 94 ft. lbs., tie rod end attaching nut to 36 ft. lbs. and the bearing locknut to 137 ft. lbs.