Operation CHARM: Car repair manuals for everyone.
Manuals through 2025 now available!

Our trusted friends have launched a new website named LEMON, which has newer manuals. It also contains all the CHARM manuals.

LEMON is the spiritual successor to CHARM, I recommend you try it!

Link: lemon-manuals.la or lemon-manuals.org.ua

(Some people have issue connecting. LEMON is investigating. For now, use Firefox or change your DNS server)

Or, hide this message: temporarily or permanently

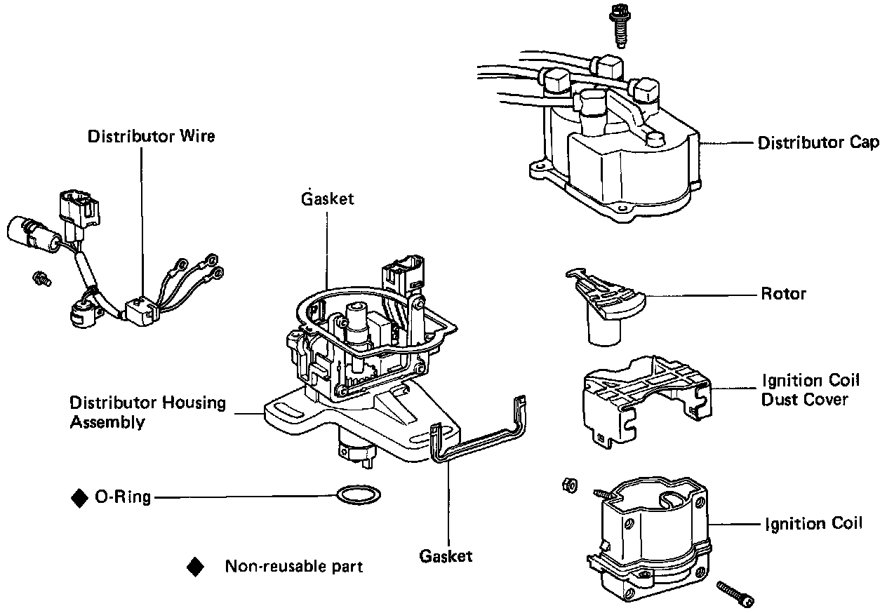
Distributor: Service and Repair






REMOVAL

1. REMOVE AIR CLEANER HOSE.

2. DISCONNECT CABLE FROM NEGATIVE TERMINAL OF BATTERY.

3. DISCONNECT DISTRIBUTOR CONNECTORS.

4. DISCONNECT HIGH-TENSION CORDS FROM SPARK PLUGS.






5. REMOVE DISTRIBUTOR.
- Remove the two hold-down bolts and pull out the distributor.
- Remove the 0-ring.

DISASSEMBLY

1. REMOVE DISTRIBUTOR CAP WITHOUT DISCONNECTING HIGH-TENSION CORDS.

2. REMOVE ROTOR.

3. REMOVE IGNITION COIL DUST COVER.






4. REMOVE IGNITION COIL.
a. Remove the two nuts and disconnect the three wires from the terminals of the ignition coil.
b. Remove the four screws, ignition coil and gasket.






5. REMOVE DISTRIBUTOR WIRE.

INSPECTION






1. INSPECT GOVERNOR SHAFT.
- Turn the governor shaft and check that it is not rough or worn.
- If it feels rough or worn, replace the distributor housing assembly.

ASSEMBLY






1. INSTALL DISTRIBUTOR WIRE.

2. INSTALL IGNITION COIL.






a. Install the gasket and ignition coil with the four screws.






b. Connect the three wires to the terminals of the ignition coil with the two nuts as shown.






CAUTION:
- When connecting the wires to the ignition coil, insert both properly into their grooves found on the side of the ignition coil.
- Be sure that the wires do not contact with signal rotor or distributor housing.

3. INSTALL IGNITION COIL DUST COVER.

4. INSTALL ROTOR.

5. INSTALL DISTRIBUTOR CAP AND HIGH-TENSION CORDS.
a. Place the gasket in position on the distributor housing.
b. Install the distributor cap with the three bolts.

INSTALLATION






1. SET NO.1 CYLINDER TO TDC/COMPRESSION.
- Turn the crankshaft clockwise, and position the slit on the intake camshaft as shown.

2. INSTALL DISTRIBUTOR.






a. Install a new 0-ring to the housing.
b. Apply a light coat of engine oil on the 0-ring.






c. Align the cutout of the coupling with the line of the housing.
d. Insert distributor, aligning the center of the flange with that of bolt hole on the cylinder head.
e. Lightly tighten the two hold-down bolts.

3. CONNECT HIGH-TENSION CORDS TO SPARK PLUGS.
Firing order: 1 - 3 - 4 - 2

4. CONNECT DISTRIBUTOR CONNECTOR.

5. INSTALL AIR CLEANER HOSE.

6. CONNECT CABLE TO NEGATIVE TERMINAL OF BATTERY.

7. WARM UP ENGINE.
- Allow the engine to reach normal operating temperature.






8. CONNECT TACHOMETER.
- Connect the test probe of a tachometer to the service connector of the distributor.

CAUTION:
- NEVER allow the tachometer terminal to touch group as it could result in damage to the igniter and/or ignition coil.
- As some tachometers are not compatible with this ignition system, we recommend that you confirm the compatibility of your until before using.

9. ADJUST IGNITION TIMING.






a. Using a service wire, short terminals T and E1 of the check connector.






b. Using a timing light, check the ignition timing.

Ignition timing: 10° BTDC @ idle

c. Loosen the two hold-down bolts, and adjust by turning the distributor.
d. Tighten the hold-down bolts, and recheck the ignition timing.

Torque: 130 kg-cm (9 ft-lb, 13 N.m)






e. Remove the service wire.






10. FURTHER CHECK IGNITION TIMING.

Ignition timing: 13 - 22° BTDC @ idle

NOTE: The timing mark moves in a range between 1 30 and 220.