Operation CHARM: Car repair manuals for everyone.
Manuals through 2025 now available!

Our trusted friends have launched a new website named LEMON, which has newer manuals. It also contains all the CHARM manuals.

LEMON is the spiritual successor to CHARM, I recommend you try it!

Link: lemon-manuals.la or lemon-manuals.org.ua

(Some people have issue connecting. LEMON is investigating. For now, use Firefox or change your DNS server)

Or, hide this message: temporarily or permanently

Inspection of Electronic Control Components

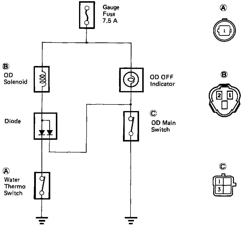
A140L/3S-FE Electric Control Circuit:





A140L / 3S-FE ELECTRIC CONTROL CIRCUIT TESTING

1. INSPECT OD SOLENOID.
a. Disconnect the solenoid connector.






b. Apply voltage between terminals 1 and 2. At this time, confirm that a solenoid operation sound in heard.






c. Using an ohmmeter, measure the solenoid coil resistance between terminals 1 and 2.

Resistance: 17 ± 0.7 ohms.

d. Connect the solenoid connector.
e. Turn on the ignition switch and disconnect the thermo switch wire.






f. Confirm that operation sounds of the solenoid can be heard if the OD main switch is repeatedly turned "ON" and "OFF".
g. Turn "OFF" the ignition switch and connect the thermo switch wire.

2. INSPECT OD MAIN SWITCH.
a. Remove the console box.





b. Using an ohmmeter, measure the resistance between terminals 1 and 3.

Switch "ON" - Resistance: infinity ohms.
Switch "OFF" - Resistance: 0 ohms.


3. INSPECT OD OFF INDICATOR.
a. Turn "ON" the ignition switch.






b. Turn "OFF" the OD main switch.
c. Check that the OD "OFF" indicator lights.

4. INSPECT WATER THERMO SWITCH.
a. Disconnect the thermo switch connector.






b. Using an ohmmeter, measure the resistance between terminal 1 and body ground.

Coolant temperature:
Below 43°C (109°F) 0 ohms
Above 55°C (131°F) infinity ohms.


c. Connect the thermo switch connector.