Operation CHARM: Car repair manuals for everyone.
Manuals through 2025 now available!

Our trusted friends have launched a new website named LEMON, which has newer manuals. It also contains all the CHARM manuals.

LEMON is the spiritual successor to CHARM, I recommend you try it!

Link: lemon-manuals.la or lemon-manuals.org.ua

(Some people have issue connecting. LEMON is investigating. For now, use Firefox or change your DNS server)

Or, hide this message: temporarily or permanently

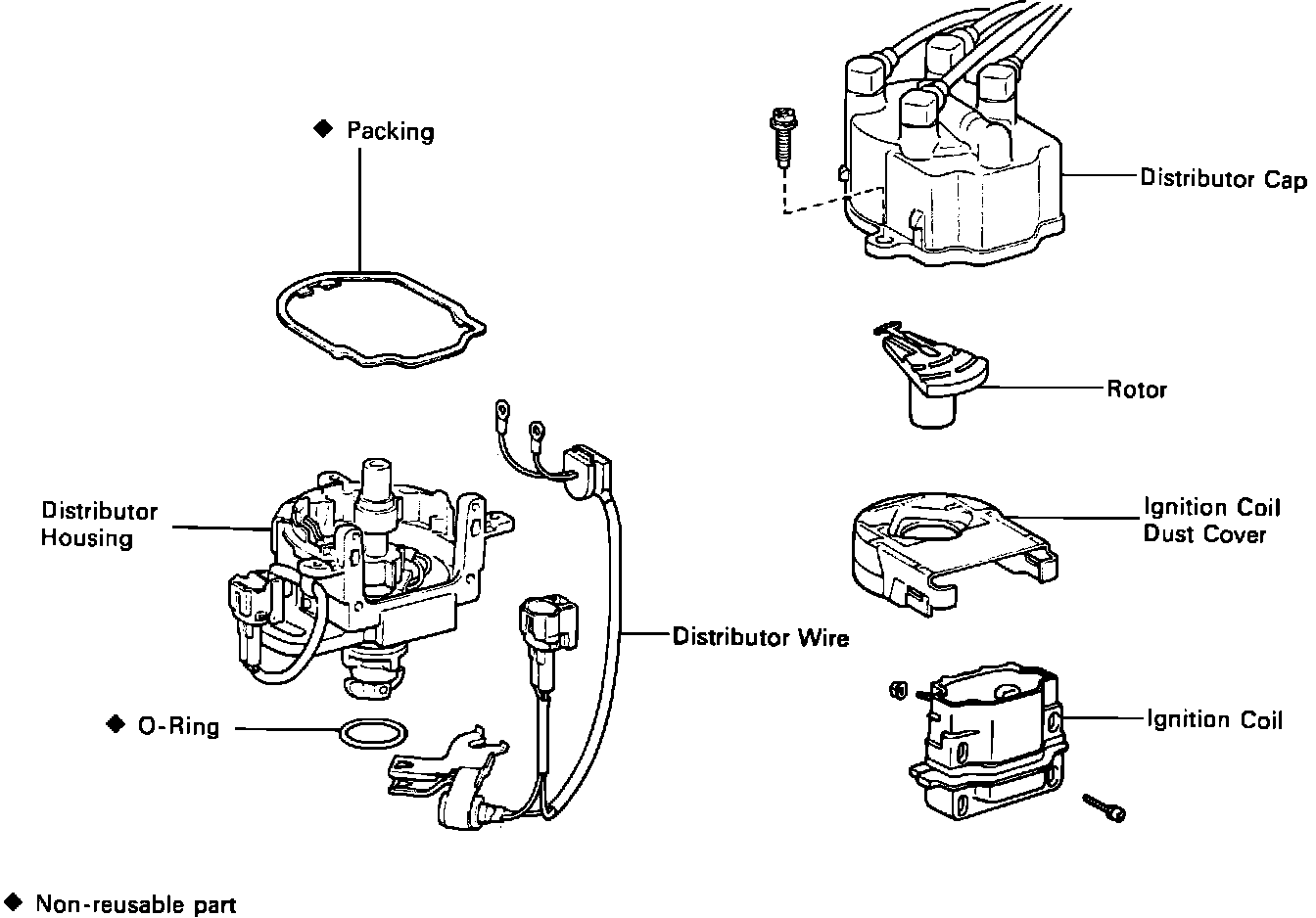
Distributor: Service and Repair

Exploded View Distributor:





REMOVAL:

1. Disconnect negative battery terminal.

2. Disconnect the primary distributor connectors.

3. Disconnect the spark plug wires from the spark plugs.

Distributor Hold Down Bolt, Remove And Install:





4. Remove the two hold down bolts and remove the distributor.

INSTALLATION:

TDC Timing Marks:





1. Rotate the crankshaft clockwise, ensure #1 cylinder is at TDC compression stroke. Position the slits (A) vertically, and slit (B) perpendicular to slits (A).

Distributor O-ring:





2. Install a new O-ring to the distributor housing and apply a light coat of engine oil.





3. Align the protrusion on the housing with the groove of the coupling side.

Distributor Installation:





4. Install the distributor and lightly tighten hold down bolts.

5. Connect the spark plug wires to the proper spark plugs.

Firing Order: 1 - 3 - 4 - 2

6. Reconnect primary distributor connectors and reconnect negative battery terminal.

7. To adjust ignition timing refer to ADJUSTMENT PROCEDURES.

8. Torque distributor hold down bolts.

Torque Value: 9 ftlb (13 Nm)