Operation CHARM: Car repair manuals for everyone.
Manuals through 2025 now available!

Our trusted friends have launched a new website named LEMON, which has newer manuals. It also contains all the CHARM manuals.

LEMON is the spiritual successor to CHARM, I recommend you try it!

Link: lemon-manuals.la or lemon-manuals.org.ua

(Some people have issue connecting. LEMON is investigating. For now, use Firefox or change your DNS server)

Or, hide this message: temporarily or permanently

Torque Specifications








Torque Specifications

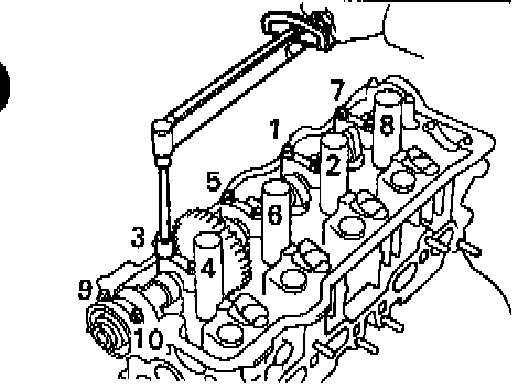
Exhaust Camshaft Removal Sequence:




Exhaust Camshaft Removal:




Intake Camshaft Removal Sequence:




Intake Camshaft Removal:





Camshaft Bearing Cap Removal Sequence

Intake Camshaft Bearing Cap Torque Sequence:




Exhaust Camshaft Bearing Cap Torque Sequence:





Camshaft Bearing Cap Torque Sequence





Cylinder Head Removal Sequence








Cylinder Head Torque Sequence





Crankshaft Main Bearing Cap Torque Sequence





M/T Flywheel - A/T Drive Torque Sequence